• 대한전기학회
Mobile QR Code QR CODE : The Transactions of the Korean Institute of Electrical Engineers
  • COPE
  • kcse
  • 한국과학기술단체총연합회
  • 한국학술지인용색인
  • Scopus
  • crossref
  • orcid

  1. (Dept. of Global Railway System Graduate School of Railway, Seoul National University of Science and Technology, Republic of Korea. E-mail : onlysu23@seoultech.ac.kr)



Reactive power compensation, Load characteristics, Voltage stability, P-V Curve, V-Q Curve

1. 서 론

현대 도시철도 시스템에서는 HVAC, 조명, 승강설비 등 다양한 설비의 안정적 운영을 위해 신뢰성 높은 전력 공급이 필수적이다. 본 연구에서는 인천도시철도 1호선 역사 전력 계통(그림 1)을 대상 사례로 분석하였다. 출퇴근 시간대 승객 밀집, 계절에 따른 부하 변동, 냉난방 및 승강설비, 터널ㆍ역사 공조설비의 동시 운용으로 유도성(inductive) 부하가 집중적으로 발생하여 무효전력 소비량과 계통 전류가 급격히 증가하고 전압강하가 빈번하게 발생한다. 또한 무효전력 증가로 인한 역률 저하 및 전력손실 증가는 결과적으로는 운영비용 상승과 전력 계통의 불안정을 초래한다[1-2].

기존에는 변압기 증설이나 신규 변전소 구축과 같은 인프라 중심으로 대응하였으나, 도시철도 특성상 공간적 제약, 높은 비용, 장기간 소요되는 등 현실적인 한계가 존재함에 따라 효율적인 방안이 필요하다. 본 연구에서는 P-V(nose) 곡선, V-Q 곡선을 통해 전압붕괴 지점을 분석하고 무효전력 보상을 통하여 추가적인 전력 설비 증설 없이도 설비 여유도 증대와 전압 안정성 향상이 가능함을 제시하고, MATLAB/Simulink 시뮬레이션을 통해 검증하였다[3-4].

그림 1. 인천도시철도 1호선 전력시스템 개략도

Fig. 1. Simplified Diagram of Electrical Power System for Incheon Metro Line 1

../../Resources/kiee/KIEE.2025.74.11.1763/fig1.png

2. 전력 용량 한계에서 시스템 운용

2.1 도시철도 역사 전력 계통의 운용점 해석

도시철도 역사 전력 계통은 그림 2와 같이 하나의 부하가 변전소에서 수ㆍ배전선로를 통해 무한모선으로부터 전력을 공급받는 구조인 단일 부하 무한모선(single-load infinite-bus) 시스템으로 단순화할 수 있다[5-6].

그림 2. 단일 부하-무한모선 시스템

Fig. 2. Single-load infinite-bus system

../../Resources/kiee/KIEE.2025.74.11.1763/fig2.png

그림 3은 단일 부하-무한모선 시스템의 등가회로를 나타낸 것이다. 이상적인 전압원을 위상 기준($0^{\circ}$)으로 설정하여 $\overline{E}= E\angle 0$로 가정하고, 부하전압의 크기는 $V$, 위상각은 $\theta$로 표현되며, 선로 저항($R$)은 리액턴스($X$)에 비해 매우 작으므로 무시하였다.

그림 3. 단일 부하-무한모선 시스템 등가회로

Fig. 3. Equivalent circuit diagram of a single-load infinite-bus system

../../Resources/kiee/KIEE.2025.74.11.1763/fig3.png

이러한 조건에서 그림 3의 등가회로부터 전압방정식은 다음과 같다.

(1)
$\overline{V}=\overline{E}-j X\overline{I}$

여기서, 부하에 의해 흡수된 복소 전력은 다음과 같다.

(2)
\begin{align*}S = P + j Q =\overline{V}\overline{I}^{*}=\overline{V}\dfrac{\overline{E}^{*}-\overline{V}^{*}}{-j X}\\\\=\dfrac{j}{X}(EV\cos\theta +j\sin\theta -V^{2})\end{align*}

유효전력($P$)와 무효전력($Q$)은 다음과 도출된다.

(3)
$P = -\dfrac{EV}{X}\sin\theta$
(4)
$Q = -\dfrac{V^{2}}{X}+\dfrac{EV}{X}\cos\theta$

(3), 식 (4)는 시스템의 전력 부하 흐름방정식을 나타내며, 주어진 부하($P,\: Q$)에 대하여 전압($V$)와 위상각($\theta$)을 풀면 다른 모든 변수를 계산할 수 있다. 이때 주어진 부하($P,\: Q$) 값에서 정상 운전이 가능한 하나의 해가 존재(solution)하는 조건을 결정하는 것이 계통 안정성 해석의 핵심이다. 식 (3), 식 (4)에서 위상각($\theta$)을 제거하면 다음과 같다.

(5)
$(V^{2})^{2}+(2QX - E^{2})V^{2}+X^{2}(P^{2}+Q^{2})= 0$

(5)와 같이 $V^{2}$에 대한 이차방정식, 즉 2차원 포물선 곡선이 된다. 여기서 최소한 하나의 실해(real solution)가 존재해야 정상적인 운전이 가능하다. 실해가 존재하기 위한 조건은 다음과 같다.

(6)
$-P^{2}-\dfrac{E^{2}}{X}Q +\left(\dfrac{E^{2}}{2X}\right)^{2}\ge 0$

(5), 식 (6)의 관계로부터 유효전력$\left(\dfrac{PX}{E^{2}}\right)$과 무효전력$\left(\dfrac{QX}{E^{2}}\right)$의 함수로서 전압$\left(\dfrac{V}{E}\right)$을 3차원 도형을 나타낼 수 있다. 주어진 상태에서 계통의 안정적인 운용점(operating point)은 이 3차원 도형의 내부에 있어야 하며, 최대 부하 운용점(nose point)은 3차원 도형의 표면에 위치하게 된다[5-8].

2.2 P-V 곡선을 이용한 최대 운용점 확대 해석

그림 4는 부하전력($P$)이 증가함에 따라 무효전력 보상의 필요성과 그 효과를 단계적으로 보여준다. 부하가 커질수록 노드 전압($V$)이 감소하게 되며, 이를 보상하기 위해 정전용량성(capacitive) 보상 설비의 투입 용량을 단계적으로 늘려야 한다. P-V 곡선이 오른쪽으로 이동할수록(즉, 보상 용량이 증가할수록) 계통의 최대 전달 전력 한계점(nose point)이 높아져 전압지지 능력이 크게 향상된다. 그러나 동시에 정상 운전점이 Nose point에 더 가까워지기 때문에 외란 발생 시 전압붕괴까지의 전압안정도 여유도(Voltage stability margin)가 상대적으로 감소하는 현상이 나타난다. 따라서 무효전력 보상은 전압지지 능력과 전압안정도 여유 사이의 균형을 고려하여 적정 수준으로 운용하는 것이 중요하다.

그림 4. 무효전력 보상 정도에 따른 P-V 곡선 특성

Fig. 4. P-V curves at various Levels of Reactive Power compensation

../../Resources/kiee/KIEE.2025.74.11.1763/fig4.png

특히, 그림 4의 적색 곡선은 무효전력 보상이 극히 부족한 상태에서 부하가 증가할 때 계통이 전압붕괴(Voltage collapse)에 쉽게 도달할 수 있음을 보여준다. 이 경우, 최대 전달 가능한 유효전력($P$)이 급격히 감소하고 정상 운전점이 Nose point와 거의 겹치게 되어 고장, 단락 등 외란이 발생하게 되면 전압이 급격히 저하되어 전압붕괴가 발생할 위험이 매우 커지게 된다. 따라서 무효전력 보상은 부하 증가와 계통의 안전 운전을 위해 반드시 필요하며, 무효전력 보상 용량이 충분하지 않을 경우, 전압붕괴 시나리오가 현실이 될 수 있음을 명확히 보여준다[5-11].

2.3 V-Q 곡선을 이용한 무효전력 보상 해석

V-Q 곡선은 시스템의 정상상태 동작 특성을 정량적으로 분석하기 위한 목적으로 활용되며, 시스템의 안정 영역과 불안정 영역을 판별하고, 목표 전압 수준 유지를 위해 필요한 무효전력 보상량 산정에 매우 중요한 해석 지표이다. 이 곡선은 특정 버스에서의 무효전력 주입($Q_{c}$​)과 해당 버스의 전압($V$) 간의 상관관계를 나타낸다. V-Q 곡선은 그림 5와 같이 가상의 발전기(동기 콘덴서, synchronous condenser)를 연결하고 유효전력($P_{g}$)이 $0$인 조건에서 단말 전압($V$)을 변화시키면서 이에 따라 발생하는 무효전력($Q_{c}$​)을 계산하여 결정할 수 있다.

그림 5. 가상 발전기를 이용한 V-Q 곡선 생성 등가회로

Fig. 5. Equivalent circuit for generating V-Q curves using a fictitious generator

../../Resources/kiee/KIEE.2025.74.11.1763/fig5.png

그림 5에 나타낸 시스템에서 전력 부하 흐름방정식은 다음과 같다. 각 전압($V$) 값에 대하여 위상각($\theta$)은 식 (7)을 통해 계산되며, 이에 해당하는 보상 무효전력($Q_{c}$)은 식 (8)을 통하여 구한다.

(7)
$P = -\dfrac{EV}{X}\sin\theta$
(8)
$Q-Q_{c}= -\dfrac{V^{2}}{X}+\dfrac{EV}{X}\cos\theta$

그림 6에 제시된 V-Q 곡선은 서로 다른 세 가지 부하 조건에서의 시스템 전압-무효전력 특성을 나타낸다. 곡선 P1은 시스템이 최대 전력보다 훨씬 낮은 수준의 부하 조건에서 운전 중인 상태로, 이 경우 곡선은 두 개의 전압 해를 가진다. 이는 무효전력 보상 없이($Q_{c}= 0$) 운전할 수 있는 전압 범위를 의미하며, x축과 교차하는 두 지점 중 더 높은 전압의 해는 시스템이 안정적으로 운전이 가능한 정상 동작 지점(Normal operating point, “$O$”)에 해당한다.

그림 6. 계통 무효전력 변화에 따른 V-Q 특성 곡선

Fig. 6. V–Q Curves for Various Reactive Power Conditions

../../Resources/kiee/KIEE.2025.74.11.1763/fig6.png

곡선 P2는 상대적으로 더 많은 부하가 인가된 상태의 V-Q 특성을 나타내며, 무효전력 보상이 없는 경우($Q_{c}= 0$)의 운영 지점은 “$O'$”로 표시된다. 이 구간에서 V-Q 곡선의 곡률이 더욱 급격히 변하므로, 시스템은 무효전력 변동에 민감하게 반응하여 전압안정도가 저하되는 불안정 상태로 전환된다. $Q_{1}$과 $Q_{2}$​는 각각 해당 운영 지점에서 허용 가능한 무효전력 여유(Var margin)로 시스템의 정상 운전을 유지할 수 있는 최대 무효전력 주입 한계를 의미한다. 이 한계를 초과하게 되면 전압붕괴(Voltage collapse)로 이어질 수 있다.

곡선 P3은 외부로부터 무효전력이 공급되지 않으면 시스템을 안정적으로 운영할 수 없는 상황을 의미하며, 리액턴스의 증가나 급격한 전압강하와 같은 계통 내의 장애의 결과로 발생할 수 있다. 이때 표시된 무효전력 여유($Q_{3}$)는 음수 값을 가지며, 시스템이 전압안정도의 붕괴 임계점(collapse point)에 도달했음을 나타낸다. 특히, 그림 6의 P3 곡선은 부하가 증가해 무효전력이 부족한 경우를 나타내며 그림 4의 적색 곡선에서와 같이 전압붕괴로 이어질 수 있는 상황을 나타낸다. 따라서 계통의 안정적 운전을 위해서는 무효전력을 추가로 공급하여 $Q_{3}$ 방향으로 무효전력 여유를 확보해야 한다[5-11].

3. 무효전력 보상 기반 최대 전력 전송 및 전압안정도 확보 기법

3.1 유도성 부하의 용량성 무효전력 보상기법

유도성 부하(inductive load)는 전력 계통에서 양(+)의 무효전력을 소비하여 전압강하를 유발하는 주요 요인이다. 그림 7의 등가회로와 그림 8의 페이저도(phasor diagram)는 유도성 부하의 전압-전류 관계와 무효전력 보상 메커니즘을 보여준다. 유도성 부하에서는 부하전류가 증가할수록 선로 리액턴스에 의한 전압강하가 커지며, 이에 따라 부하 측 노드 전압은 점차 저하된다[5,7,11].

그림 7. 유도성 부하 계통 등가회로

Fig. 7. Equivalent circuit for a lagging Load System

../../Resources/kiee/KIEE.2025.74.11.1763/fig7.png

그림 8. 유도성 부하 계통의 전압ㆍ전류 페이저도

Fig. 8. Phasor diagram of voltage and current with lagging Load angle

../../Resources/kiee/KIEE.2025.74.11.1763/fig8.png

유도성 부하 등가회로에서 부하는 저항($R_{L}$)과 리액턴스($X_{L}$​)로 구성된 직렬 회로로 모델링되며, 부하전류($I_{Load}$​)는 부하전압($V_{Load}$​)에 대해 지연(lagging)된다. 공급전압($V_{T}$​)은 다음과 같이 표현된다.

(9)
\begin{align*}V_{T}= V_{L o a d}+j X_{L}I_{L o a d}\\\\I_{Load}=\dfrac{V_{Load}}{R_{L}+ j X_{Load}}\end{align*}

유도성 부하가 연결된 회로에서는 유도성 리액턴스가 전압강하에 큰 영향을 미치며, 저항($R_{L}$)이 충분히 작은 경우, 다음과 같이 근사적으로 나타낼 수 있다. 여기서, 전압강하 성분($j X_{L}I_{Load}$)은 부하전류($I_{Load}$)에 대해 90° 앞선(leading) 위상차를 가지며, 부하전압($V_{Load}$​)을 감소시키는 방향으로 작용한다.

(10)
$V_{T}\simeq V_{L o a d}+ j X_{L}I_{L o a d}$

그림 8의 페이저도는 부하전류($I_{Load}$​)가 부하전압($V_{Load}$)보다 위상이 지연(lagging)되어 있으며, 공급전압($V_{T}$)이 부하전압($V_{Load}$​)보다 더 크게 나타난다. 이때 전압강하($\Delta V$)는 다음과 같이 정의된다. 여기서, $Q_{Load}$​는 부하가 소비하는 유도성 무효전력, $X_{L}$은 공급단에서 부하까지의 등가 리액턴스이다.

(11)
$\Delta V =\dfrac{Q_{L o a d}X_{L}}{V_{L o a d}}$

유도성 부하가 소비하는 무효전력($Q_{Load}$)을 보상하기 위해 병렬 커패시터, SVC, STATCOM과 같은 FACTS 장치를 설치하여 용량성 무효전력($Q_{comp}$)을 공급한다.

보상 후 전압강하는 다음과 같이 개선된다.
(12)
$\Delta V'=\dfrac{(Q_{L o a d}- Q_{c o m p})X_{L}}{V_{L o a d}}$

$Q_{comp}$가 $Q_{Load}$에 가까워질수록 부하 측 전압이 상승하고, 공급전압과 부하전압의 차이가 감소하여 계통의 전압안정도가 향상된다. 즉, 유도성 부하는 양(+)의 무효전력을 소비($Q_{Load}>0$)하여 전압강하를 유발하지만, 동일한 크기의 음(-)의 용량성 무효전력($Q_{comp}<0$)을 공급함으로써 효과적으로 전압 보상이 가능하다[5-8].

3.2 용량성 부하의 유도성 무효전력 보상기법

용량성 부하(capacitive load)는 전력 계통에 과도한 음(-)의 무효전력을 공급하여 전압 상승을 유발하는 주요 요인이다. 그림 9의 등가회로 그림 10의 페이저도는 용량성 부하의 전압-전류 관계와 무효전력 보상 메커니즘을 보여준다. 용량성 부하가 증가하면 부하전류가 역시 커지면서 부하 측 노드 전압이 과도하게 상승하여 계통의 전압안정도에 악영향을 미치게 된다[5,7,11].

그림 9. 용량성 부하 계통 등가회로

Fig. 9. Equivalent circuit for a leading Load System

../../Resources/kiee/KIEE.2025.74.11.1763/fig9.png

그림 10. 용량성 부하 계통의 전압ㆍ전류 페이저도

Fig. 10. Phasor diagram of Voltage and Current with leading Load angle

../../Resources/kiee/KIEE.2025.74.11.1763/fig10.png

용량성 부하 등가회로에서 부하는 저항($R_{L}$)과 커패시턴스($X_{Load}$)로 구성된 직렬 회로로 모델링되며, 부하전류($I_{Load}$​)는 부하전압($V_{Load}$)에 대해 앞선(leading) 위상 특성을 가진다. 공급전압($V_{T}$​)은 다음과 같이 표현된다.

(13)
\begin{align*}V_{T}= V_{L o a d}+j X_{L}I_{L o a d}\\\\I_{Load}=\dfrac{V_{Load}}{R_{L}- j X_{Load}}\end{align*}

용량성 부하가 연결된 회로에서는 용량성 리액턴스는 전압 상승을 유발하는 주요 인자로 작용하며 저항($R_{L}$)이 충분히 작은 경우, 다음과 같이 근사화하여 나타낼 수 있다. 이 경우 전압 상승 성분($-j X_{L}I_{Load}$​)은 부하전류($I_{Load}$)에 대해 90° 앞선(leading) 위상차를 가지며, 부하전압($V_{Load}$​)을 상승시키는 방향으로 작용한다.

(14)
$V_{T}\simeq V_{L o a d}- j X_{L}I_{L o a d}$

그림 10의 페이저도는 부하전류($I_{Load}$​)가 부하전압($V_{Load}$​)보다 90° 앞선(leading) 위상을 가지며, 부하전압($V_{Load}$)이 공급전압($V_{T}$) 보다 더 크게 나타난다. 이때 전압 상승($\Delta V$)는 다음과 같이 정의된다. 여기서, $Q_{Load}$​는 용량성 부하가 공급하는 무효전력 음의 값이다.

(15)
$\Delta V =\dfrac{Q_{L o a d}X_{L}}{V_{L o a d}}$

용량성 부하로 인한 과도한 전압 상승을 억제하기 위해 분로 리액터나 SVC, STATCOM과 같은 FACTS 장치를 설치하여 유도성 무효전력을 흡수($Q_{abs}$​)한다. 보상 후 전압 상승은 다음과 같이 조정된다.

(16)
$\Delta V'=\dfrac{(Q_{L o a d}+ Q_{a b s})X_{L}}{V_{L o a d}}$

$Q_{abs}$​가 $Q_{Load}$에 가까워질수록 과도한 전압 상승이 억제되어 공급전압과 부하전압의 차이가 감소하여 계통의 전압이 안정적으로 유지된다. 즉, 용량성 부하는 음(-)의 무효전력을 계통에 공급($Q_{Load}<0$)하여 전압이 상승하는 페란티(Ferranti) 현상을 유발하지만, 동일한 크기의 양(+)의 유도성 무효전력을 흡수($Q_{abs}>0$)함으로써 전압을 안정적으로 유지할 수 있다[5-8].

3.3 병렬 보상 등가모델과 최대 전력 전송 해석

유도성 부하가 많은 계통에서는 커패시터를 병렬로 연결하여 무효전력을 보상한다. 유도성 리액턴스에 의해 소비되는 무효전력을 상쇄하기 위해 그림 11과 같이 병렬 커패시터가 추가된 등가회로 모델이 사용된다. 이 모델은 선로에 포함된 고유 정전용량 효과를 나타내는 정상 서셉턴스 $B_{l}$와 보상장치에 의해 조정 가능한 가변 서셉턴스 $B_{c}$를 병렬로 결합한 구조로 구성된다[4].

그림 11. 계통의 정전용량과 분로 보상 등가회로

Fig. 11. Equivalent circuit of a network capacitances and shunt compensation

../../Resources/kiee/KIEE.2025.74.11.1763/fig11.png

그림 11은 역사 수ㆍ배전계통 내의 고유 정전용량($B_{l}$)과 운전조건에 따라 투입 또는 차단이 가능한 조정형 병렬보상기($B_{c}$)가 포함된 등가회로를 나타낸다. 점선 좌측에 해당하는 부하에서 바라본 회로를 테브난(Thévenin) 정리에 따라 등가화하면, 유기 기전력($E_{th}$)과 등가 리액턴스($X_{th}$)를 다음과 같이 구할 수 있다.

(17)
$E_{th}=\dfrac{1}{1-(B_{c}+ B_{l})X}E$
(18)
$X_{th}=\dfrac{1}{1-(B_{c}+ B_{l})X}X$

(17), 식 (18)에서 알 수 있듯이, 정전 용량성 서셉턴스($B_{c}> 0$)가 증가할수록 유기 기전력($E_{th}$)과 등가 리액턴스($X_{th}$)가 동일한 비율로 증가하여 전압을 유지한다. 반면에 유도성 서셉턴스($B_{c}< 0$)가 증가하면 유기 기전력($E_{th}$)과 등가 리액턴스($X_{th}$)가 동시에 감소하여 전압을 억제한다. 테브난 등가회로를 이용하면 역률이 $\cos\phi$일 때 수전단으로 전달 가능한 최대 유효전력은 다음과 같다.

(19)
\begin{align*}P_{\max}=\dfrac{\cos\phi}{1+\sin\phi}\dfrac{E_{th}^{2}}{2X_{th}}\\\\=\dfrac{1}{1-(B_{c}+ B_{l})X}\dfrac{\cos\phi}{1+\sin\phi}\dfrac{E^{2}}{2X}\end{align*}

또한, 수전단 최대 전력 지점에서의 부하전압은 다음과 같이 주어진다.

(20)
\begin{align*}V_{\max P}=\dfrac{E_{th}}{\sqrt{2}\sqrt{1+\sin\phi}}\\\\=\dfrac{1}{1-(B_{c}+ B_{l})X}\dfrac{E}{\sqrt{2}\sqrt{1+\sin\phi}}\end{align*}

즉, $B_{C}+ B_{l}$가 커패시터(capacitor)에 해당하는 정전 용량성 보상($B_{C}+ B_{l}> 0$)일수록, $P_{\max}$와 $V_{\max P}$는 동일한 비율로 증가하게 되며 전압안정도 여유가 확대된다. 또한 식 (17), 식 (18)에서 나타난 것과 같이, 가변 서셉턴스($B_{c}$) 값을 조정하여 전압($E_{th}$)과 리액턴스($X_{th}$)를 제어할 수 있다. 본 모델의 가변 서셉턴스($B_{c}$)는 정상상태의 전압 유지뿐만 아니라, 회전자 각도 불안정 및 단기 전압 불안정 문제를 완화하고, 추가적인 변조 신호를 서셉턴스($B_{c}$)에 부가함으로써 회전자 각 진동(DRO: Damping of Rotor Oscillation)을 감쇠시키는 능동 제어 기능을 수행한다[5-9].

3.4 동적 무효전력 보상장치의 제어 기법

3.4.1 SVC 기반 무효전력 제어 메커니즘

SVC(Static Var Compensator)는 전력 계통에서 무효전력을 실시간으로 제어하여 전압의 안정화와 시스템의 동특성을 개선하는 장치이다. 이 장치는 TCR(Thyristor Controlled reactor)과 TSC(Thyristor Switched Capacitor)로 구성되어 있으며, 수 사이클(≤ 1/4 sec) 이내의 고속 응답 특성을 갖는다. SVC의 고속 응답 특성은 부하가 크게 변동하거나 고조파 제어가 필요한 운전 환경에서 높은 도입 비용에도 불구하고 충분한 기술적ㆍ경제적 효과를 얻을 수 있다. SVC의 기본 제어 관계식은 다음과 같이 정의된다. 여기서 $Q$는 SVC가 공급하는 무효전력, $V_{MV}$는 기준전압, $B$는 가변 서셉턴스 값을 의미한다.

(21)
$Q = B V_{MV}^{2}$

SVC는 전압 편차를 기반으로 다음과 같은 선형 제어법칙을 따른다. 여기서 $K$는 SVC의 이득(gain), $V_{0}$는 전압 기준이며 전압이 기준값에서 벗어날 경우 $B$가 자동으로 조정되어 무효전력 보상량이 산출된다.

(22)
$B = K(V_{0} - V)$

SVC에서 서셉턴스($B$) 값은 물리적 한계에 따라 다음 같은 범위로 제한한다. 여기서, $B^{\min},\: B^{\max}$는 사이리스터가 완전히 도통 또는 차단된 상태에서 얻을 수 있는 최소 및 최대 서셉턴스 값에 해당한다.

(23)
$B^{\min}\le B\le B^{\max}$

그림 12는 SVC의 Q-V 특성을 실선으로 도시한 것으로, 모델을 단순화하기 위하여 변압기 임피던스는 무시하였고 전압은 $V = V_{MV}$ [p.u.]로 가정하였다. 중앙의 거의 수평인 구간은 식 (21), 식 (22)에서 제시된 비례 제어 법칙에 따라 결정되며, 이론적으로는 평탄하지만 SVC의 유한이득 $K$(25 ~ 100)으로 인해 미세한 기울기(droop)가 발생한다.

가변 서셉턴스가 최소값($B^{\min}$) 또는 최대값($B^{\max}$)에 도달하면, 포물선 구간에서는 식 (21)에 따라 $Q = BV^{2}$ 관계가 되어 전압이 포물선 곡선을 따라 변동한다. 이 구간에서는 SVC의 더 이상 무효전력 보상이 사실상 불가능함으로, 무효 전력 보상제어는 식 (23)에서 정한 제한 범위 내에서 이루어져야 한다[5-9].

그림 12. SVC의 정상상태 특성

Fig. 12. Steady-state characteristic of SVC

../../Resources/kiee/KIEE.2025.74.11.1763/fig12.png

SVC는 전압 레귤레이터 모드(Voltage regulator mode)에서 동작하며 제어 구조는 그림 13에 나타나 있다. SVC는 전압 제어 대상 지점인 PCC(Point of Common Coupling)에서 실시간으로 전압을 측정하고 기준전압과 비교하여 전압 오차를 계산한다. 계산된 오차는 전압 제어기에 입력되어 제어기에서 생성된 출력 신호는 SVC 신호발생기(SVC signal generator)로 트리거 신호(trigger signal)를 전송하는 데 사용된다. 이 트리거 신호는 TSC의 투입과 차단을 제어하고, 동시에 TCR의 점호각(firing angle)을 산정하여 리액터의 도통 범위를 조정하게 된다. 이러한 제어 메커니즘을 통해 SVC는 무효전력의 출력을 실시간으로 조절하며, PCC 버스 전압이 설정된 목표 범위 내에서 안정적으로 유지될 수 있도록 한다[12-13].

그림 13. SVC 제어 구조도

Fig. 13. Control structure diagram of SVC

../../Resources/kiee/KIEE.2025.74.11.1763/fig13.png

그림 13의 나타낸 SVC 제어기는 PCC에서 측정한 실시간 전압 $V(t)$을 기준전압 $V_{ref}$과 비교하여 전압 오차 $e(t)= V_{ref}- V(t)$를 산출한다. 이 오차 $e(t)$는 Lead-Lag 보상기, 비례-적분(PI) 제어기, 1차 저역 필터로 구성된 전압 제어기의 전달함수 $G_{c}(s)$를 통해 처리되며, 최종적으로 필요 무효전력 지령 $Q *(t)$이 산출된다[11-12].

전체 전달함수 $G_{c}(s)$는 다음과 같다.
(24)
$G_{c}(s)=\dfrac{1+s T_{1}}{1+s T_{2}}.\left(K_{p}+K_{i}\dfrac{1}{s}\right).\dfrac{1}{1+s T_{c}}$

여기서, $\dfrac{1+s T_{1}}{1+s T_{2}}$는 Lead-Lag 보상기로 위상 여유(Phase margin) 확보와 응답속도 향상에 기여하며, $\left(K_{p}+K_{i}\dfrac{1}{s}\right)$는 비례-적분 동작을 통해 정상상태 오차 제거 기능을 수행한다. $\dfrac{1}{1+s T_{c}}$는 1차 저역 필터로 고주파 잡음 억제 및 하드웨어 지연 특성 모델링에 사용된다. 식 (21)에서 산출된 무효전력 지령 $Q *(t)$은 PCC 전압의 제곱 $V^{2}(t)$과 계통 기준전력 $S_{b ase}$로 정규화(Normalized)되어 식 (25)와 같이 서셉턴스 명령 $B_{cmd}(t)$로 변환된다.

(25)
$B_{cmd}(t)=\dfrac{Q *(t)}{V LSUP 2(t)\bullet S_{b ase}}$

이 명령 값($B_{cmd}(t)$)은 SVC 신호발생기(SVC signal generator)로 전달되며, $B_{cmd}(t)>0$일 경우에는 TSC가 투입되어 용량성 무효전력이 공급되고, $B_{cmd}(t)<0$일 경우에는 TCR이 차단되어 유도성 무효전력이 흡수된다. 이때, TCR의 점호각($\alpha$)은 비선형 함수식 (26)을 통해 계산되어 TCR의 유효 서셉턴스 $B_{tcr}(\alpha)$가 결정된다.

(26)
$B_{tcr}(\alpha)= -\dfrac{1}{\pi X_{L}}(\pi -2\alpha +\sin 2\alpha)$

산출된 점호각($\alpha$)은 전원 영점 교차(zero crossing)를 기준으로 한 지연시간($t_{d elay}=\alpha /2\pi f$) 만큼 경과 후, 약 100㎲ 폭의 firing pulse로 변환되어 SCR(Thyristor) 게이트에 인가된다. 최종적으로 TCR 또는 TSC의 스위칭을 통해 형성한 실제 서셉턴스 $B_{SVC}$는 식 (27)에 따라 계통에 공급 또는 흡수된 실제 보상된 무효전력 $Q_{SVC}(t)$를 결정하며, PCC 전압을 기준값 대비 ±5% 이내로 안정적으로 유지한다[14-15].

(27)
$Q_{SVC}(t)= V^{2}(t)S_{b ase}B_{SVC}(t)$

점호각($\alpha$)의 유효범위는 $90^{\circ}\le\alpha\le 180^{\circ}$로 제한되며, 주기당 변화량은 $\Delta\alpha\le 5^{\circ}$이내로 제어되어 SCR의 전류 변화율($di/dt$)로 인한 스트레스 및 고조파 발생을 효과적으로 억제한다. 이와 같이, “전압 오차 → 무효전력 지령 → 서셉턴스 명령 → 점호각 → 게이트 펄스 생성”으로 이어지는 단일 폐루프 구조의 SVC 전압 제어기는 PCC 전압을 기준값에 실시간으로 정밀하게 유지함으로써, 도시철도와 같이 부하 변동이 큰 전력 계통 환경에서도 고속 응답성과 높은 신뢰성을 제공한다[14-21].

3.4.2 STATCOM 기반 무효전력 제어 메커니즘

STATCOM(Static Synchronous Compensator)은 전압원형 컨버터(VSC : Voltage Source Converter)를 이용하여 교류 계통에 무효전력을 실시간으로 주입하거나 흡수할 수 있는 전력 전자식 동적 보상 장치이다. 이 장치는 인버터를 반도체 소자로 구성하여 계통의 전압강하 시에도 무효전력을 안정적으로 공급할 수 있다. STATCOM은 연결점(PCC) 전압($V$)과 컨버터의 AC 출력전압($V_{conv}$) 간의 크기와 위상차를 동적으로 조절하여 계통에 무효전력을 주입하거나 흡수되는 방향과 크기를 결정한다. 출력전압($V_{conv}$)이 PCC 전압($V$)보다 높으면 계통에 용량성 무효전력을 주입하고, 반대로 출력전압($V_{conv}$)이 PCC 전압($V$)보다 낮으면 유도성 무효전력을 흡수한다. 이러한 STATCOM의 무효전력 흐름은 다음과 같이 표현된다. 여기서, $I_{conv}$은 STATCOM 컨버터에서 계통으로 주입 또는 흡수되는 무효전류 성분이다[16-17].

(28)
$Q_{STATCOM}= V\bullet I_{conv}$

또한, STATCOM은 PWM(Pulse Width Modulation) 방식으로 출력전압($V_{conv}$)의 크기와 위상을 실시간으로 제어하여 PCC 전압($V$) 변화에 빠르게 대응할 수 있다. 제어기에서는 계통 전압($V$)과 기준전압($V_{ref}$)의 오차를 PI 제어기에 입력하여 최적의 무효전력 보상이 이루어지도록 VSC의 출력전압($V_{conv}$)을 조정한다[16-17].

그림 14는 STATCOM의 제어 구조를 나타낸 것으로, 계통 연결점(PCC)의 전압($V$)과 기준전압($V_{ref}$)의 오차를 PI 제어기로 연산하여 VSC의 AC 출력전압($V_{conv}$)을 제어하는 전체 제어 블록을 개략적으로 도시하였다.

그림 14. STATCOM 제어 구조도

Fig. 14. Control structure diagram of STATCOM

../../Resources/kiee/KIEE.2025.74.11.1763/fig14.png

4. Simulation

4.1 도시철도 역사 전력 계통 모델링

그림 15은 인천지하철 1호선 역사의 전력 계통 등가회로를 모델링한 것으로, 변압기 내부 기전력($E_{g}$)​과 내부 임피던스($X_{d}$), 총 리액턴스($X=X_{d}+X_{L}$)를 통해 부하 측 단자전압($V_{Load}$​)을 결정되는 구조이다. 역사 내 유도성 부하가 증가하면 무효전류($I_{a}$) 및 무효전력($Q$) 소비가 증가하고 리액턴스를 따라 전압강하($jXI_{a}$)가 발생하여 부하 측 단자전압($V_{Load}$​)이 저하된다. 이러한 관계를 전압방정식 (29)으로 표현된다.

그림 15. 인천도시철도 1호선 작전변전소 계통 등가회로

Fig. 15. Equivalent circuit model of the Incheon Metro Line 1 Jakjeon substation

../../Resources/kiee/KIEE.2025.74.11.1763/fig15.png
(29)
$V_{Load}= E_{g}- jXI_{a}$

그림 16그림 15에서 제시한 등가회로를 전압과 전류의 페이저도로 나타낸 것이다. 유도성 부하에 의해 전류가 전압보다 지연(lagging)될 경우, 위상각($\theta$)이 증가하여 무효전력($Q$) 소비가 증가하고, 전압강하가 심화되어 부하 측 단자전압이 저하된다. 또한 계통 전류 및 변압기 부하전류가 커질수록 전압안정도는 더욱 악화된다.

그림 16. 유도성 부하 위상각에 따른 전압-전류의 페이저도

Fig. 16. Phasor Diagram of voltage and current with lagging Load angle

../../Resources/kiee/KIEE.2025.74.11.1763/fig16.png

도시철도 역사에는 냉난방, 공조설비, 승강기 설비 등 유도성 부하가 집중되어 있기 때문에 계통의 무효전력 수요가 크게 증가한다. 이로 인해 부하 측 전압은 외란에 민감하게 반응하여 전압 불안정이나 계통 신뢰도 저하로 쉽게 이어질 수 있다. 이러한 환경에서는 전압 유지와 계통의 신뢰성 확보를 위하여 무효전력 보상 장치의 적용을 통해 전류의 위상각을 줄이고, 리액턴스에 의한 전압강하를 완화함으로써 변압기, 보호계전기 등 주요 전력 설비의 운전 여유도(operating margin)를 효율적으로 확보할 수 있다[7-18].

4.2 시스템 주요 파라미터 산정

본 연구에서는 인천도시철도 1호선 작전변전소 전력 계통의 정상 운전 특성과 전압안정도 해석을 정량적으로 분석하고 이를 시뮬레이션 모델에 반영하기 위하여 실제 현장 데이터를 기반으로 주요 설비 및 수ㆍ배전선로의 파라미터를 다음과 같이 산정하였다[24-26].

표 1 전력계통 주요 파라미터

Table 1 Main Parameters of Power system at Jakjeon substation

구분(규격)

임피던스[Ω]

R

X

Z

3.7987

26.1924

26.7458

한전 부스(154kV, 100[MVA])

0.0059

0.0756

0.0758

한전 변압기(154/22.9kV, 60[MVA])

0.0000

12.8719

12.8719

작전S/S 수전선로(22.9kV)

0.1348

0.2030

0.2437

고배용 변압기(22.9/6.6kV, 5,500[KVA])

0.0589

0.4715

0.4752

고배선로(6.6kV)

0.0015

0.0026

0.0030

소내용변압기(6.6kV/380-220V, 100[KVA])

3.5898

12.5653

13.0680

소내용선로(380V)

0.0078

0.0025

0.0082

표 2 배전계통 주요 파라미터

Table 2 Main Parameters of Distribution Feeders at Jakjeon substation

구분

케이블

길이[km]

길이당

임피던스[Ω/㎞]

임피던스[Ω]

R

X

R

X

5.837

1.4284

0.8436

작전 S/S ~ 작전 E/R

0.261

0.0756

0.129

0.0197

0.0337

경인교대 E/R ~ 작전 E/R

1.004

0.614

0.167

0.6165

0.1677

작전 ER ~ 갈산 E/R

1.398

0.157

0.139

0.2195

0.1943

갈산 ER ~ 부평구청 E/R

1.036

0.157

0.139

0.1627

0.1440

부평구청 ER ~ 부평시장 E/R

1.173

0.157

0.139

0.1842

0.1630

부평시장 ER ~ 부평 E/R

0.965

0.234

0.146

0.2258

0.1409

4.3 모델링 및 시나리오 따른 시뮬레이션 결과

본 연구에서는 인천도시철도 1호선 역사 전력 계통의 동특성을 검증하기 위하여 실제 운영환경을 반영한 등가모델을 MATLAB/Simulink 환경에서 구현하였다. KEPCO로부터 전원을 공급받는 작전변전소를 중심으로 변압기, 송ㆍ배전선로, 각 역사별 부하 등을 포함하여 모델링하였다. 각 계통 요소의 용량과 파라미터는 실제 인천도시철도 1호선의 설비 사양을 근거로 선정하였으며, 부하 특성 또한 각 역사의 실수요를 최대한 반영하였다. 동일한 시스템 환경에서 SVC와 STATCOM을 적용하여 전압 제어와 무효전력 보상 성능을 정량적으로 분석하였고, 시나리오 설계 시 부하 집중 상황, 계절 및 시간대별 피크 부하, 기준전압의 변화 등 실제 운영환경을 충분히 고려하였다. 분석 결과, SVC 또는 STATCOM 무효전력 보상장치를 도입할 경우, 무효전력 보상을 통해 전압과 무효전력 응답 특성이 개선되었으며, 설비 운전 여유와 전압안정도가 효과적으로 향상됨을 확인하였다.

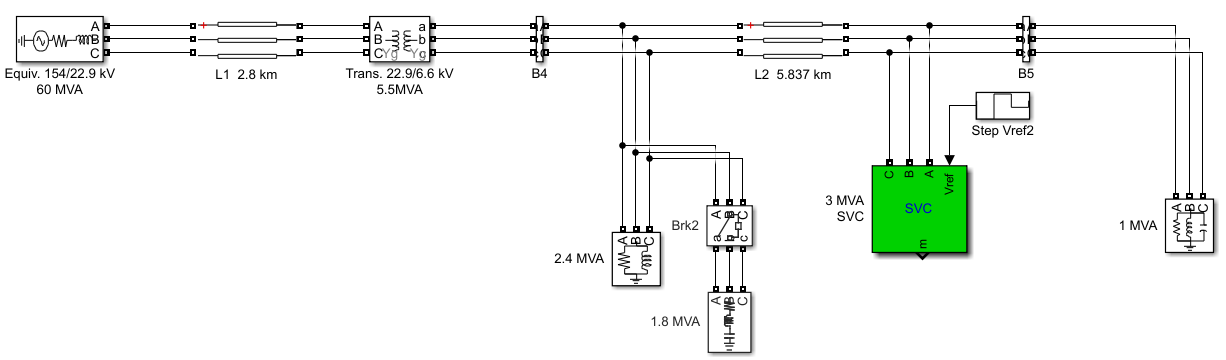
그림 17그림 18은 인천도시철도 1호선 역사 전력 계통의 특성을 반영한 등가 모델에 SVC와 STATCOM 무효전력 보상장치를 적용한 사례를 나타낸다.

그림 17. SVC 보상이 적용된 역사 전력 계통 모델링

Fig. 17. Power system model of Incheon Metro Line 1 stations with SVC compensation

../../Resources/kiee/KIEE.2025.74.11.1763/fig17.png

그림 18. STATCOM 보상이 적용된 역사 전력 계통 모델링

Fig. 18. Power system model of Incheon Metro Line 1 stations with STATCOM compensation

../../Resources/kiee/KIEE.2025.74.11.1763/fig18.png

그림 19는 무효전력 보상장치가 적용되지 않은 상태에서의 모선 전압(bus voltage)의 변화를 나타낸다. 시뮬레이션 조건에서는 [2,4,6,8] 초 시점에 유도성 집중부하가 단계적으로 투입/차단되도록 설정하였다. 이에 따라 모선 전압은 기준값(Vref) 0.9675 [p.u.]에서 최저 0.9115 [p.u.]까지 저하되는 것으로 나타났다. 이는 역사 내 냉난방 설비, 환기 및 공조설비, 승강설비 등 유도성 부하가 집중될 경우, 전력 계통의 무효전력 수요가 증가하여 전압강하가 발생하고 전압안정도가 저하되는 전형적인 특성을 보여준다.

그림 19. 무보상 상태에서 Bus 전압의 변화 특성

Fig. 19. Bus voltage characteristics under uncompensated condition

../../Resources/kiee/KIEE.2025.74.11.1763/fig19.png

그림 20은 SVC 보상장치를 적용했을 때의 모선 전압 변화를 나타낸다. 시뮬레이션 조건은 무보상 상태와 동일하게 설정하였다. SVC를 적용한 경우, 모선 전압은 기준값(0.9675 [p.u.]) 부근에서 안정적으로 유지되었다. 유도성 집중부하 투입 시 순간적인 부하 변동에 따라 전압의 과도응답으로 최대 1.0100 [p.u], 최소 0.9412 [p.u]가 발생하였다. 이는 SVC 제어 시스템의 무효전력 보상 동작에 따른 응답 특성에 따른 현상으로, 집중부하 차단 후 신속하게 기준값으로 복원되었다. 따라서 SVC 보상장치는 부하 변동으로 인한 전압강하를 효과적으로 억제하고 전압안정도 측면에서 우수한 성능을 나타냈으나, 과도 시점 이후 파형에서 일부 리플(ripple) 발생을 확인하였다.

그림 20. SVC 보상 상태에서 Bus 전압의 변화 특성

Fig. 20. Bus voltage characteristics with SVC Compensation

../../Resources/kiee/KIEE.2025.74.11.1763/fig20.png

그림 21은 STATCOM 보상장치를 적용했을 때의 모선 전압 변화를 나타낸다. 시뮬레이션 조건은 무보상 및 SVC 적용과 동일하게 설정하였다. STATCOM 적용 시 모선 전압은 기준값(0.9675 [p.u.])에서 안정적으로 유지되었으며, 유도성 집중부하 투입 시 전압의 과도응답 최대 1.0290 [p.u], 최소 0.9114 [p.u]가 발생하였다. 이는 STATCOM의 전압원 기반 제어 특성에 따라 빠른 응답 특성과 우수한 파형 안정성을 나타냈다. 다만 집중부하 투입 시 과도 시점의 최대 전압은 SVC 보다 크게 발생했으나, 집중부하 차단 후 모선 전압은 지연 없이 신속하게 기준값으로 복원되었고, SVC와 달리 과도 노이즈(ripple)가 거의 발생하지 않았다. 따라서 STATCOM은 정상상태 전압안정도 측면에서 우수한 성능을 확인하였으나, 과도 시점에서는 전압 변동 폭이 상대적으로 크게 나타날 수 있음을 확인하였다.

그림 21. STATCOM 보상 상태에서 Bus 전압의 변화 특성

Fig. 21. Bus voltage characteristics with STATCOM Compensation

../../Resources/kiee/KIEE.2025.74.11.1763/fig21.png

그림 22는 무보상 상태, SVC, STATCOM 보상장치가 적용되었을 때의 모선 전압 응답을 비교한 것이다. 무보상 상태에서는 유도성 집중부하 투입 시 전압이 기준값(0.9675 [p.u.])에서 최저 0.9115 [p.u.]까지 급격히 저하되어 정상상태의 전압 유지가 어려움을 확인하였다. SVC 적용 시 전압강하는 효과적으로 억제되어 기준값 부근에서 전압이 유지되었으나, 과도 시점 이후 파형에서 일부 리플(ripple)이 발생하였다. 반면 STATCOM 적용 시에는 정상상태에서 리플이 거의 발생하지 않았고, 집중 부하 차단 후 전압이 지연 없이 신속하게 기준값으로 복원되었다. 다만 집중부하 투입 시 과도 전압 변동 폭은 SVC보다 크게 나타났다. STATCOM은 정상상태 전압 안정성 측면에서 가장 우수한 성능을 보였다. SVC는 과도 시점에서 전압 변동 폭을 상대적으로 작게 억제하는 특성을 보였다. 두 보상장치 모두 역사 내 유도성 부하가 집중 시 무효전력을 신속하게 공급하여 전압강하를 억제하고 전압안정도 향상에 효과적임을 확인하였다.

그림 22. 무보상, SVC, STATCOM 적용 시 Bus 전압 응답 특성

Fig. 22. Comparison of bus voltage response characteristics under uncompensated, SVC and STATCOM conditions

../../Resources/kiee/KIEE.2025.74.11.1763/fig22.png

그림 23은 무효전력 보상(공급흡수)에 따라 계통의 P-V(Nose) 곡선 변화를 MATLAB 시뮬레이션을 이용해 구현한 결과이다. 이는 무효전력 보상 변화에 따라 최대 전력 전송 한계가 어떻게 달라지는지 보여준다. 무보상 상태($Q=0$)에서 전압이 점진적으로 저하되며 Nose point에 도달한다. 이때 무효전력을 공급(Q=injection) 할수록 Nose point가 우측으로 이동하며 계통이 허용할 수 있는 최대 유효전력($P_{\max}$)의 한계가 확장된다. 반대로 무효전력을 흡수(Q=absorb)하는 경우, Nose point가 좌측으로 이동하면서 최대 전력 전송 한계가 감소하는 현상을 확인하였다.

그림 23. 무효전력 보상에 따른 P-V (Nose) 곡선 및 최대 전력 전송 한계 변화

Fig. 23. Effect of Reactive Power Compensation on P–V (Nose) Curves and Maximum Power Transfer Margin

../../Resources/kiee/KIEE.2025.74.11.1763/fig23.png

그림 24는 계통에서 서로 다른 부하 조건별에 따른 전압-무효전력 특성 곡선(V-Q Curve)을 MATLAB 시뮬레이션을 이용해 구현한 결과이다. 부하가 증가할수록(P1→P4) 곡선의 최저점이 오른쪽과 위쪽으로 이동하며, 이는 계통이 전압을 안정적으로 유지하기 위해서는 더 많은 무효전력($Q$)을 필요로 하고 그만큼 운전 여유도(operation margin)와 전압안정도(Voltage stability)가 저하됨을 의미한다. 특히, P4 곡선은 임계 부하를 초과하여 전압붕괴(Voltage collapse)가 발생하는 한계 상태를 보여준다. 반대로 외부에서 충분한 무효전력을 공급하면 V-Q 곡선의 최저점이 왼쪽과 아래쪽으로 이동하여 운전 여유도가 증가하고 전압안정도가 향상된다. 즉, 무효전력 보상을 통해 계통의 허용 부하 범위와 전압 안정 구간의 여유도를 확대할 수 있음을 확인하였다. 이는 추가 설비 증설 없이도 안전하고 신뢰성 높은 계통 운전이 가능함을 의미한다.

그림 24. 무효전력 보상 및 전압붕괴 한계에 따른 V-Q 특성 곡선

Fig. 24. Characteristics of V-Q curves according to Reactive Power compensation and Voltage Collapse Limit

../../Resources/kiee/KIEE.2025.74.11.1763/fig24.png

5. 결 론

본 연구에서는 인천도시철도 1호선 역사 전력 계통을 대상으로, 유도성 부하 집중에 따라 발생하는 전압강하 및 무효전력 수요 증가 문제에 대해 무효전력 보상의 효과를 정량적으로 분석하였다. 실제 계통 데이터를 기반으로 주요 파라미터를 산정하고, P-V(nose) 곡선 및 V-Q 곡선 해석과 MATLAB/Simulink 시뮬레이션을 통해 무효전력 보상 적용 전ㆍ후의 동특성을 비교하였다.

P-V 곡선 해석 결과, 부하가 증가할수록 계통 전압이 급격히 저하되고 최대 전력 전송 한계점(Nose point)에 근접하게 되어 전압붕괴 위험이 커짐을 확인하였다. 무효전력 보상을 적용하면 안정적 전압 유지 구간이 확장되고 계통의 최대 운전 여유도가 증가함을 시뮬레이션을 통해 검증하였다. 또한, V-Q 곡선 해석을 통해 무효전력 보상에 따른 전압 변동 특성을 분석하였으며, 무효전력 보상량(Var margin)이 확보될 경우, 전압안정도가 크게 향상됨을 확인하였다. 무보상 상태에서는 부하 증가에 따라 정상 운전 영역이 축소되지만, SVC 또는 STATCOM 무효전력 보상장치를 적용하면 무효전력 여유가 확보되어 시스템의 운전 안정성이 개선됨을 확인하였다.

결론적으로, 본 연구는 P-V 곡선 및 V-Q 곡선 해석과 실제 계통 기반 MATLAB/Simulink 시뮬레이션을 통해, 부하 변동이 큰 도시철도 전력 계통에서 추가 설비 증설 없이도 실시간 무효전력 보상을 통해 전압안정도를 향상하고 설비 운전 여유도를 효과적으로 증대할 수 있음을 입증하였다.

References

1 
Incheon Transit Corporation, “Statistical Analysis of Power System Operation for Line 1 in 2024,” pp 1-10. 2024.URL
2 
Incheon Transit Corporation, “Power Demand (Peak) Management Plan for Line 1 in 2025,” pp 1-10. 2024.URL
3 
H. Singh, I. Musirin, M. M. Othman, “Power System Maximum Loadability with Generation Constraints,” Proc. of IFAC Symposium on Power Plants and Power Systems Control, Kananaskis, Canada, pp. 371-376, 2006. DOI:10.1016/B978-008046620-0/50062-1DOI
4 
M. Benidris, S. Sulaeman, Y. Tian and J. Mitra, “Reactive Power Compensation for Reliability Improvement of Power Systems,” Proc. of the North American Power Symposium (NAPS), pp. 1-5, 2012.DOI
5 
T. Van Cutsem and C. Vournas, “Voltage Stability of Electric Power Systems,” Kluwer Academic Publishers, pp. 25-57, 1998. DOI:10.1007/978-0-387-75536-6DOI
6 
B. Kalyan Kumar, “Power System Stability and Control,” Indian Institute of Technology Madras, Chennai, India, pp. 8.1-8.12, 2015.URL
7 
P. Kundur, “Power System Stability and Control,” McGraw -Hill, New York, pp. 959-1025, 1994.URL
8 
M. Pikulski, “Controlled Sources of Reactive Power Used for Improving Voltage Stability,” 10th Semester Project Report, Aalborg Univ, Denmark, pp. 11-42. Jun. 2008.URL
9 
T. Van Cutsem, “Voltage Instability : Phenomena, Countermeasures, and Analysis Methods,” Proceedings of the IEEE, vol. 88, no. 2, pp. 208-227, Feb. 2000. DOI:10.1109/5.823999DOI
10 
H. Sato, “Computation of Power System Loadability Limits,” IEEE Trans. on Power Systems, vol. 17, no. 4, pp. 1707-1711, Nov. 2002. DOI:10.1109/TDC.2002.1177711DOI
11 
CANTEACH, “Course 233, Module 8, Generator and Transmission Line Stability,” pp. 1-41. 1992.URL
12 
J. Qi, W. Zhao and X. Bian, “Comparative Study of SVC and STATCOM Reactive Power Compensation for Prosumer Microgrids With DFIG-Based Wind Farm Integration,” IEEE Access, vol. 8, pp. 1-12, 2020. DOI:10.1109/ACCESS.2020.3033058DOI
13 
V. Jesudoss, K. Balachander, A. Amudha, M. Sivaramkuma, and S. Divyapriya, “Reactive Power Compensation in a Three Phase Four Wire Distribution System Using DSTATCOM with Fuzzy Logic Controller,” J. Adv. Research in Dynamical and Control Systems, vol. 10, no. 5, pp. 1109-1127, 2018.URL
14 
NPTEL, “Chapter 10 : Compensation of Power Transmission Systems,” Power System Analysis, IIT Kanpur, pp. 180-199. 2013.URL
15 
Siti Saodah, I. M. W. Kastawan, Erwin Yusuf, B. P. Manunggal and Maryanti, “Simulation of Effects of Using Capacitor for Reactive Power (VAR) Compensation on Electrical Power Supply Quality,” Atlantis Highlights in Engineering, vol. 9, pp. 168-174, 2022. DOI:10.2991/ahe.k.220205.029DOI
16 
Mazhar Ali, “Computation of Loadability Limit in Power System based on Newton-Bisection Algorithm,” in Proceedings of the 2016 IEEE International Conference on Power and Energy (POWERCON), Wollongong, Australia, pp. 1-6, Sept. 2016. DOI: 10.1109/POWERCON.2016.7754048DOI
17 
Kuwar Yatendra, Satyendra Singh and Pushkar Tripathi, “Power System Performance Analysis with STATCOM along with Distance Protection Scheme,” Journal of Emerging Technologies and Innovative Research (JETIR), vol. 6, no. 6, pp. 1-5, June 2019.URL
18 
C. H. Hong and J. W. Lee, “A Study on Static Var Compensator Using PID Control,” Proceedings of the 2013 Autumn Conference of the Korean Society for Railway, pp. 735-739, 2013.URL
19 
K. H. Son, K. H. Choi, S. I. Kim and H. S. Jung, “A Study on Voltage Unbalance Compensation Using SVC in Electric Railway Power Supply Systems,” Proceedings of the 2011 Autumn Conference of the Korean Society for Railway, pp. 3124-3132, 2011.URL
20 
K. H. Jeon, H. J. Kim, H. W. Lee and B. G. Lee, “Application of SVC (TSC+TCR) and Verification of Automatic Control Algorithm Based on RTDS HILS Test for Voltage and Power Factor Compensation in Railway Power Supply Systems,” Journal of the Korean Society for Railway, vol. 25, no. 10, pp. 694-702, 2022. DOI:10.7782/JKSR.2022.25.10.694DOI
21 
J. H. Kim, D. Y. Lee and K. H. Son, “Voltage Drop Compensation in Electric Railway Power Supply Systems Using SVC,” The Transactions of the Korean Institute of Electrical Engineers, vol. 58, no. 1, pp. 11-17, 2009.URL
22 
Lee, J.-K., Oh, J.-K. & Kim, J.-O., “A Study on System Stability Improvement of Power System with High Speed Electric Railway Using STATCOM,” Journal of the Korean Institute of Electrical Engineers, vol. 52A, no. 11, pp. 625-631, 2003.URL
23 
B. H. Lee and J. M. Baek, “A Study on a New Power Flow Method for Analysis of AC Electric Railway System and Improvement of Voltage Drop Using a STATCOM,” Journal of the Korean Institute of Electrical Engineers, vol. 56, no. 4, pp. 669-676, 2007.URL
24 
Incheon Metropolitan City Urban Railroad Construction Headquarters, “Design Calculation Report for Transmission and Distribution Facilities of Incheon Subway Line 1,” pp. 2-130, 1996.URL
25 
Incheon Transit Corporation, “Textbook for Railway Job Training in the Electrical Field: Overview of Power Facilities,” pp. 41-102, 2022.URL
26 
Incheon Transit Corporation, “Operation Manual for Electrical Equipment Maintenance,” pp. 1-228, 2025.URL

저자소개

임종훈(Jong-Hun Lim)
../../Resources/kiee/KIEE.2025.74.11.1763/au1.png

He received his M.S. degree in Electronic Engineering from Incheon National University, Korea. currently he is pursuing his Ph.D. degree in Seoul National University of Science and Technology, Korea. His research interests include railway power systems, reactive power compensation, and voltage stability analysis.

E-mail : onlysu23@ictr.or.kr

김경화(Kyeong-Hwa Kim)
../../Resources/kiee/KIEE.2025.74.11.1763/au2.png

He received his B.S. degree in Electrical Engineering from Hanyang University, Korea, in 1991, and the M.S. and Ph.D. degrees in Electrical and Electronic Engineering from KAIST, Korea, in 1993 and 1998, respectively. Since 2002, he has been a Professor in the Department of Electrical and Information Engineering at Seoul National University of Science and Technology, Korea. His research interests include power systems, power electronics, and control of railway electrical systems.

E-mail : k2h1@seoultech.ac.kr