방형필
(Hyeongpil Bang)
1iD
최장흠
(Jang-Heum Choi)
1iD
문승필
(Seungpil Moon)
1iD
신정훈
(Jeonghoon Shin)
†iD
-
(KEPCO Research Institute, Republic of Korea.)
Copyright © The Korea Institute for Structural Maintenance and Inspection
Key words
Power System Flexibility, Flywheel Synchronous Condenser, GFM(Grid Forming Inverter)
1. 서 론
전 세계는 기후변화대응과 지속 가능한 발전을 위하여 탄소중립을 위한 재생에너지 확대 정책에 크게 비중을 두고 있으며, 전력산업은 탄소중립을 위한
방향으로 변화중이다. 풍력, 태양광 발전과 같은 인버터 기반의 전원(Inverter Based Resource, IBR)의 비중이 증가하면서 기존의
동기발전기의 전원구성 비중이 감소함에 따라 전력계통의 관성과 강건도의 저하가 예상된다[1]. 전력계통 내 강건도 저하에 따른 HVDC 및 TCSC와 같은 대용량 인버터 설비를 대상으로 운영시 요구되는 최소한의 계통강건도를 만족할 수 없어
전력계통의 운영신뢰도를 확보하기 어려울 수 있으며, 관성 저하에 따른 대규모 사고 발생시 주파수안정도 미확보 및 보호계전기 오동작 등의 문제를 야기할
수 있다[2].
전통적으로 계통 관성은 동기발전기의 회전에너지에 의해 공급되었으나, 전력전자 기반의 전력변환장치인 인버터의 특성상 물리적 관성에너지를 직접적으로 제공하지
못한다. 최근에는 플라이휠이 포함된 고관성 동기조상기(Flywheel Synchronous Condenser, 이하 FW-SC)로 관성에너지를 인위적으로
공급하거나 회전관성과 유사한 효과를 구현할 수 있는 그리드포밍인버터(Grid Forming Inverter, 이하 GFM) 기술이 해외전력망에 적용된
사례를 찾아볼 수 있다[3-4]. FW-SC는 고질량 회전체(Flywheel)를 이용하여 물리적 관성을 제공하고 동기조상기의 무효전력 조정기능을 통해 전압안정성에 기여할 수 있고[5], GFM은 PLL(Phase Locked Loop)제어가 없는 전력변환제어를 통해 가상관성과 전압을 생성하여 전력계통에 전원공급을 할 수 있는 것으로
알려져 있다[6].
본 연구에서는 재생에너지 수용력 증대를 위해 관성제공기술의 적용효과를 분석하기 위하여 FW-SC와 GFM을 계통에 연계했을때 동특성 변화를 검토하여
주파수안정도, 전압유지 등 계통에 미치는 영향을 전력계통 해석툴(PSS/E) 기반의 해석모의로 분석하고, 향후 재생에너지확대 계통에서의 적용 가능성을
제시하고자 한다.
2. 인버터 기반의 재생에너지 전원 확대에 따른 전력계통 현황
최근의 전력계통은 화석연료 기반의 대형 동기발전기에서 풍력,태양광 등 재생에너지 중심의 분산형 전원구조로 빠르게 변화하고 있다. 이러한 변화의 핵심에는
IBR의 확대가 있으며, 기존의 동기발전기의 전원 구성 및 가동률이 감소하여 계통 내 회전에너지가 저하되고, 전력조류가 분산화되어 지역별 전압 및
주파수 제어의 복잡성이 증가하였다. 이런 복합적인 변화는 그림 1과 같이 전력계통의 주파수안정도에 직접적으로 영향을 미치게 되며 관성부족에 따른 사고직후 주파수변화율(Rate of Change of Frequency,
이하 ROCOF)의 증가로 UFR 동작치에 빠르게 도달할 수 있으며, 동시에 최저주파수 (Frequency Nadir)가 낮아질 수 있다[7]. 이러한 관성부족 현상은 계통주파수를 정상화 하기 위해 1, 2차 주파수 복구 구간에서 더 많은 보조서비스가 필요할 수 있다[8].
그림 1. 재생에너지 증가에 따른 계통주파수의 특성 변화
Fig. 1. Changes in Frequency Characteristics due to increased Renewable Energy
또한, IBR에서 공급되는 무효전력은 제어의 지연성, 전력전자의 출력 제한 등으로 동기발전기로부터 공급되는 무효전력 공급능력과 비교하여 전압안정성
확보 측면에서 한계가 존재할 것이다.
즉, IBR 기반의 재생에너지 확대는 탄소중립과 에너지 전환 측면에서는 필수적이지만, 계통관성 저하와 주파수, 전압 안정성 약화라는 복합적인 현상을
갖게 된다. 따라서, 이러한 구조적 변화를 보완하기 위해 관성제공기술인 FW-SC와 GFM과 같은 기술적 대응이 필요한 것으로 판단된다.
3. 관성제공기술의 확대
동기발전기의 감소와 IBR의 확대는 관성저하, 단락용량 감소, 전압 및 주파수 안정도 약화를 동반하게 된다. 본 장에서는 이러한 현상에 대응할 수
있는 FW-SC와 GFM의 기술에 대한 원리와 적용방안을 설명하고자 한다.
3.1 고관성 동기조상기(Flywheel Synchronous Condenser)
고관성 동기조상기는 기본적으로 Free-Spinning Electric Machine으로 AC계통에 연계되어 무효전력을 동적으로 공급 또는 흡수하는
설비로서 Flywheel과 같은 질량을 가진 회전체를 연결하여 동기조상기에 해당하는 관성 외에 추가 관성을 제공할 수 있도록 설계된 설비이다. 동기발전기와
유사하게 여자기(Exciter)를 이용하여 무효전력을 지원할 수 있도록 설계되어 있으며, 계통의 정상상태에서는 유효전력을 공급하지 않고 P-Q Diagram
상 Q축만을 이용하여 무효전력 공급 및 흡수 제어를 한다[9].
전력계통에서 대규모 외란이 발생하여 주파수 변동이 발생하면 주파수 편차에 즉각 대응하여 유효전력을 흡수 또는 방출한다. 즉, 회전운동에너지의 형태로
플라이휠에 에너지를 보유하면서 회전체의 회전을 방해하는 외부의 운동이 발생하면 이 운동의 변동을 억제하는 관성을 제공하는 플라이휠의 원리를 이용하여,
전력계통 이상에 따른 계통 주파수의 변동을 억제하는 기능을 수행할 수 있다 이는 일반적으로 알려져 있는 회전에너지 공식과 동요방정식, ROCOF 산출식으로도
확인이 가능하다[10].
위의 식 (1), (2)에서 동기조상기의 회전자가 가진 회전링량 J와 운동에너지(Ek), 관성상수인 H와의 관계로부터, 주파수 편차를 일으키는 (Pm-Pe)와 ΔP를 동일하게
판단한다면 관성상수 H가 클수록 ROCOF이 작다. 실제로 계통주파수가 공칭 값 이상으로 상승하면 FW-SC는 회전속도를 높여 초과된 에너지를 흡수하고,
공칭값 이하로 하락하면 FW-SC는 회전속도를 낮춰 저장된 에너지를 방출한다[11].
FW-SC의 장점은 높은 충방전 피로수명, 긴 수명, 빠른응답, 높은 효율 및 충방전율 등의 장점이 있으며, 단점으로는 손실이 다른 에너지 저장장치에
비해 상대적으로 높고 파손시 대형 사고로 이어질 수 있다. 이러한 특징에도 계통 주파수 조정은 매년 수천회의 순간적인 충전과 방전이 반복적으로 일어나는
현상이라는 점을 고려했을 때 수십 μs이내의 전기적인 외란에 대응하는 매우 빠른 응답성과 높은 충반전 피로수명에 의한 인버터 기반 배터리 형태의 주파수
조정장치(BESS)에 비해 우위에 있을 수 있을 것이다.
3.2 Grid Forming Inverter (GFM)
기존의 전력계통 내 연계되어 있는 재생에너지 설비의 일반적인 인버터는 Grid Following Inverter(GFL)로서, 계통 전압의 위상 정보를
파악하기 위하여 PLL을 통해 위상각을 취득하고 이를 abc-DQ 변환에 사용한다. 이후 동기화된 계통 전압을 기준으로 전류를 제어해 상위제어기의
유·무효전력 지령을 출력한다. 최종적으로 PWM 변조 지수를 조절하며 출력을 제어한다. 이와 관련된 일반적인 GFL의 제어구조는 아래와 같다.
그림 2. GFL 인버터의 일반적인 제어구조
Fig. 2. General Control Scheme for GFL
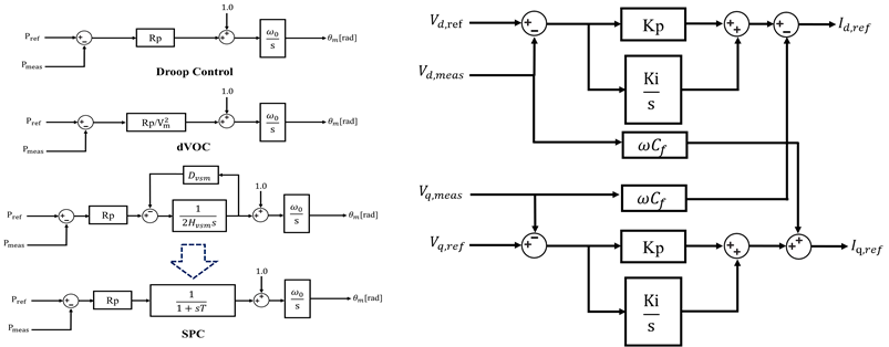
GFM 인버터는 측정한 유효전력과 무효전력을 바탕으로 오차 값에 해당하는 변화에 적용하기 위해 전압 및 전류 제어기에 새로운 지령치를 제공한다. 즉
전압원의 형태로서 PLL 없이 인버터 내부의 위상, 주파수, 전압 기준을 형성한다. GFM의 제어는 다양한 방식이 존재하지만 기본적인 제어는 Droop을
이용해 주파수와 전압 크기의 변화량을 얻는 방식이다. 출력되는 유·무효전력에 따른 P-f, Q-V의 Droop 식에 의한 전압 및 주파수 동작이 적용된다.
유효 및 무효전력의 Droop을 통해 위상각을 얻고, 전압 및 전류 컨트롤러를 지나 PWM을 생성함으로써 출력제어를 수행하게 된다.
그림 3. GFM 인버터의 일반적인 제어구조
Fig. 3. General Control Scheme for GFM
이러한 GFM의 Droop제어 방식은 FW-SC의 관성상수(H)에 직접적으로 영향을 미치는 것과 다르게 계통주파수 편차의 댐핑만을 제공할 수 있다.
위의 식 (4), (5)과 같이, GFM의 Droop 제어에서는 계통의 주파수 및 전압에 대해 인버터 내부 기준(Freqref,Vref)를 가지고 계통주파수 및 전압의 현상에
따라 유·무효전력을 공급할뿐, 직접적인 관성제공에는 한계가 있다. 물론, GFM 인버터에서 제공할 수 있는 제어방식 중 VSM(Virtual Synchronous
Machine), dVOC(dispatchable Virtual Oscillator Control)가 존재하는 것으로 알려져 있으나 각각 가상의 임피던스를
포함한 전압원 제어 방식(식 (6))과 가상댐핑제어 방식이기 때문에 Droop 제어방식과 마찬가지로 직접적인 관성제공으로는 보기 어렵다.
즉, GFM은 물리적 관성제공을 증가 또는 감소할 수 없으나 인버터의 제어기법을 통해 등가관성 및 댐핑을 제공하여 외란 직후의 주파수·전압응답을 개선할
수 있을 것이다.
4. 관성제공기술의 계통영향분석
본 장에서는 전력계통 해석툴(PSS/E) 기반의 동적모의 해석을 통해 FW-SC와 GFM가 계통연계에 따른 영향을 분석하고자 한다. 본 모의는 재생에너지전원
비율이 높은 제주계통을 대상으로 관성제공기술의 투입에 따른 계통영향을 분석하고자 하며, 계통 내 상정고장에 따른 동적 해석 모의를 통해 FW-SC와
GFM의 관성제공 및 주파수회복, 전압보상 효과에 따른 ROCOF 및 Frequency Nadir 개선, 저전압 회복 여부, 계통발산여부 등을 확인한다.
제주계통은 154kV의 환상망형태로 가공 및 지중선로가 복합적으로 구성되어 있고 육지와 제주간의 HVDC연계선에 의한 전원공급한계, 전원수급 유지를
위한 최소발전운전 조건선로, 높은 재생에너지 비중 및 이용률과 같이 계통고장에 따른 과도안정도 확보가 어려운 전력계통이다. 이러한 관점에서 관성제공기술이
필요한 전력계통이며 관성기여에 대한 효과를 볼 수 있는 지역으로 판단된다.
4.1 FW-SC의 동적해석모델 적용
FW-SC는 기존의 동기발전기에서 터빈과 같은 원동기 부분이 생략된 형태로서, 전자기적 특성으로는 계자 전류를 제어하여 진상 및 지상의 무효전력을
방출하고, 전기기계적 특성으로 Flywheel에 저장된 회전운동에너지를 관성으로 방출한다.
그림 4. GENROU모델의 전기자기적 제어특성 [12]
Fig. 4. Electromagnetic Characteristics of GENROU
그림 5. 전기기계적 특성 (Swing Equation) [10]
Fig. 5. Electromechanical Characteristics of Swing Equation
즉, 앞서 식 (2)의 Swing Eqauation을 전기기계적 특성을 고려하여 토크(τ)와 댐핑(D)에 관하여 식을 치환하게 되면 기계적 입력인 토크와 전기적 출력(Pe)
간의 식 (7), (8)과 같은 관계를 확인 할 수 있다. 이러한 관점에서 PSS/E에서 제공되는 발전기 모델인 GENROU의 파라미터인 H,D,Mbase에 적용하면 FW-SC의
계통관성 기여여부를 판단할 수 있다. 또한, 식 (8)로부터 FW-SC의 유효전력 제공방식은 주파수변화율 (dω/dt)에 의해 제공될 수 있음을 알 수 있다
4.2 GFM의 동적해석모델 적용
본 논문에서 적용될 GFM모델은 한국전력공사 전력연구원에서 22년부터 25년까지 수행한 ‘재생E 수용력 증대기술 적용에 따른 제주계통 종합영향 평가연구’에서
개발된 GFM 모델을 적용했으며, 해당 모델은 앞서 설명된 Droop, VSM, dVOC 제어가 포함된 계통연계형 인버터 모델을 구현하였다. 계통연계형
GFM의 제어 구조는 크게 Outer Control Loop에서 위상각과 전압을 제어하고, Inner Control Loop에서 계통연계와 관련된
전압전류제어로 구성되어있다. 위상각 제어(Active Power Control, 이하 APC)는 Droop, dVOC, VSM 이 포함되어 있다.
전압제어(Reactive Power Control, 이하 RPC)는 Q Droop 제어, Q PI 제어, Vac PI 제어가 포함되어 있다. 이외에도
출력제한을 위한 GFL Mode Shift, Frequency Overload Control 기능이 탑재되어 있다.
그림 6. 개발된 GFM 제어기 구조
Fig. 6. Developed GFM Control Block
GFM의 유효전력 공급방법은 APC 제어에서 $\delta_{GFM}$에 의해 식 (9)와 같이 계산이 되고, 식 (10)의 관계에 의해 출력부호가 결정되며, 이러한 계산된 $\delta_{GFM}$에 의해 전력전송방정식인 식 (11)에 의해 유효전력 공급이 될 것이다. 즉, FW-SC와 다르게 주파수편차($\Delta f$)에 의해 유효전력을 공급할 수 있을 것이다.
4.3 검토조건
본 계통영향분석을 하기에 앞서 제주계통의 상정고장시나리오와 FW-SC 및 GFM의 계통영향 비교를 위한 설비사양은 다음 표 1, 2와 같다.
표 1 제주계통 상정고장 시나리오 이벤트
Table 1 Contingency Scenario Evnet List in Jeju
|
시간
|
이벤트
|
|
0.00초
|
시뮬레이션 시작
|
|
6.00초
|
고장 발생
|
|
6.10초
|
고장 제거
선로 탈락
HVDC #1 Block
|
재생E 탈락
|
|
20.00초
|
시뮬레이션 종료
|
표 2 관성제공설비 사양
Table 2 Inertia Supply Equipment Specifications
|
구분
|
설비용량
|
설비위치
|
특성
|
|
FW-SC
|
75[MVA]
|
서제주 변환소
|
H : 6.7
|
|
GFM
|
Droop 제어
|
HVDC #1~3의 정송운전 중 계통내 3상 단락고장에 의해 인근의 고장선로탈락 및 HVDC Block에 따라 전송량의 상실이 발생하거나 발전원의
상실(연계 중인 재생E)로 인한 전원부족에 따른 저주파수 상황(UFR 동작)이 발생할 수 있으며, 별도의 유효전력 보상이 없으면 고장파급에 의한 광역정전
또는 과도불안정 현상이 발생했다. 이러한 상황에서의 FW-SC와 GFM가 계통에 연계됨에 따라 과도안정도를 확보한 것을 확인하고, 이에 따른 관성제공효과
및 전압회복 효과를 분석했다.
4.4 영향 분석 및 검토 결과
4.4.1 저주파수시 관성제공설비의 주파수안정도 검토결과
그림 7, 8는 계통의 고장에 따른 HVDC#1 Block에 따른 계통주파수의 결과값이다. 해당 결과값을 비교하면 고장발생 이후 최저주파수(fnadir)까지 주파수
궤적은 매유 유사하며, FW-SC의 fnadir는 59.338[Hz], GFM의 fnadir는 59.323[Hz]로 확인 되었다. FW-SC가 GFM
비해서 고장 발생시 최고 및 최저주파수가 미세하게 높은 것을 확인할 수 있으며, 이는 FW-SC와 GFM의 관성제공 개시시간의 차이로 인해 발생한
것으로 추정한다. 관성 제공 개시 시간은 FW-SC는 순시로 동작하지만 GFM은 설비의 계측소요시간만큼 지연되기 때문이다.
그림 7. FW-SC 투입에 따른 계통주파수-HVDC 고장
Fig. 7. Grid Frequency according to FW-SC in HVDC Block
그림 8. GFM 투입에 따른 계통주파수-HVDC 고장
Fig. 8. Grid Frequency according to GFM in HVDC Block
fnadir이후의 주파수 회복기를 확인하면 FW-SC는 약 2번의 스윙이 발생하고 12초 이후에 새로운 운전점에 도달하는 한편, GFM은 3번의 스윙
발생 후 13초 이후에 새로운 운전점에 도달하는 것이 확인된다. 이러한 결과값은 주파수 회복기에 FW-SC와 GFM 서로 다른 동작을 수행한다고 추정이
가능하다.
그림 9. FW-SC의 유효전력 출력 - HVDC 고장
Fig. 9. Active Power of FW-SC in HVDC Block
그림 10. GFM의 유효전력 출력 - HVDC고장
Fig. 10. Active Power of FW-SC in HVDC Block
FW-SC와 GFM의 유효전력 출력을 비교하면 그 차이가 더욱 극명하게 나타난다. 계통고장에 따른 유효전력 출력을 비교하면 FW-SC는 고장 초기
유효전력 보상량이 높고 GFM은 초기 공급 에너지가 많음을 알 수 있으며, 이는 FW-SC와 GFM의 유효전력 보상 트리거가 서로 달라 출력 특성의
구간이 상이함을 알 수 있다.
그림 11. FW-SC 투입에 따른 계통주파수-재생E 탈락
Fig. 11. Grid Frequency according to FW-SC in RES Trip
그림 12. GFM 투입에 따른 계통주파수-재생E 탈락
Fig. 12. Grid Frequency according to GFM in RES Trip
위의 그림11, 12은 특정 시점에서 전력망내에 연계되어 있는 재생E가 일괄적으로 출력을 내지 못했을 때의 계통주파수의 결과값이다. 해당 결과값을
비교하면 앞선 사래와 유사하게 전력망내의 일시적인 유효전력 불균형에 따라 최저주파수까지의 주파수 궤적은 유사하나 FW-SC의 fnadir는 59.587[Hz],
GFM의 fnadir는 59.472[Hz]로 확인되었다.
그림 13. FW-SC의 유효전력 출력
Fig. 13. Active Power of FW-SC in RES Trip
그림 14. GFM의 유효전력 출력
Fig. 14. Active Power of GFM in RES Trip
앞선 HVDC 고장에 대한 두 설비의 유효전력 출력은 FW-SC와 GFM의 유효전력 출력을 비교하면, GFM은 전력계통 내 순간적인 유효전력 응답이
늦었기 때문에 FW-SC의 연계효과보다 최저주파수가 더 낮게 나오는 것을 확인할 수 있다.
이러한 검토결과에 따른 FW-SC와 GFM의 출력특성에 관하여 정리하면 표 3과 같이 정리할 수 있다.
표 3 FW-SC 와 GFM의 출력 특성 비교
Table 3 Comparison of Output Characteristics of FW-SC and GFM
|
|
주파수 상승기
( $d\omega / d t$>0 )
|
주파수 하락기
( $d\omega / d t$<0 )
|
|
초기 주파수 상부
$\Delta f = f_{0}- f_{t}$$\Delta f$<0
|
P of FW_SC = (-)
P of GFM = (-)
|
P of FW_SC = (+)
P of GFM = (-)
|
|
초기 주파수 하부
$\Delta f = f_{0}- f_{t}$$\Delta f$>0
|
P of FW_SC = (-)
P of GFM = (+)
|
P of FW_SC = (+)
P of GFM = (+)
|
4.4.2 계통사고에 따른 관성제공설비의 무효전력 영향 검토
전력계통내에 단락 또는 지락고장에 의한 전압변동에 대해서 FW-SC와 GFM은 관성기여 및 유효전력 공급 이외에도 무효전력을 공급하여 전압보상이 가능하기
때문에 이에 효과검토가 필요할 것이다.
그림 15는 전력계통 내 3상 지락고장에 의해 순간적으로 전압이 낮게 형성됨에 따라 FW-SC과 GFM의 무효전력 공급에 따른 전압회복 모의결과이다. 회로상
고장점의 전위가 0이 되면 전력계통 수급상 순간적인 대규모 무효전력 편차가 발생하게 되는데 전력계통 내에 충분한 무효전력 보상설비가 있다면 고장 이후의
무효전력 수급불균형에 대한 복원이 가능할 것이다. 즉, 전력계통을 복원가능한 영역으로 유지하기 위해서는 최소한의 무효전력 공급 및 유지가 필요하며,
FW-SC가 있을 경우 무효전력 공급과 관성제공이 주목적인 장치로서 고장중에도 정격용량의 150%까지도 무효전력을 공급할 수 있으나, GFM만 있을
경우에는 유효전력을 신속하게 공급하기 위한 장치로서 고장시 무효전력 공급에 한계가 있을 수 있다.
그림 15. 계통고장시 FW-SC, GFM의 무효전력 공급에 따른 전압회복
Fig. 15. Voltage recovery by supplying reactive power from FW-SC, GFM in system fault
4.4.3 전력계통 취약성에 따른 관성제공설비의 투입방안
본 연구에서는 언급하진 않았지만 검토된 제주계통의 경우 정적 안전도 측면에서의 전압 및 선로 열용량 한계 등과 같이 심각한 안정도 문제는 없었으며,
계통 강건성 측면에서의 ESCR 지수 등과 같은 안정도 문제는 발생하지 않았다. 즉, 다르게 얘기한다면 이러한 신규설비의 도입에 따른 전력계통 내의
강건도 약화 및 정태안정도의 영향이 미쳐서는 안된다.
계통 고장에 따른 과도안정도 검토에서, 심각한 고장이 발생하여 유효전력 및 무효전력 불균형에 따른 FW-SC와 GFM의 관성기여 및 유·무효전력 보상에
따른 안정도 확보가 가능함을 알 수 있었으며 FW-SC와 GFM의 안정도 확보의 기여 범위가 서로 다름을 알 수 있다. FW-SC는 물리적 관성기여가
가능하고 고장초기에 과도적인 유효전력 보상을 가능하나 지속적인 공급이 어려우며, 전체적인 에너지 공급이 높은 GFM 설비로 저주파수 문제를 해결하는데
효과가 높은 것을 알 수 있다. 이러한 FW-SC와 GFM을 동시에 투입하면 그림 16와 같이 최저주파수가 개선되고 ROCOF를 낮출 수 있는 것을 확인할 수 있다. 다만, 신규 전력설비의 건설 및 운용비용, 경과지 문제와 같은 설비투입의
현실적인 어려움이 있기 때문에, 기술적 관점에서의 신규 관성제공설비의 영향분석 및 투입방법론이 향후에는 필요할 것이다.
그림 16. FW-SC,GFM의 개별 또는 동시투입에 따른 계통주파수 회복효과
Fig. 16. Grid Frequency Recovery Effect according to single or multi connection of
FW-SC and GFM
5. 결 론
본 논문에서는 재생에너지 수용력 증대를 위해 적용될 수 잇는 관성제공기술인 FW-SC와 GFM의 적용효과를 검토하였다. FW-SC와 GFM의 제어구조와
관성기여 및 유효전력 제공방식에 대해 분석했으며, 전력계통 실효치 해석모델 기반의 FW-SC와 GFM의 동적모의해석을 통한 전력계통 내 관성기여 및
주파수안정도 확보, 그리고 전압불안정 해소방안을 분석하였다.
결론적으로 재생에너지 수용력 증대를 위해서는 FW-SC를 통한 물리적 관성확보와 GFM의 제어기반의 주파수 안정화를 대체관계가 아닌 보완관계로 전력계통에
연계해야 할 것이다. 본 연구사례는 관성 및 SCR을 높이는 FW-SC 와 계통의 유연성을 추가로 제공할 수 있는 GFM의 혼합적용이 주파수 안정도
및 계통 강건도 향상 측면에서 효과를 볼 수 있음을 알 수 있다. 이에 따라 재생에너지 확대에 따른 저관성계통으로 전환중인 전력망에 적용가능한 로드맵을
제시할 수 있을 것이다.
References
Integrating Inverter-Based Resourece into Low Short Circuit Strength Systems, NERC,
Dec. 2017.

2020 System Strength and Inertia Report, AEMO, Dec. 2020,

F. Palone, F. M. Gatta, A. Geri, S. Lauria, M. Maccioni, “New Synchronous Condenser
- Flywheel Systems for a Decarbonized Sardinian Power System,” Proc. of 2019 IEEE
Milan PowerTech, 2019.

ESCRI-SA Battery Energy Storage Final Knowledge Sharing Report, ElectraNet, Mar. 2021.

Technical Specification Flywheel Synchronous Condenser, ABB, Dec. 2024.

High Penetration of Power Electronic Interfaced Power Sources and the Potential Contribution
of Grid Forming Converters, ENTSO-E, Jan. 2020.

Manuel Hertado, Mohammad Jafarian, Simon Tweed, “System Assessment of Low-Inertia
Power System: A system Operator Perspective,” 2024 IEEE Power & Energy Society General
Meeting (PESGM), Jul. 2024.

Fast Frequency Response Concepts and Bulk Power System Reliability Needs, NERC, Apr.
2020.

A Guide for applying PRC-019 to Synchronous Condenser, IEEE

Prabha Kundur, “Power System Stability and Control,” 1994.

Synchronous condensers with flywheel for power systems with high penetration of RES:
The case of Italian transmission grid, 2022 AEIT International Annual Conference(AEIT),
IEEE, 23 Nov. 2022.

Description fo Machine Models GENROU, GenSAl, GENTPF and GENTPJ, PowerWorld, 2015.

저자소개
He received has M.S degrees from the Department of Electrical & Information Engineering,
Seoul National University Of Science and Technology, Korea in 2018. Currently, he
is a Senior researcher in KEPCO Research Institute, Power System Research Laboratory.
His research interests include power system modeling and analysis
He received has Ph.D. degrees from the Department of Electrical Engineering, ChungNam
National University, Korea in 2006. Currently, he is a researcher in KEPCO Research
Institute, Power System Research Laboratory. His research interests include power
system modeling and analysis
He received has Ph.D. degree from the Department of Electrical Engineering, Gyeongsang
National University, Korea in 2003. Currently, he is a principal researcher in KEPCO
Research Institute, Power System Research Laboratory. His research interests include
power system modeling and analysis
He received his B.S., M.S., and Ph.D. degrees in Electrical Engineering from Kyungpook
National University, Daegu, Korea, in 1993, 1995, and 2006, respectively. Since 1995,
he has been with Korea Electric Power Corporation Research Institute (KEPRI), the
research institute of Korea Electric Power Corporation. He is currently a Chief Researcher
and leads the Power System Research Laboratory in KEPRI. From March 2003 to February
2004, he was a Visiting Scholar in EPRI(Electric Power Research Institute), Palo Alto,
CA, USA. His research interests include IBR integration into power systems, wide area
monitoring, protection and control systems based on synchro-phasor data, real-time
digital simulations, and dynamic stability studies.