권기현
(Gi-Hyeon Gwon)
†iD
Copyright © The Korean Institute of Electrical Engineers
Key words
DC Distribution System, EMTP, FCL, Over-Current Relay, Protective Coordination
1. 서 론
최근 태양광 및 풍력발전 등의 분산전원이 확대되고, 전기차 충전소, 인터넷 데이터 센터, 직류기반의 디지털 부하가 증가함에 따라 직류 배전시스템의
관심과 개발이 확대되고 있다[1], [2]. 직류 배전시스템의 도입은 분산전원과 디지털 부하 접속 시 불필요한 전력변환 단계를 줄임으로써 에너지 이용 효율 및 계통 운영 비용을 절감할 수
있는 장점이 있다[3]. 하지만 직류 배전시스템의 안정적이고 신뢰할 수 있는 운영을 보장하기 위한 핵심 기술인 보호 기술은 여전히 기술적으로 어려움에 직면하고 있다[4].
최근 VSC(Voltage Source Converter) 기반의 직류 배전시스템의 개발이 이루어짐에 따라 VSC 출력단 커패시터의 방전에 따른 고장
전류 특성, 고장 전류로 인한 VSC 내 역병렬 다이오드 파손 우려, 교류와 달리 전류의 영점이 발생하지 않는 점, 이로 인한 높은 성능의 DC 차단기
요구 등의 문제에 대한 해결이 필요하다.
VSC 기반의 직류 배전시스템에서 선로 고장이 발생할 경우 VSC 출력단 커패시터의 방전으로 인해 고장 전류가 급속히 증가하며 이후 VSC 내에서
정류된 전류가 고장점으로 흐르는 특성이 발생한다. 따라서 VSC의 고장 기여도와 고장 전류 특성이 반드시 분석되어야 하며 보호 체계는 이에 맞게 조정되어야
한다[5].
지연된 고장 제거는 VSC 내부에 존재하는 역병렬 다이오드의 파손을 야기할 수 있으므로 직류 배전시스템의 경우 빠른 고장 차단이 이루어지거나 고장
전류를 제한하는 추가적인 설비가 요구된다. 이는 zero-crossing이 발생하지 않아 아크 소호에 어려움을 겪는 직류 배전시스템의 약점을 극복하는데
기여할 수 있다. 이 경우에는 보호기기에 미치는 영향을 반드시 고려하여 보호 계전기 정정을 수행할 필요가 있다[6].
직류 배전시스템의 보호 방식으로는 전류 변화율(di/dt)을 이용한 방식, 저전압 계전 방식, 과전류 계전 방식 등을 적용할 수 있다. 전류 변화율
검출 방식은 가장 신속한 고장을 검출할 수 있지만 부하 탈락 등의 정상상태 이벤트에 오동작 가능성이 존재하며 다수의 보호 기기가 구성될 경우 보호
협조 측면에서 어려움이 있다. 저전압 계전기는 전류 변화율 및 과전류 방식에 비해 상대적으로 응답 속도가 떨어지므로 주 보호가 아닌 후비 보호로의
활용이 적절하다. 과전류 계전 방식은 가장 일반적으로 사용할 수 있는 방법이지만 복수의 계전기가 설치될 경우 보호 협조를 위해 반한시 특성을 고려할
필요가 있다. 하지만 앞서 언급된 역병렬 다이오드를 보호하고 높은 차단기 성능의 요구 사항을 줄이기 위해서 한류기를 통해 전류를 제한하게 되면 과전류
계전기의 오부동작을 야기하게 된다. [6]에서는 이에 대한 대책을 제시하고 있지만 추가적으로 부하단의 커패시터 방전으로 인한 오동작 가능성 검토와 건전 구간 회복을 통한 정전 범위 최소화가
필요하다. 고장 구간을 최소화하기 위해서는 고장점 표정이 필요하며 고장 발생 시 발생하는 단락회로의 루프 방정식을 통해 고장점까지의 거리를 계산할
수 있다[7]. 하지만 본 논문에서는 고장점 표정이 목적이 아니라 배전계통에서 흔히 사용되는 과전류 계전기가 복수로 설치되어 있을 때 보호협조에 대한 방안을 제시하고자
한다.
본 논문에서는 루프형 저압직류 배전계통에서 한류기가 투입될 경우 반한시 기반의 과전류 계전기를 이용한 보호 협조와 Tie Switch를 통해 건전
구간을 회복시킬 수 있는 보호 방식을 제안한다. 본 논문의 2장에서는 VSC 기반의 저압직류 배전계통의 고장 전류 특성과 반한시 과전류 계전 방식
분석을 토대로 루프형 배전계통의 특성과 기존 방식의 문제점을 분석하였다. 3장에서는 본 논문에서 제안하는 보호 협조 대책을 기술하였으며 4장에서는
모의 계통에 대한 시뮬레이션을 통해 검증하고, 마지막으로 5장에 결론을 제시하였다.
2. 저압직류 배전계통의 고장해석
2.1 고장전류 특성
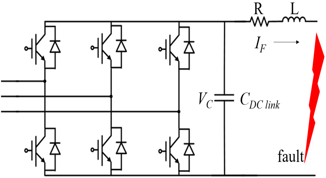
교류 측 전력을 저압직류 배전계통에 공급하기 위해서는 배전계통의 입력단 측에 교류를 직류로 변환하기 위해 AC/DC 컨버터가 요구된다. 인터페이스로써의
AC/DC 컨버터는 VSC로 구성될 수 있으며 일반적인 토폴로지는 그림 1과 같다. 컨버터 내부에는 전력용 반도체 소자, 역병렬 다이오드, 출력단 커패시터 등으로 구성된다.
선로 측에 PTP(Pole-to-Pole) 고장이 발생하면 선로 및 고장저항으로 구성되는 폐회로가 발생하고 전압의 강하와 고장전류의 급격한 증가가
나타나게 된다. 초기에는 커패시터의 방전이 고장전류에 기여하고 방전 이후에는 교류 측에서 들어오는 전류가 역병렬 다이오드를 통해 고장점으로 흐르게
된다. 고장전류는 식 (1)-(3)과 같이 계산된다[8]. 고장 발생 시 과도한 전류로 인해 전력용 반도체 스위치는 cut-off 되지만 역병렬 다이오드는 파손의 우려가 발생한다[5]. 이 경우 계통 내 고장이 제거되더라도 VSC가 정상적으로 동작하지 않아 계통을 정상적으로 회복시키기 어려운 문제가 발생한다. 따라서 역병렬 다이오드에
과도한 전류가 지속적으로 흐르기 전에 고장을 제거하는 것이 요구된다[3].
여기서, $I_{init}$ : 전류의 초기값
그림 1. 선로 고장 시 고장전류 흐름도
Fig. 1. The fault current flow for the distribution line fault
2.2 반한시 과전류 보호 방식
배전계통에서의 일반적인 보호방식은 과전류 계전 방식이며 고장저항으로 구성된 폐회로에 과도한 전류가 발생하기 때문이다. 단순히 순시 과전류 계전 방식을
적용하면 고장 검출 및 차단은 용이하지만 복수의 계전기가 설치되어 있을 경우 각 계전기 간 차단 시간의 지연이 요구되므로 보호협조 측면에 어려움이
있다. 따라서 각 보호 계전기 간 보호협조를 달성하려면 IOCR(Inverse Over-Current Relay, 반한시 과전류 계전기)을 이용할
필요가 있다.
반한시 과전류 계전의 특성은 그림 2와 같으며 고장전류가 클수록 차단 시간(Tocr)은 짧아지는 특성이 있다. 예로 전원측에서 먼 거리에서의 고장 발생 시 고장에 가까운 계전기는 큰
고장전류를 감지하므로 짧은 차단 시간(T2)을 갖는다. 전원 측 계전기는 고장전류가 상대적으로 작게 나타나므로 차단 시간(T1)이 크게 계산되어 지연된
동작을 하게 된다. 따라서 고장에 가까운 계전기가 먼저 동작하여 정전 구간을 줄일 수 있는 보호 협조를 가능하게 한다.
반한시 과전류 계전기의 Tocr은 식 (4)를 이용하여 계산할 수 있다[9]. 특성 곡선의 상수인 $\alpha$와 $k$ 값에 따라 반한시 과전류 계전기의 동작 특성은 강반한시, 초반한시로 구분되며 초반한시가 가장 빠른
응답 속도를 갖는다. 표 1은 IEC 규정 기반의 상수값을 보여준다.
여기서, TMS : 시간 배수, $\alpha ,\: k$ : 특성 곡선의 상수, $I_{set}$ : 계전기 동작 정정값
표 1. IEC 기반 반한시 특성 곡선 상수
Table 1. The characteristic parameters of IOCR based on IEC standard
|
Type
|
$k$
|
$\alpha$
|
|
Inverse
|
0.14
|
0.02
|
|
Very Inverse
|
13.5
|
1
|
|
Extremely Inverse
|
80
|
2
|
그림 2. 반한시 과전류 계전기 특성 곡선
Fig. 2. The characteristic diagram of inverse OCR
2.3 루프형 배전계통 및 기존 보호 방식 분석
2.3.1 루프형 배전계통의 고장 특성
배전계통의 토폴로지는 방사상 구조, 루프형 구조, 링형 구조로 구분할 수 있다. 방사상 구조는 전력이 단방향으로 공급되는 특성을 가지며, 링형 구조는
상황에 따라 조류의 방향이 바뀔 수 있는 특성을 갖는다. 루프형 구조는 두 개의 방사상 선로 간에 Tie Switch를 두어 개폐 여부에 따라 조류가
양방향으로 나타날 수 있는 특징이 있다. 그림 3은 저압직류 배전계통의 루프형 구조를 나타내며 Tie Switch는 N/O(상시개방) 상태이다. 따라서 Tie Switch가 개방일 때는 방사상 형태로
운영되며, 고장 구간이 분리될 경우 Tie Switch를 폐로하여 다른 선로를 통해 전력을 공급할 수 있다.
고장이 ① 위치에 발생한 경우 R1만 가장 큰 고장전류를 감지하여 차단하고 R2-R4는 동작하지 않아야 한다. 하지만 부하단에 설치된 DC/DC 컨버터
내 DC-Link 커패시터에 의해 R2-R4 모두 순간적으로 높은 전류를 감지하게 된다. 고장이 발생하면 DC/DC 컨버터 입력단 측 커패시터가 순간적으로
방전하여 고장점으로 전류가 흐르기 때문이다. 이때 전류는 R2-R4에서 역방향으로 나타나기 때문에 직류 배전계통에서 과전류 계전 시에는 반드시 전류의
크기뿐만 아니라 방향을 고려할 필요가 있다.
①에서 고장이 발생하여 R1에서 차단이 이루어지면 Load1과 Load2는 정전을 경험하게 된다. 여기서 R2를 개방하고 Tie Switch를 폐로하면
하단 배전선로를 통해 Load2에 정상적으로 전력을 공급할 수 있어 정전구간을 축소시킬 수 있다. 이 경우 R1, R2, Tie Switch에 보호협조가
요구된다.
고장이 ②에서 발생한 경우, 가장 먼저 R2가 동작해야 하며 고장 차단이 이루어지면 Load1에 전력공급이 가능해진다. R2에서 고장차단에 실패하면
후비 보호로써 R1이 동작해야 하므로 R1은 R2보다 지연된 과전류 계전 방식이 이루어져야 한다.
그림 3. 루프형 저압직류 배전계통 단선도
Fig. 3. The diagram of loop-type LVDC distribution system
2.3.2 한류기를 이용한 과전류 보호 방식의 문제점
직류 배전계통의 고장 차단에서 가장 큰 문제점은 전류의 zero-crossing이 발생하지 않는 점이다. 교류계통에서는 고장을 검출하더라도 zero-crossing이
발생하기까지 지연되어 동작하여 차단기의 부담을 낮추게 된다. 하지만 직류의 경우 높은 고장전류 상태에서 차단기를 동작하게 되면 아크소호 측면에서 불리하여
차단 실패로 이어질 수 있으며 차단기의 제작 비용이 증가할 수밖에 없다[3]. 따라서 직류계통에서는 직류용 기계식 차단기 개발뿐만 아니라 SSCB(Solid State Circuit Breaker)가 도입되고 있지만 이는
비용 상승으로 이어지는 결과를 낳게 된다. 이러한 문제점은 한류기(FCL, Fault Current Limiter)를 이용하여 극복할 수 있다. 대표적으로
전력용 반도체형 한류기를 사용할 수 있으며 정상상태의 경우 기계식 스위치를 통해 낮은 임피던스 경로를 갖지만 고장이 발생하면 반도체 스위치 제어 및
고저항 임피던스를 갖는 우회경로를 제공할 수 있다[10]. 따라서 한류기는 고장이 발생한 경우에만 계통에 높은 임피던스를 인가하여 고장 전류를 크게 줄일 수 있다. 또한 보호협조를 위해 IOCR의 지연
동작 동안 VSC 내 역병렬 다이오드를 보호하기 위해 사용이 가능하다[6].
상기에 언급된 문제점을 해결하기 위해 FCL을 적용하고 IOCR을 운용하게 되면 고장 검출이 매우 어려워진다. 그림 4에서는 직류 배전계통에서의 일반적인 고장전류 파형을 보여준다. 선로 측 고장이 발생하면 VSC 출력단 커패시터의 방전으로 고장 전류가 급격히 증가하고
이후 역병렬 다이오드를 통해 정류된 직류 파형이 나타난다. 높은 고장 전류로 인해 Tocr이 낮게 나타나 고장 차단이 쉽게 이루어질 수 있다. 하지만
FCL을 투입할 경우 고장 전류가 크게 감소하여 역병렬 다이오드를 보호할 수는 있지만 Tocr이 크게 상승하여 매우 지연된 고장 차단이 발생하거나
차단기 동작으로 이어지지 않을 가능성이 존재한다.
그림 4. 직류계통의 고장전류 파형 및 IOCR 고장 검출 시간
Fig. 4. The waveform of fault current in DC system and the fault detection time of
IOCR
3. 보호 협조 대책
본 논문에서는 루프형 저압직류 배전계통에서 복수의 IOCR을 적용했을 때 Tie Switch를 이용하여 고장 구간을 최소화하는 방안을 제시하고자 한다.
또한 FCL이 투입될 경우를 가정하여 IOCR이 정상적으로 동작할 수 있도록 보호협조 대책을 제시한다.
2.3절에서 분석한 결과를 토대로 차단기의 오동작을 막기 위해 고장 전류의 극성을 판단하고, 계전기 간 협조를 통해 건전구간에 전력을 공급할 수 있는
Tie Switch의 동작 시점을 제안한다. 또한 FCL이 투입될 경우 IOCR의 TOCR을 고정시켜 정상적으로 차단될 수 있도록 구성하였다. 그림 3의 R1과 R2에 흐르는 전류를 각각 I1과 I2로 하여 제안된 보호협조 방식을 그림 5와 같이 도식화하였다. 먼저 각 계전기에서 선로의 전류를 감지하여 정정값(Iset) 보다 큰 전류가 흐르는지를 판단하여 고장 발생 유무를 결정한다.
그림 5에 표기된 <1>~<7>을 그림 3의 계통을 토대로 설명하고자 한다. 고장이 ①에서 발생한 경우, I1이 정정값을 초과하여 고장으로 판단되고 <1>에서와 같이 TOCR1을 식 (4)를 이용하여 계산한다. 이때 I2는 극성을 판단하여 고장으로 인식하지 않는다. <3>에서는 전류의 기울기를 측정하여 그림 4의 커패시터 방전 후 다시 전류가 상승하는 시점에 FCL을 투입하도록 하였다. FCL이 투입되면 전류가 감소하여 TOCR이 증가하므로 FCL 투입시점의
TOCR1으로 고정하였고 <4>에서 고장을 인지한 시점부터 시간을 카운트하여 TOCR1에 도달했을 때 R1을 트립한다. 이 경우 ①에서 고장이며 ②에
전력공급이 가능하므로 Transfer Trip을 통해 R2를 트립하게 한다. Tie Switch는 상시 개방 중이며 ② 구역으로 전력을 공급하기 위해
R1과 R2가 모두 트립된 경우에 한 해 폐로하도록 구성하였다. 최종적으로 Load2에 전력 공급이 가능함을 알 수 있다.
고장이 ②에 발생한 경우, I1보다 I2가 먼저 Iset을 초과하게 되어 <5>에서 고장을 먼저 인지하게 된다. 이후 고장이 ①에서 발생한 경우와
동일하게 FCL이 투입되고 TOCR2도 고정되며 <6>에서 TOCR2에 의해 R2의 차단기가 트립하여 고장을 제거한다. 이 경우 Load1에 정상적으로
전력이 공급되어야 하므로 FCL을 제거되도록 구성하였다.
고장이 ②에서 발생하였지만 R2가 오부동작하여 고장 제거에 실패했을 경우에는 R1이 후비보호로 동작하여 고장 차단이 가능하여야 한다. 따라서 <2>에서
I2가 먼저 고장을 판단했음에도 TOCR1을 계산하도록 하였다. 반한시 과전류 계전의 특성상 TOCR1은 TOCR2 보다 크므로 R1이 지연된 동작을
하게 된다. 정상적인 경우에는 <6>이 <4>보다 빠르게 동작하여 리셋되지만 R2의 오부동작인 경우 <6>은 동작하지 않고 <4>가 동작하며 <7>에서
I2도 고장으로 인지하므로 R1의 차단기가 동작하여 후비보호를 달성하였다.
그림 5. 제안된 보호협조 방식의 순서도
Fig. 5. The flowchart of the proposed protective coordination scheme
4. 시뮬레이션
4.1 모의 계통
본 논문에서는 과도현상 해석 프로그램인 EMTP/ ATPDraw를 이용하여 그림 6의 모의 계통을 구성하고 제안하는 보호협조 방식을 검증하였다. 저압직류 배전계통의 인터페이스로 SPWM 기반의 3상 풀브릿지 AC/DC 컨버터와 각
부하단에는 380V로 변환하기 위한 DC/DC 컨버터를 모델링하였다. ATPDraw 내 TACS 소자와 User-Define 모델인 MODELS를
이용하여 컨버터 회로 및 제어를 구성하였다. 그림 3의 계통과 같이 루프형 저압직류 배전계통을 구성하였으며 계통의 파라미터는 표 2와 같다. 그림 5의 보호방식을 적용하였으며 Iset은 정상전류의 2배로 설정하였다. 또한 2.3.2절에서 기술한 바와 같이 FCL이 투입됨에 따라 매우 작은 고장전류가
발생하므로 차단기의 정격이나 차단 방식을 따로 고려하지 않았으며 차단 시간은 3ms로 가정하였다. FCL의 투입 임피던스는 10Ω으로 설정하였다.
고장 모의 조건은 3가지로 아래와 같이 구성하였다.
1) Case1 : ① 선로에서 PTP 고장 발생
- IOCR1의 동작 및 IOCR2 부동작 검증, Tie Switch 동작 검증
2) Case2 : ② 선로에서 PTP 고장 발생
- IOCR2 동작 검증
3) Case3 : Case2에서 IOCR2 오부동작
- IOCR1의 후비 보호 동작 검증
그림 6. 모의 계통
Fig. 6. The test system
표 2. 모의 계통의 파라미터
Table 2. The parameter of test system
|
Parameter
|
Value
|
|
Line Voltage (Pole-to-Pole)
|
1500[V]
|
|
Load Voltage
|
380[V]
|
|
Total Load Capacity
|
80[kW]
|
|
Fault Resistance
|
0.1[Ω]
|
|
Type of IOCR
|
Very Inverse
|
|
(k=13.5, $\alpha$=1, TMS=0.01)
|
4.2 결과 및 분석
그림 7에 4.1절에서 제시한 3가지 모의 조건에 대한 시뮬레이션 결과를 보여준다. 공통적으로 고장은 0.5초에 발생하였으며 I1에서 I4는 각 CB에서
측정한 전류를 의미한다. 그림 7(a)는 Case1에서 차단기가 동작하지 않은 고장 전류 파형을 보여준다. 고장에 인접한 I1은 AC/DC 컨버터의 커패시터 방전으로 급격히 상승하며 이후
역병렬 다이오드를 통해 정류된 전류가 흐름을 알 수 있다. 2.3.1절에서 설명한 바와 같이 I2에서 I4는 부하단 DC/DC 컨버터 입력단 커패시터
방전으로 인해 순간적으로 전류가 역뱡항으로 증가함을 알 수 있다. 따라서 제안한 보호협조 방식에서는 계전기의 오동작을 방지하기 위해 극성을 판단하는
부분이 포함되었다. 그림 7(b)는 FCL 투입 여부에 따른 고장전류 파형을 보여준다. FCL이 투입된 경우 고장전류가 급격히 줄어들어 차단에는 용이하지만 IOCR의 동작을 저해함을
확인할 수 있다.
그림 7(c)는 Case1에서 ICOR1이 정상적으로 고장을 차단함을 보여준다. FCL이 투입되는 시점에 IOCR1의 동작 시점인 TOCR1이 고정되면서 시간을
카운트하는 TCNT와 만나는 시점에 CB1이 정상적으로 동작하였다. 그림 5에서 제시된 보호협조 방안에 따라 그림 7(d)는 말단 부하에 전력을 공급하기 위해 CB2를 트립시키고 Tie switch를 투입한 경우로 고장과 연결된 Load1은 정전이 지속되지만 Load2는
정상 전압으로 회복됨을 알 수 있다.
그림 7(e)는 Case2에 대한 결과를 보여준다. ② 선로에서 고장이 발생하면 IOCR1과 IOCR2 모두 고장을 인식하고 차단기 동작을 위해 TOCR1과 TOCR2를
각각 계산한다. 고장에 가까운 IOCR2의 TOCR2가 TOCR1보다 작기 때문에 IOCR2가 먼저 고장을 제거함을 확인하였다.
그림 7(f)는 IOCR2에 인접한 고장이 발생했음에도 오부동작으로 인해 IOCR1이 후비 보호로 동작함을 보여준다. TCNT가 TOCR2를 만났음에도 고장 제거가
이루어지지 않아 TOCR1과 만나게 되어 CB1이 후비 보호로써 동작함을 확인할 수 있다. 모의 조건에 따른 시뮬레이션 결과를 통해 제안된 보호 협조
방식이 고장 조건에 맞게 잘 동작함을 확인할 수 있다.
그림 7. EMTP 시뮬레이션 결과
Fig. 7. The result of EMTP simulation
5. Conclusion
루프형 배전계통은 Tie Switch를 통해 정전 구간을 줄일 수 있는 토폴로지로 이를 위한 보호 협조 방식이 필요하다. 또한 저압직류 배전계통에서
VSC와 FCL을 고려한 보호시스템이 요구되므로 이러한 조건들을 만족시키기 위해 본 논문에서는 루프형 저압직류 배전계통의 보호시스템을 개발하였고 각
보호 계전기 간 보호 협조가 정상적으로 이루어지는지 검증하였다. 반한시 과전류 계전기를 통해 계전기 간 보호 협조를 달성하였고, FCL로 인한 반한시
특성에 미치는 문제를 해결하였다. 또한 Tie Switch를 통한 건전 구간 회복 및 후비 보호 검증을 수행하였다. 제안된 보호 협조 방식을 통해
전력 공급의 연속성 확보와 안정적인 계통 운영이 가능할 것으로 기대된다.
References
P. Asmus, M. Lawrence, 2013, Direct Current Distribution Networks, pp. 5

H. Ji, D. Wang, Q. Xu, S. Yuan, Y. Cai, X. Lei, 2021, DC Power Distribution System
and Its Protection Configuration, pp. 582-587

Q. Liu, S. Li, R. Meng, J. Huo, S. Jiang, R. Li, 2022, A Protection Scheme for Low
Voltage DC Distribution System Based on Control and Protection Cooperation, pp. 648-652

J. Ke, C. Cong, Z. Qijuan, F. Tao, B. Tianshu, L. Haijun, 2020, Protection Schemes
and Settings of DC Distribution Systems, IET Generation, Transmission & Distribution,
Vol. 14, No. 26, pp. 6397-6762

J. Yang, J. E. Fletcher, J. O'Reilly, 2012, Short-Circuit and Ground Fault Analyses
and Location in VSC-Based DC Network Cables, IEEE Trans. on Industrial Electronics,
Vol. 59, No. 10, pp. 3827-3837

G. H. Gwon, 2022, A Study on Protective Coordination of DC Distribution System Considering
Fault Current Limiter, Journal of the Korean Institute of Illuminating and Electrical
Installation Engineers, Vol. 36, No. 7, pp. 31-36

E. P. Yang, S. H. Kang, S. J. Lee, M. S. Choi, 2002, A Fault Location Algorithm for
on DC Railway Systems

J. Yang, J. E. Fletcher, J. O'Reilly, 2010, Multiterminal DC Wind Farm Collection
Grid Internal Fault Analysis and Protection Design, IEEE Transactions on Power Delivery,
Vol. 25, No. 4, pp. 2308-2318

2009, Measuring Relays and Protection Equipment - Part 151: Functional Requirements
for Over/Under Current Protection

S. Yadav, G. K. Choudhary, R. K. Mandal, 2014, Review on Fault Current Limiters, International
Journal of Engineering Research & Technology, Vol. 3, No. 4, pp. 1595-1603

저자소개
He received the B.S, M.S., and Ph.D. degrees in electrical engineering from Sungkyunkwan
University in 2012, 2014 and 2018, respectively. He is presently the associate professor
of Yonam Institute of Technology. His research interests include power system transients,
power quality, protection schemes and coordination in DC distribution system.