권기표
(Gipyo Kweon)
*iD
차준상
(Junsang Cha)
*iD
강석준
(Seokjun Kang)
*iD
유연태
(Yeontae Yoo)
**iD
정승민
(Seungmin Jeong)
***iD
장길수
(Gilsoo Jang)
†iD
-
(Dept. of Electrical Engineering, Korea University, Republic of Korea.)
-
(Department of Electrical Engineering, Myongji University, Republic of Korea. E-mail
: ytyoo@mju.ac.kr)
-
(School of Electrical and Computer Engineering, University of Seoul, Republic of Korea.
E-mail : seungminj@uos.ac.kr)
Copyright © The Korean Institute of Electrical Engineers
Key words
CNN, DWT, EMD, IMF, Low-current arc, Nuclear power plant, Open-phase condition, Power quality disturbances
1. 서 론
원전 소내 전력계통의 안정적이고 안전한 운영을 보장하기 위해서는 기존 보호방식으로는 탐지하기 어려운 이상 상태들을 신뢰성 있게 검출할 수 있어야 한다.
특히 결상 조건(Open-Phase Condition, OPC)과 저전류 아크(Low-Current Arc, LCA)는 전압 및 전류 크기 변화가
미미하기 때문에, 전통적 보호 계전 방식만으로는 검출이 어려운 대표적인 이상 상태에 속한다. 이러한 이벤트는 탐지 장기간 지연 시 변압기 및 모선
설비의 열적·기계적 손상을 초래하여 원전 계통의 강건성과 안전성에 중대한 영향을 줄 수 있다.
결상 조건은 일반적으로 변압기 1상 또는 2상이 상실되면서 발생하며, 변압기 고유의 전기·자기적 특성으로 인해 전압·전류 변화가 미약하게 나타나는
특징을 가진다. 변압기 철심 구조 (3각, 5각, shell형), 권선 결선 방식 (Yg-Yg, Yg-Δ), 접지 방식, 케이블 및 선로 특성, 개방
상의 위치, 부하 수준 (경부하, 중부하) 등 다양한 요소에 따라 건전 상에서 생성된 자속이 개방 상에 부분적으로 재생될 수 있다 [1]. 이러한 전압 재생 현상은 상황에 따라 위 언급한 조건들에 따라 매우 상이하게 나타나며, 특정 조건에서는 개방된 상의 전압이 정상과 유사한 수준으로
유지되기도 한다. 결상 조건이 장기간 미탐지 될 경우 부하 불평형, 권선 과열, 자심 포화 등의 문제가 누적적으로 발생하여 장기적 설비 고장 및 연쇄적인
계통 장애로 이어질 수 있다. 기존 결상 조건 검출 기법으로는 기존 보호계전기에 기반한 영상전류 감시, 역상 전압 분석, 파형 영점 통과 시점 감지
(zero-crossing detection) 등이 연구되었다 [2].
저전류 아크 또한 원전 소내 전력계통 운전의 잠재적인 위험 요소가 될 수 있다. 아크 전류가 매우 작고 지속 시간이 불규칙하여 일반적인 과전류 기반
보호 방식으로는 검출하기 어려우며, 장기간 탐지 지연 시 고에너지 아크 (High-Energy Arcing Fault, HEAF)로 발전하여 심각한
열적·기계적 손상을 야기할 수 있다. 실제로 1979년부터 2012년까지 발생한 원전 화재 사고 중 약 11.5%가 HEAF와 관련된 것으로 보고되었다
[3]. 이는 저전류 아크를 조기에 검출할 수 있는 접근법의 필요성을 뒷받침한다.
이와 같은 이벤트들은 전압·전류 등의 파형 특성 변화가 나타날 확률이 높기에, 전력 품질 저하 현상(Power Quality Disturbance,
PQD)을 활용한 이벤트 감지가 유용한 지표가 될 수 있다. 또한 최근 PQD 분류를 위해 합성곱 신경망(CNN)을 비롯한 딥러닝 기반 파형 진단
기술이 활발히 연구되고 있다. 예를 들어 [4]에서는 총 16개의 단일 및 복합 PQD를 수학적으로 합성한 파형 데이터로 CNN을 학습하였으며, [5]에서는 실측 데이터를 활용하여 정상·전압 이상·과도 현상을 분류하고 sag 및 interruption의 시작·종료 시점을 탐지하는 등 PQD 기반
신경망 모델의 가능성이 입증된 바 있다. 이러한 연구는 파형 기반 데이터 분석 기법에 AI 모델을 활용할 수 있는 잠재력을 보여준다.
본 논문에서는 이러한 배경을 바탕으로, APR1400 (새울 1·2호기)을 기반으로 구축한 PSCAD/EMTDC 모델에서 취득한 4.16 kV Class
1E 부하 모선의 3상 전압·전류 파형만을 이용하여 결상 조건 및 저전류 아크를 검출하는 2단계 데이터 기반 진단 프레임워크를 제안한다. 1단계에서는
CNN 기반 PQD 검출 모델을 통해 이벤트 징후를 탐지하며, 후술될 기준으로 체크포인트를 생성한다. 2단계에서는 체크포인트가 발생한 경우에 한하여
신호처리를 수행하고, 변환된 2차원 시계열 특성을 CNN 모델이 분석하여 결상 또는 저전류 아크 여부를 판별한다. 이러한 선택적 처리 구조는 불필요한
연산을 줄여 실시간 적용성을 높여 계통의 실시간 운전 환경에 적합한 진단 프레임워크를 제안한다.
2. 2단계 신경망 기반 프레임워크
소내 전력 계통에서 발생하는 이벤트들은 빈번히 전력 품질 저하 현상(Power Quality Disturbances, PQD)을 유발한다. 전압,
전류, 또는 주파수의 변동으로 정의되는 이러한 현상은 비정상 운전 상태의 지표로 활용될 수 있다. 그림 1의 순서도에 제시된 바와 같이, 본 논문에서는 계산 효율성이 높게 이벤트를 감지하기 위해 2단계의 계층적 프레임워크를 제안한다. 1단계에서는 4.16kV
부하 모선에서 계측한 3상 전압 및 전류 시계열 데이터를 기반으로, 5주기(83.33ms) 길이의 슬라이딩 창을 적용하여 PQD를 감시한다. 이후
1단계에서 체크포인트가 발생한 경우에 대해, 총 6개 채널 데이터 (3상 전압과 3상 전류)에 대해 모두 신호처리를 수행하고 2단계 이벤트 여부 검증을
활성화한다.
그림 1. 계층적 프레임워크 순서도
Fig. 1. Flowchart of the hierarchical framework
2.1 전력 품질 저하 현상 감지 모델을 위한 데이터 생성
전력 품질 저하 현상은 IEEE Std. 1159-2019 [6]에 근거하여 수학적으로 설계하였다. 본 연구에서는 해당 표준과 선행 연구[7]의 방법론을 수정한 데이터 세트를 생성하였으며, 정상 파형 1개 클래스, 단일형 PQD 8개 클래스, 복합형 PQD 3개 클래스로 구성된다. 각 분류
클래스는 표 1에 요약되어 있다. 각 분류 클래스별로 100,000개의 파형을 수학적으로 합성하여, 총 12개 클래스로 구성된 학습 및 검증용 데이터 세트를 구축하였다.
구축된 대규모 데이터 세트는 합성곱 신경망(Convolutional Neural Network, CNN) 모델의 학습에 활용하였다. 제안된 방법론의
핵심은 표준 기반 설계로 생성된 대규모 파형 데이터 세트의 오프라인 학습이 가능하다는 점이다. 이를 통해 실제 환경에 적용 시 실시간 학습이 없이
전력 품질 저하 현상 파형을 안정적으로 식별할 수 있다.
표 1. 전력품질 저하 현상 클래스
Table 1. Power quality disturbance classes
|
클래스
|
전력 품질 저하 현상
|
클래스
|
전력 품질 저하 현상
|
|
C1
|
Normal
|
C7
|
Swell & Harmonics
|
|
C2
|
Sag
|
C8
|
Interruption & Harmonics
|
|
C3
|
Swell
|
C9
|
Oscillatory Transient
|
|
C4
|
Interruption
|
C10
|
Impulsive Transient
|
|
C5
|
Harmonics
|
C11
|
Periodic Notch
|
|
C6
|
Sag & Harmonics
|
C12
|
Spike
|
2.2 Parallel Reliability Check 메커니즘
계층적 이벤트 감지 프레임워크의 신뢰성을 확보하기 위해, 본 연구에서는 Parallel Reliability Check 메커니즘을 도입하였다. 이
메커니즘은 매 5주기마다 PQD 탐지 모델과 병렬적으로 2단계 검증 절차를 활성화시켜, 1단계 탐지 모델에서 누락될 수 있는 이상 이벤트를 선제적으로
확인할 수 있도록 한다.
저전류 아크는 미소한 전기적 신호만을 유발하므로 전력 품질에 미치는 영향이 제한적이며, 이로 인해 파형 기반 전력 품질 저하 감지 모델에서는 체크포인트가
형성되지 않을 가능성이 있다. 또한 개방상 조건과 저전류 아크는 단기간에 치명적인 영향을 주기보다는 장기간 지속될 경우, 누적적인 악영향을 초래하는
특성을 가진다. 따라서 제안된 Parallel Reliability Check 방식은 미감지될 수 있는 이벤트를 주기적으로 감시할 수 있는 능력을
제공한다는 점에서 중요한 의의를 갖는다.
2.3 이벤트 감지 모델 학습을 위한 데이터 생성
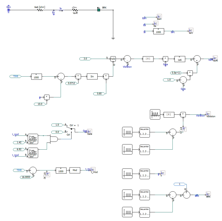
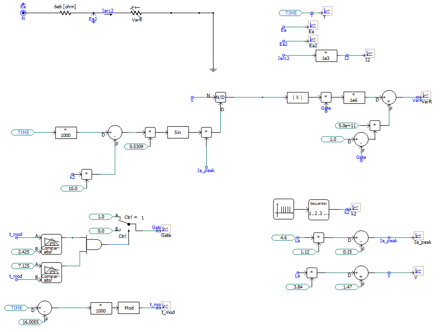
이벤트 감지 모델의 학습 데이터는 PSCAD/EMTDC를 활용하여 추출하였다. 그림 2와 그림 3에 제시된 바와 같이 정상 상태, 결상 조건, 저전류 아크 발생 조건에서 다양한 고장 조건, 발생 시점, 그리고 지속 시간에 따라 파형을 추출하였다.
저전류 아크는 그림 4-5와 같이 파형적으로 Stable Arc와 Unstable Arc 두 가지 형태로 구분되며, 관련 문헌 [7-8]을 참고하여 그림 6-7에 나타낸 방식으로 모델링하였다. 추출된 파형은 두 가지 신호처리 기법을 적용하여 2단계 모델 학습 데이터로 활용하였다. 학습 및 검증용으로 결상
조건은 클래스 별 5000개의 데이터를 추출하였고, 저전류 아크는 Stable Arc, Unstable Arc 각각 2500개의 데이터를 추출하여
모델 학습에 사용하였다.
그림 2. 결상 조건 PSCAD/EMTDC 모델
Fig. 2. PSCAD/EMTDC model for open-phase condition
그림 3. 저전류 아크 PSCAD/EMTDC 모델
Fig. 3. PSCAD/EMTDC model for low-current arc condition
그림 4. Stable Arc 전압·전류 파형
Fig. 4. Voltage and current waveforms of a stable arc
그림 5. Unstable Arc 전압·전류 파형
Fig. 5. Voltage and current waveforms of an unstable arc
그림 6. Stable Arc PSCAD/EMTDC 모델
Fig. 6. PSCAD/EMTDC model for stable arc condition
그림 7. Unstable Arc PSCAD/EMTDC 모델
Fig. 7. PSCAD/EMTDC model for unstable arc condition
2. 신호처리 기법
3.1 이산 웨이블릿 변환
2단계 분류 단계에서는 1단계에서 식별된 체크포인트의 파형 구간(5주기)의 6개 채널 데이터(3상 전압와 3상 전류)에 신호 처리 기법을 적용한다.
첫 번째 신호처리 기법으로 이산 웨이블릿 변환(Discrete wavelet transform, DWT)을 적용하였다. DWT는 연속 웨이블릿 변환
(Continuous wavelet transform, CWT)의 이산 시간 형태으로 시간-주파수 영역에서 다중 해상도 분석을 가능하게 하여, 과도
현상을 포착하는 데 특히 적합하다 [9]. 각 분해 단계마다 입력 신호는 저주파 근사 성분과 고주파 세부 성분으로 분리되며, 이후 단계에서는 근사 성분을 대상으로 재귀적으로 반복된다. 이러한
계층적 구조는 원 신호의 거시적 특성과 미시적 특성을 추출할 수 있도록 한다. DWT의 수학적 표현은 아래 수식 (1)과 같다.
x(t)는 시간 영역에서의 원본 신호이며, $a_{J_{0}}[k]$는 가장 낮은 레벨 $J_{0}$에서의 근사 계수(approximation coefficient)이고,
$d_{j}[k]$는 각 레벨 j에서의 세부 계수(detail coefficient)이다. 함수 $\Phi_{J_{0}}[t]$와 $\psi_{j,\:
k}[t]$는 각각 저역 통과 필터와 고역 통과 필터를 의미하며, 두 함수 모두 시간 축에서 평행 이동 및 확대·축소 될 수 있다. 본 논문에서 사용한
웨이블릿 모함수는 Daubechies 4이며, 5주기(약 83.33 ms) 길이의 파형 구간 내에서 주요 주파수 대역의 성분을 충분히 분리할 수 있는
해상도를 확보하기 위해 4단계 분해 수준(Level 4)을 선택하였다.
3.2 이산 웨이블릿 변환 적용
계통 정상 운영 상태, A상 결상 조건, 저전류 아크 유입 조건에서 A상 전압에 대해 DWT를 적용하고, 그림 8-10과 같이 2D 스케일로그램으로 시각화하였다. 정상 상태와 저전류 아크 조건에서는 육안으로 뚜렷한 특징을 구별하기 어려웠으나, 결상 조건의 경우 두
조건과는 명확히 구분되는 특징을 보였다. 이후 실제 모델 학습에는 이미지가 아닌, 신호처리된 시계열 데이터를 사용하였으며, 계수별 정규화는 수행하지
않았다.
그림 8. 정상 상태, A상 전압 스케일로그램
Fig. 8. Scalogram of A-phase voltage under normal condition
그림 9. A상 결상 조건, A상 전압 스케일로그램
Fig. 9. Scalogram of A-phase voltage under OPC A
그림 10. 저전류 아크 조건, A상 전압 스케일로그램
Fig. 10. Scalogram of A-phase voltage under LCA
3.3 힐버트-황 변환
힐버트-황 변환(Hilbert-Huang transform, HHT)은 비선형 및 비정상 신호 분석에 적합하다 [10]. HHT의 첫 번째 단계인 경험적 모드 분해 (Empirical mode decomposition, EMD)를 통해 입력 신호는 규칙 기반으로 유한
개의 고유 모드 함수 (Intrinsic mode function, IMF) 집합으로 분해된다. 두 번째 단계인 힐버트 스펙트럴 분석 (Hilbert
Spectral Analysis, HSA)을 통해 IMF를 Hilbert 변환함으로써 순간 진폭과 순간 주파수를 얻고, 이를 통해 시간-주파수 분포를
도출할 수 있다. EMD의 수학적 표현은 식(2)과 같다.
x(t)는 원본 신호, $c_{i}(t)$는 i-번째 IMF, $r_{n}(t)$는 마지막 잔차 (residual)를 의미한다. IMF는 1) 상·하한
포락선(envelope)의 평균이 0이며, 2) 극값의 개수와 영점 교차점의 개수 차이가 최대 1인 함수로 정의된다. EMD는 원본 신호를 IMF
정의를 만족하는 여러 IMF와 나머지 잔차로 구성되도록 신호를 반복 분해하는 과정을 의미한다. 본 논문에서는 HHT의 전체 과정을 적용하지 않고,
EMD를 통해 획득한 IMF만을 모델 학습에 활용하였다. IMF의 개수는 IMF1부터 IMF5까지 총 5개로 설정하였으며, 이는 DWT의 4단계 분해를
통해 생성되는 근사 계수와 4개의 세부 계수) 구조와 차원을 일치시키기 위함이다. 이를 통해 DWT 기반 입력과 EMD 기반 입력이 동일한 CNN
구조에서 비교·학습될 수 있도록 구성하였다.
3.3 힐버트-황 변환 적용
DWT의 경우와 마찬가지로 정상 운영 상태, A상 결상 조건, 저전류 아크 유입 조건에서 A상 전압에 대해 EMD를 적용하고, 그림 11-13와 같이 IMF 값들을 2D 히트맵 이미지로 시각화하였다. DWT와 HHT로 전처리된 시계열 데이터는 계수(coefficient) 혹은 IMF를 수준별로
적층한 2D 행렬 표현으로 재구성된다. 이 행렬들은 지역적 특성 추출 및 분류에 최적화된 2차원 합성곱 신경망(2D CNN)의 입력으로 활용된다.
이를 통해 2D CNN은 감지하기 어려운 이벤트와 관련된 시공간적 특성을 효과적으로 학습할 수 있다.
그림 11. 정상 상태, A상 전압 IMFs
Fig. 11. IMFs of A-phase voltage under normal condition
그림 12. A상 결상 조건, A상 전압 IMFs
Fig. 12. IMFs of A-phase voltage under OPC A
그림 13. 저전류 아크 조건, A상 전압 IMFs
Fig. 13. IMFs of A-phase voltage under LCA
4. 신경망 모델
1단계 분류 모델은 표 2에 나타낸 바와 같이 1차원 시계열 데이터를 활용하는 CNN 모델이다. 본 모델은 채널 수가 점진적으로 증가하는 세 개의 합성곱 블록과 두 개의 완전
연결층(fully connected layers)으로 이루어져 있으며, 시계열 입력 데이터로부터 전력 품질 저하 현상을 분류하도록 설계되었다. 본
연구에서는 다양한 머신러닝 및 딥러닝 구조 중에서도 CNN을 채택하였는데, 이는 파형 신호의 지역적 특징과 주파수 변동 패턴을 자동으로 추출할 수
있어, 시계열 데이터나 시간-주파수 영역에서 국부적인 변화를 갖는 데이터를 분석하는 데 적합하기 때문이다. 모델의 학습 지표는 그림 14에 나타난 바와 같이 99.6%에 수렴하는 정확도를 보였으며, 모델의 분류 성능은 생성된 모든 데이터 중 5%에 해당하는 검증 데이터 세트를 사용하여
평가되었다. 검증 결과는 그림 15의 혼동 행렬로 제시된다.
표 2. 1단계 전력 품질 강하 현상 감지 모델 구조
Table 2. Structure of first-stage power quality disturbance detection model
|
Layer
|
Kernel
|
Stride
|
Channel
|
Activation
|
Additional Parameter
|
|
Conv1
|
(1,3)
|
(1,1)
|
32
|
Relu
|
-
|
|
Conv2
|
(1,3)
|
(1,1)
|
32
|
Relu
|
-
|
|
Pool1
|
Max(1,3)
|
(1,3)
|
-
|
-
|
배치 정규화
(32)
|
|
Conv3
|
(1,3)
|
(1,1)
|
64
|
Relu
|
-
|
|
Conv4
|
(1,3)
|
(1,1)
|
64
|
Relu
|
-
|
|
Pool2
|
Max
(1,3)
|
(1,3)
|
-
|
-
|
배치 정규화
(64)
|
|
Conv5
|
(1,3)
|
(1,1)
|
128
|
Relu
|
-
|
|
Conv6
|
(1,3)
|
(1,1)
|
128
|
Relu
|
-
|
|
Pool3
|
Global
Max
(1,3)
|
(1,1)
|
-
|
-
|
배치 정규화
(128)
|
|
FC1
|
Dense = 256
|
Relu
|
배치 정규화
(256)
|
|
FC2
|
Dense = 128
|
Relu
|
-
|
|
Output
|
Dense = 12
|
Softmax
|
-
|
그림 14. 1단계 모델 학습 지표
Fig. 14. Training metrics of the first-stage model
그림 15. 1단계 모델 혼동 행렬
Fig. 15. Confusion matrix of the first-stage mode
표 3의 2단계 모델은 총 6개 채널(3상 전압, 3상 전류)의 신호처리된 2차원 데이터를 입력으로 받아 이벤트를 분류하는 CNN 모델이다. 네 개의 합성곱-풀링
계층과 완전 연결층으로 구성된 CNN 구조를 채택하였다. 합성곱 커널 및 풀링 파라미터는 DWT와 HHT 처리를 통해 도출된 시간-주파수 특성을 효과적으로
포착할 수 있도록 2차원 값으로 선택되었다. 마찬가지로 그림 16과 그림 17는 각각 DWT 신호처리 기법을 활용한 모델의 학습 지표와 혼동 행렬을 보여주고, 그림 18과 그림 19는 HHT 신호처리 기법을 활용한 2단계 모델의 학습 지표와 혼동 행렬이다.
표 3. 2단계 이벤트 감지 모델 구조
Table 3. Structure of second-stage event detection model
|
Layer
|
Kernel
|
Stride
|
Channel
|
Activation
|
Additional Parameter
|
|
Conv1
|
(1,3)
|
(1,1)
|
32
|
Relu
|
-
|
|
Conv2
|
(1,3)
|
(1,1)
|
32
|
Relu
|
-
|
|
Pool1
|
Max(1,3)
|
(1,3)
|
-
|
-
|
배치 정규화
(32)
|
|
Conv3
|
(1,3)
|
(1,1)
|
64
|
Relu
|
-
|
|
Conv4
|
(1,3)
|
(1,1)
|
64
|
Relu
|
-
|
|
Pool2
|
Max
(1,3)
|
(1,3)
|
-
|
-
|
배치 정규화
(64)
|
|
Conv5
|
(1,3)
|
(1,1)
|
128
|
Relu
|
-
|
|
Conv6
|
(1,3)
|
(1,1)
|
128
|
Relu
|
-
|
|
Pool3
|
Global
Max
(1,1)
|
(1,1)
|
-
|
-
|
배치 정규화
(128)
|
|
FC1
|
Dense = 256
|
Relu
|
배치 정규화
(256)
|
|
FC2
|
Dense = 128
|
Relu
|
-
|
|
Output
|
Dense = 12
|
Softmax
|
-
|
그림 16. DWT-2단계 모델 학습 지표
Fig. 16. Training metrics of DWT-based second-stage model
그림 17. DWT-2단계 모델 혼동 행렬
Fig. 17. Confusion matrix of DWT-based second-stage model
그림 18. HHT-2단계 모델 학습 지표
Fig. 18. Training metrics of HHT-based second-stage model
그림 19. HHT-2단계 모델 혼동 행렬
Fig. 19. Confusion matrix of HHT-based second-stage model
5. 테스트 케이스
본 논문에서 제안한 2단계 계층적 프레임워크는 PSCAD/EMTDC에서 추출한 다양한 계통 테스트 케이스 파형을 통해 검증하였다. 1단계에서는 5주기(5/60초)
길이의 슬라이딩 창을 적용하여 체크포인트 검사를 수행하였다. 그림 20는 1초 동안 정상 상태를 유지한 경우를, 그림 21은 정상 상태에서 특정 시점에 저전류 아크를 주입한 경우를 각각 나타낸다. 그림 22는 단상 결상(A상 결상), 그림 23는 2상 결상(BC상 결상)에 대해 제안된 프레임워크(DWT 기반 2단계 모델 사용)를 적용한 결과를 보여준다.
정상 상태 및 저전류 아크 주입 파형의 경우, 1단계 PQD 감지 모델에서 전력 품질 저하 현상이 감지되지 않았다. 따라서 5주기마다 수행되는 Parallel
Reliability Check 메커니즘에 의해 생성된 체크포인트에서만 2단계 분류 모델이 활성화되었다. 정상 상태에서는 이벤트가 검출되지 않았으며,
저전류 아크 주입 케이스에서는 445.0 ms 이후 발생한 체크포인트에서 저전류 아크 이벤트가 정확히 감지되었다.
결상 조건의 경우, 이벤트 발생 이전에는 Parallel Reliability Check 메커니즘에 의한 주기적 체크포인트만 형성되었다. 그러나 결상
발생 시점이 슬라이딩 창에 포함되면 PQD 체크포인트가 새롭게 생성되고, 이 시점에서 2단계 이벤트 검증이 활성화된다. 그림 22의 A상 결상 조건 결과를 보면, 약 746.6 ms에서 결상이 발생한 직후 전압 및 전류 파형에서 PQD가 감지되며, 2단계 이벤트 검증 모델이
A상 결상으로 정확히 분류하는 것을 확인할 수 있다. 그림 23의 BC상 결상 결과에서도 유사한 거동이 나타나며, 결상 직후 여러 채널에서 PQD가 감지되어 2단계 모델이 활성화되고, 이후 BC상 결상 조건을
검출하였다.
다만 BC상 결상 이벤트의 초기 구간에서는 일시적으로 C상 결상 또는 AB상 결상으로 잘못 분류되는 경향이 나타났다. 이러한 C상 오분류는 결상 초기
구간의 슬라이딩 창에 고장 특징이 충분히 포함되지 않아 모델이 경계 조건에서 혼동을 일으킬 수 있음을 보여준다. 또한 AB상 오분류의 경우 2단계
학습 데이터가 결상 조건이 포함된 5주기 윈도우를 기반으로 학습되었기 때문에, 결상 발생 순간이 포함되지 않은, 결상 지속 조건에서는 확신도가 낮아질
수 있다. 이후 시간이 경과함에 따라 모델 출력이 BC상 결상 조건으로 안정적으로 수렴하는 것으로 확인되었다. 따라서 결상 조건이 5주기 윈도우 내부에
충분히 포함된 시점의 분류 결과를 더 신뢰도 있게 평가해야 함을 알 수 있다.
그림 20. 정상 상태 테스트 케이스 검증
Fig. 20. Validation of normal-condition test case
그림 21. 저전류 아크 (445.0ms) 테스트 케이스 검증
Fig. 21. Validation of low-current arc test case (445.0 ms)
그림 22. A상 OPC (746.6ms) 테스트 케이스 검증
Fig. 22. Validation of A-phase OPC test case (746.6 ms)
그림 23. BC상 OPC (134.8ms) 테스트 케이스 검증
Fig. 23. Validation of BC-phase OPC test case (134.8 ms)
6. 향후 계획
본 연구의 진단 프레임워크는 결상(OPC)과 저전류 아크(LCA)를 중심으로 설계되었으나, 실제 원전 소내 전력계통에서는 이 외에도 다양한 고장 및
이상 이벤트가 발생할 수 있다. 향후 연구에서는 2단계 분류 모델의 범용적 적용을 위해 보다 다양한 계통 조건, 부하 상태, 결상 위치, 아크 발생
특성 등을 반영한 파형 데이터를 추가로 확보할 예정이다. 또한 결상 및 저전류 아크 이외의 고장 유형을 포함하여, 보다 범용적인 이상 이벤트 진단
모델로 확장하는 것을 목표로 한다.
아울러, 디지털 트윈 기반의 시뮬레이션 환경을 구축함으로써 장기간 운영 데이터, 부하 변동, 외부 교란 요인을 반영한 실계통 기반 학습 데이터를 확보한다면
제안된 프레임워크의 신뢰성과 실계통 적용성을 더욱 강화할 수 있을 것으로 기대된다.
7. 결 론
본 논문에서는 원전 소내 4.16 kV Class 1E 부하 모선에서 계측한 3상 전압·전류 파형만을 사용하여 결상(OPC)과 저전류 아크(LCA)와
같은 저감지성 이상 상태를 실시간으로 검출하기 위한 2단계 딥러닝 기반 진단 프레임워크를 제안하였다. 1단계에서는 CNN 기반 PQD 검출을 통해
이상 징후를 선별하고, 2단계에서는 DWT 및 HHT 기반 신호처리 및 2D CNN 분류 모델을 통해 이벤트 유형을 판별하는 구조를 적용하였다.
제안된 프레임워크는 불필요한 연산을 줄이는 선택적 처리 구조를 통해 실시간성을 확보하면서도, PSCAD/EMTDC 기반 양한 테스트 케이스에서 정상
상태와 결상 조건 및 저전류 아크를 높은 정확도로 구분하는 성능을 보여주었다. 이러한 결과는 기존 보호계전기 방식만으로 검출이 어려운 이벤트에 대해
본 프레임워크가 효과적인 보조 감시 수단으로 활용될 수 있음을 시사한다.
Acknowledgements
- This work was supported by the National Research Foundation of Korea(NRF) grant
funded by the Korea government(MSIT) (No. RS-2023-00218377).
- This work was supported by the Nuclear Safety Research Program through the Korea
Foundation Of Nuclear Safety(KoFONS) using the financial resource granted by the Nuclear
Safety and Security Commission(NSSC) of the Republic of Korea. (No.2204009)
References
2017, Impact of Open Phase Conditions on Electrical Power Systems of Nuclear Power
Plants

A. Dwayne Cox, H. Chaluvadi, 2018, Open-phase detection for station auxiliary transformers

Tsuchino Susumu, Matsuda Akihiro, Turner Stephen, 2019, Structual Effect Caused By
High Energy Arcing Faults At Nuclear Power Plants

Shouxiang Wang, Haiwen Chen, 2019, A novel deep learning method for the classification
of power quality disturbances using deep convolutional neural network, Elsevier Applied
Energy, Vol. 235, pp. 1126-1140

2019, IEEE Recommended Practice for Monitoring Electric Power Quality

N. M. Rodrigues, F. M. Janeiro, P. M. Ramos, 2023, Deep Learning for Power Quality
Event Detection and Classification Based on Measured Grid Data, IEEE Transactions
on Instrumentation and Measurement, Vol. 72, pp. 1-11

Suhail Khokhar, 2017, A new optimal feature selection algorithm for classification
of power quality disturbances using discrete wavelet transform and probabilistic neural
network, Measurement, Vol. 95, pp. 246-259

Xin Zhang, S. M. Rowland, 2011, Modelling of low current surface discharges using
PSCAD

Xin Zhang, 2018, Modeling the development of low current arcs and arc resistance simulation,
IEEE transactions on dielectrics and electrical insulation, Vol. 25, No. 6, pp. 2049-2057

Samir Avdakovic, 2012, Wavelet transform applications in power system dynamics, Electric
Power Systems Research, Vol. 83, No. 1, pp. 237-245

Norden E. Huang, Zhaohua Wu, 2008, A review on Hilbert-Huang transform: Method and
its applications to geophysical studies, Reviews of geophysics, Vol. 46, No. 2

저자소개
He received the B.S. degree from Korea University, Seoul, Republic of Korea, in 2022.
He is currently pursuing Ph.D. degree in Electrical Engineering at Korea University.
His research interests include power system analysis, data-driven methods for power
systems, and artificial intelligence applications in power systems.
He received the B.S. degree in electrical engineering from Soongsil University, South
Korea, in 2022. He is currently pursuing the Ph.D. degree in electrical engineering
from Korea University, Seoul, South Korea. His research interests include the operation
of distribution systems and microgrids, robust optimization, and machine learning
He received the B.S. and M.S. degrees in electrical engineering in 2021 and 2023 from
University of Ulsan, Ulsan, South Korea. He is currently working toward the Ph.D.
degree in Korea University, Seoul, South Korea. His research interests include AI
application in power systems, power system synchronization stability, and power system
dynamics and control.
He received the B.S. and Ph.D. degrees in electrical engineering from Korea University,
Seoul, South Korea, in 2013 and 2020, respectively. From March 2020 to March 2021,
he was a Research Professor with the School of Electrical Engineering, Korea University.
From April 2021 to February 2022, he was a Postdoctoral Employee with the Qualcomm
Institute, University of California, San Diego, CA, USA. He is currently an Assistant
Professor with the School of Electrical Engineering, Myongji University, Yongin, South
Korea. His research interests include renewable energy integration, power system stability,
and stochastic assessment of power system reliability with a high penetration of renewable
generators.
He received the B.S. and M.S. and Ph.D. degrees in electric engineering from Korea
University, Seoul, Korea. He was a Research professor with the School of Electrical
Engineering, Korea University for seven months and was a professor with the Deartment
of Electrical Enginneing, Hanbat National University, Daejeon, Korea. Since 2024,
he has been with the Department of Electrical and Computer Engineering, University
of Seoul, Seoul, Korea. His research interests include IBR resources and Grid-Forming.
He is a professor in the School of Electrical Engineering at Korea University and
Director of the Resilient Autonomous Grid Research Center. He received a BS and MS
from Korea University and a PhD from Iowa State University. He was a visiting scientist
in the Electrical and Computer Engineering Department at Iowa State University and
a researcher at the Korea Electric Power Research Institute. His main research interests
are in power system dynamics and control.