• 대한전기학회
Mobile QR Code QR CODE : The Transactions of the Korean Institute of Electrical Engineers
  • COPE
  • kcse
  • 한국과학기술단체총연합회
  • 한국학술지인용색인
  • Scopus
  • crossref
  • orcid

  1. (Dept. of Electrical, Electronics and Communication Engineering, Korea University of Technology and Education, Republic of Korea. / Smart Grid Research Department, Green Energy Institute, Republic of Korea, Republic of Korea.)
  2. (Dept. of Electrical, Electronics and Communication Engineering, Korea University of Technology and Education, Republic of Korea.)



VPL Device, ESS, Platform, Renewable Energy Source, Flexible Energy Resource, Power Facility Infrastructure, Hosting Capacity

1. 서 론

최근, 전 세계적인 그린뉴딜 및 RE3020 정책에 따라 배전선로에 연계된 신재생에너지 용량이 급격하게 증가하고 있는 실정이다[1-3]. 특히, 태양광전원은 낮 시간대에 발전량이 급증하는 특성으로 인하여, 수용가의 전압이 규정범위(207[V]~233[V])를 초과하는 사례가 빈번하게 발생하고 있다[4-7]. 이러한 문제점을 해결하기 위하여, 부하 예측을 통해 ESS를 적정하게 충방전하여 배전선로의 허용용량을 유지하는 방안과 기준의 ESS 연계 위치 선정방안이 제시되고 있다[8,9]. 또한, 신재생에너지 수용성 향상을 위하여 특고압 배전선로에 연계되는 VPL 장치의 운용특성과 도입에 대한 타당성 평가방안이 제안되고 있다[10]. 하지만, ESS의 용량을 산정하는 방안과 저압선로에 급속도로 연계되는 신재생에너지의 수용성을 향상시키기 위한 연구는 미흡한 실정이다.

따라서, 본 논문에서는 전력설비 인프라를 새롭게 설치하지 않고, 신재생에너지의 연계지점이나 수용가 말단 등에 ESS와 운용 플랫폼을 설치 및 운용하여, 신재생에너지의 수용성을 향상시키는 가상적인 전력선로 운용기술인 VPL(virtual power line) 장치의 운용특성을 제시한다. 여기서, VPL 장치는 VPL 운용 플랫폼, VPL용 ESS, 등으로 구성되는데, 운용 플랫폼은 배전계통, 신재생에너지, 계통유연자원의 운용 데이터를 실시간으로 모니터링하고, 이를 바탕으로 플랫폼의 제어신호에 의하여 ESS의 충·방전 동작을 수행한다. 또한, VPL 장치의 효율적인 운용을 위하여, ESS의 전력 조정치를 바탕으로 수용가의 전압을 규정전압(233[V]) 범위 이내로 조정하는 최소 도입용량과 기준전압(220[V])으로 유지하는 VPL 장치의 최소 및 기준 용량 산정방안을 제안한다. 한편, 본 논문에서는 전력계통 상용해석 프로그램인 PSCAD/EMTDC를 이용하여 VPL 장치부, VPL 평가시험장치부, 등으로 구성된 VPL 장치가 연계된 저압 배전계통의 모델링을 수행하고, 이를 바탕으로 VPL 시험장치를 구현한다. 상기에서 제시한 모델링과 시험장치를 바탕으로, VPL 장치의 운용특성을 평가한 결과, 11[kW]의 태양광전원의 저압선로 말단에 연계되는 경우, 태양광전원의 역조류에 의하여 수용가의 전압은 모델링과 시험장치에서 모두 238[V]로 산정되어, 수용가의 과전압 현상이 발생함을 알 수 있다. 이러한 수용가의 과전압을 규정범위 이내로 유지하기 위한 VPL 장치의 최소 도입용량은 2.6[kW]/5.8[kWh]로 산정되고, 이를 통해 수용가의 전압은 모델링과 시험장치에서 모두 규정전압 상한치 이내인 232[V]로 감소됨을 알 수 있다. 또한, 수용가의 전압을 기준전압으로 유지하기 위한 VPL 장치의 기준 도입용량은 8.5[kW]/22[kWh]로 산정되고, 이를 통해 수용가의 전압은 모델링과 시험장치에서 모두 기준전압인 220[V]으로 유지됨을 알 수 있다. 따라서, PSCAD/EMTDC 모델링과 시험장치의 결과에 의한 운용특성이 일치하고, 태양광전원의 수용성을 개선시킬 수 있으므로, 본 논문에서 제안한 VPL 장치의 운용방안의 유효성을 알 수 있다.

2. 신재생에너지의 수용성 향상을 위한 VPL 장치의 운용특성

VPL 장치는 전력설비 인프라를 신규로 설치하지 않고, 신재생에너지의 수용성을 향상시킬 수 있는 가상 전력선 운용기술이다. 여기서, VPL 장치는 그림 1과 같이 운용 플랫폼과 ESS(energy storage system)로 구성되는데, 플랫폼은 NDIS(new distribution information system), DAS(distribution automation system), SCADA(Supervisory Control And Data Acquisition), 등으로 구성된 기존 배전계통 운용시스템을 바탕으로, 수용가, 신재생에너지, 계통유연자원(VPP(virtual power plant), DR(demand response), 에너지 프로슈머, 마이크로그리드 등)의 운용 데이터를 실시간으로 모니터링 및 제어를 수행한다. 또한, VPL 장치용 ESS는 수용가의 전압이 규정범위를 벗어날 경우, 운용 플랫폼의 제어 신호에 의하여 충전 동작을 수행하고, 계통유연자원과 협조 운용으로 신재생에너지의 수용성을 증가시킬 수 있다. 즉, 신재생에너지의 역조류로 인하여 수용가의 전압이 규정범위를 벗어나는 경우, VPL 장치는 배전계통, 신재생에너지, 계통유연자원의 운용 데이터를 이용하여 VPL 장치용 ESS를 충전시키고, DR 수용가와 협조를 통해 수용가의 전압을 적정하게 유지시킬 수 있다.

그림 1. VPL 장치의 구성

Fig. 1. Configuration of VPL device

../../Resources/kiee/KIEE.2026.75.1.19/fig1.png

3. 저압선로용 VPL 장치의 기준 용량 산정 알고리즘

신재생에너지가 연계된 저압 배전계통은 그림 2와 같이 주상변압기, 저압선로, 인입선, 수용가 부하, 신재생에너지 등으로 구성된다. 여기서, 저압선로에 연계된 신재생에너지에 의하여 수용가에 과전압이 발생하는 경우, 그림 2의 Ⓐ와 같이 VPL 장치를 저압선로 말단 또는 신재생에너지의 연계구간에 설치하여, 수용가의 전압을 적정하게 유지할 수 있다. 하지만, VPL 장치는 ESS와 운용 플랫폼 구축, 통신 인프라의 추가 설치로 인해, 상당한 초기 투자비용이 발생할 가능성이 있으므로, 이를 해결하기 위하여 ESS의 적정용량을 산정할 필요성이 요구되고 있다. 따라서, 본 장에서는 최소의 비용으로 수용가의 전압을 규정전압(233[V]) 범위 이내로 조정하는 최소 도입용량과 부하 및 신재생에너지의 급격한 변화에도 안정적으로 전압을 관리하기 위하여, 수용가의 전압을 기준전압(220[V])으로 유지시키는 기준 도입용량의 산정방안을 제안한다.

그림 2. 신재생에너지가 연계된 저압 배전계통의 구성도

Fig. 2. Concept of secondary feeder with renewable energy source

../../Resources/kiee/KIEE.2026.75.1.19/fig2.png

먼저, 신재생에너지와 VPL 장치가 연계된 저압 배전계통을 등가화하여 나타내면 그림 3과 같다. 즉, 신재생에너지 역조류로 인하여 가장 큰 과전압이 발생한 k번 구간의 수용가 전압($V_{con}(t,\: k)$)은 주상변압기 2차측 직하 전압과 저압선로, 인입선의 전압강하를 고려하여 식 (1)과 같이 정식화할 수 있다. 여기서, 식 (1)의 첫 번째 항은 주상변압기 2차측의 직하 전압으로, 주상변압기 탭에 의해 환산된 2차측 전압에서 내부전압 강하($V_{ptr\_drop}(t)$)를 고려하여 산정한다. 또한, 식 (1)의 두 번째 항은 저압선로에 의한 전압강하를 나타내며, k번 구간의 부하전류($I_{\sec}(t,\: k)$)와 신재생에너지의 역조류($I_{ren}(t,\: k)$)의 차를 저압선로 임피던스($Z_{\sec}(k)$)에 곱하고, 이 값을 n번 구간까지 누적하여 산정한다. 한편, 식 (1)의 세 번째 항은 수용가의 인입선 전압강하로, k번 구간의 인입선 부하전류($I_{ser}(t,\: k)$)와 인입선 임피던스($Z_{ser}(k)$)를 곱하여 산정한다.

(1)
$ V_{con}(t,\: k)=[(V_{ptr,\: pri}(t,\: n)\cdot\frac{V_{tap,\: \sec}}{V_{tap,\: pri}})-(V_{ptr\_drop}(t)\cdot\alpha(t))]\\ -[\sum_{k=1}^{n}((I_{\sec}(t,\: k)-I_{ren}(t,\: k))\cdot Z_{\sec}(k))]\\ -[I_{ser}(t,\: k) \cdot Z_{ser}(k)] $

여기서, $V_{con}(t,\: n)$ : 과전압이 가장 크게 발생한 k번 구간의 수용가 전압[V], $V_{ptr,\: pri}(t,\: k)$: 주상변압기의 1차측 전압[V], $V_{tap,\: pri}$: 주상변압기의 1차측 탭 전압[V], $V_{tap,\: \sec}$: 주상변압기의 2차측 탭 전압[V], $V_{ptr\_drop}(t)$: 주상변압기의 내부 전압강하[V], $\alpha(t)$: 수용가의 부하율[%], $I_{\sec}(t,\: k)$: k번 구간의 부하전류[A], $I_{ren}(t,\: k)$: k번 구간의 신재생에너지 역조류[A], $Z_{\sec}(k)$: k번 구간 저압선로 임피던스[Ω], $I_{ser}(t,\: k)$: k번 구간의 인입선 부하전류[A], $Z_{ser}(k)$: k번 구간의 인입선 임피던스[Ω], k: 구간, n: 전체구간, t: 시간대

그림 3. VPL 장치와 신재생에너지가 연계된 저압선로

Fig. 3. Secondary feeder interconnected with VPL device and renewable energy source

../../Resources/kiee/KIEE.2026.75.1.19/fig3.png

따라서, 과전압 현상이 가장 심한 가혹한 조건에 대하여, 식 (1)의 수용가 전압을 규정전압 상한치($V_{upper}$, 233[V]) 이내와 기준전압($V_{ref}$, 220[V])으로 유지하기 위한 전압조정 개념도는 그림 4와 같이 나타낼 수 있다. 여기서, 그림 4 (a)의 A 영역은 수용가의 전압이 규정범위를 벗어난 시간대를 나타내며, 이를 해소시키기 위한 VPL 장치의 최소 전압 조정치($V_{con\_min}(t)$)는 과전압이 발생한 수용가의 전압을 규정전압 범위 이내로 유지시키기 위한 값으로, 식 (2)와 같이 과전압이 가장 크게 발생한 수용가의 전압($V_{con}(t,\: n)$)에서 상한치 전압($V_{upper}$)을 차감한 값으로 산정할 수 있다.

또한, 그림 4 (b)의 B 영역은 수용가의 전압이 규정범위를 벗어난 시간대를 나타내며, 이를 해소시키기 위한 VPL 장치의 기준전압 조정치($V_{con\_ref}(t)$)는 과전압이 발생한 수용가의 전압을 기준전압으로 유지시키기 위한 값으로, 식 (3)과 같이 과전압이 가장 크게 발생한 수용가의 전압($V_{con}(t,\: n)$)에서 기준 전압($V_{ref}$)을 차감한 값으로 산정할 수 있다.

(2)
$ V_{con\_min}(t)=V_{con}(t,\: n)- V_{upper} $
(3)
$ V_{con\_ref}(t)=V_{con}(t,\: n)- V_{ref} $

여기서, $V_{con\_min}(t)$ : VPL 장치의 최소 전압 조정치[V], $V_{con\_ref}(t)$ : VPL 장치의 기준 전압 조정치[V], $V_{upper}$: 규정전압 상한치(233[V]), $V_{ref}$: 기준전압(220[V])

그림 4. VPL 장치의 최소 및 기준 전압 조정치 개념도

Fig. 4. Concept of minimum and reference voltage control values in VPL device

../../Resources/kiee/KIEE.2026.75.1.19/fig4.png

또한, VPL 장치의 최소 및 기준 전류 조정치는 과전압이 발생된 저압선로의 역조류를 흡수하여, 수용가의 전압을 상한치 이내와 기준전압으로 유지시킨다. 즉, 상기의 식 (2)와 식 (3)을 바탕으로, 수용가의 전압을 상한치 이내로 유지하기 위한 최소전류 조정치($I_{VPL\_min}(t)$)는 VPL 장치의 연계구간까지의 선로 임피던스 합으로 나누어 식 (4)와 같이 나타낼 수 있으며, 수용가의 전압을 기준전압으로 유지하기 위한 기준 전류 조정치($I_{VPL\_ref}(t)$)는 식 (5)와 같이 나타낼 수 있다. 여기서, 선로 임피던스는 VPL 장치의 운전 역률(1.0)을 기준으로 산정한다. 따라서, VPL 장치의 최소 및 기준 전력 조정치는 상기에서 제시한 식 (4)와 식 (5)의 전류 조정치와 규정전압 범위를 벗어난 수용가의 전압($V_{con}(t,\: n)$)을 곱하여, 식 (6), 식 (7)과 같이 나타낼 수 있다.

(4)
$ I_{VPL\_min}(t)=\frac{V_{con\_min}(t)}{\sum_{k=1}^{n}Z_{\sec}(k)} $
(5)
$ I_{VPL\_ref}(t)=\frac{V_{con\_ref}(t)}{\sum_{k=1}^{n}Z_{\sec}(k)} $
(6)
$ P_{VPL\_min}(t)=3 \cdot V_{con}(t,\: k)\cdot I_{VPL\_min}(t) $
(7)
$ P_{VPL\_ref}(t)=3 \cdot V_{con}(t,\: k)\cdot I_{VPL\_ref}(t) $

여기서, $I_{VPL\_min}(t)$ : VPL 장치의 최소 전류 조정치[A], $I_{VPL\_ref}(t)$ : VPL 장치의 기준 전류 조정치[A], $Z_{\sec}(k)$ : k번 구간 저압선로의 임피던스[Ω/km], $P_{VPL\_min}(t)$ : VPL 장치의 최소 전력 조정치[kW], $P_{VPL\_ref}(t)$ : VPL 장치의 기준 전력 조정치[kW]

따라서, 상기의 VPL 장치의 최소 및 기준 전력 조정치를 바탕으로, 규정전압을 벗어난 시간대($t_{1}$ ~ $t_{2}$)에 수용가의 전압을 규정전압 상한치 이내로 유지하기 위한 VPL 장치의 최소 kW 및 kWh 도입용량은 식 (8)과 식 (9)와 같이 나타낼 수 있다. 즉, VPL 장치의 최소 kW 도입용량($VPL_{min\_kW}$)은 그림 5와 같이, $t_{1}$ ~ $t_{2}$ 시간대의 가장 큰 전력 조정치 값으로 결정하고, 최소 kWh 도입용량($VPL_{min\_kWh}$)은 VPL 장치의 최소 전력 조정치를 $t_{1}$ ~ $t_{2}$ 시간대에 대하여 적산한 값으로 나타낼 수 있다.

(8)
$ VPL_{min\_kW}=\max[P_{VPL\_min}(t_{1})\bullet\bullet\bullet P_{VPL\_min}(t_{2})] $
(9)
$ VPL_{min\_kWh}=\int_{t_{1}}^{t_{2}}P_{VPL\_min}(t)dt $

여기서, $VPL_{min\_kW}$ : VPL 장치의 최소 kW 도입용량[kW], $VPL_{min\_kWh}$ : VPL 장치의 최소 kWh 도입용량[kWh], $t_{1}$ ~ $t_{2}$: 규정전압 범위를 벗어난 시간대

그림 5. VPL 장치의 최소 전력 조정치 개념도

Fig. 5. Concept of minimum control power value in VPL device

../../Resources/kiee/KIEE.2026.75.1.19/fig5.png

또한, 수용가의 전압이 규정전압 범위를 벗어난 시간대($t_{1}$ ~ $t_{2}$)에 기준전압으로 유지하기 위한 VPL 장치의 기준 kW 및 kWh 도입용량은 식 (10)과 식 (11)과 같이 나타낼 수 있다. 즉, 기준 kW 도입용량($VPL_{ref\_kW}$)은 그림 5와 동일한 방법으로, $t_{1}$ ~ $t_{2}$ 시간대의 VPL 장치의 가장 큰 전력 조정치 값으로 결정하고, 기준 kWh 도입용량($VPL_{ref\_kWh}$)은 기준 전력 조정치를 $t_{1}$ ~ $t_{2}$ 시간대에 대하여 적산한 값으로 나타낼 수 있다.

(10)
$ VPL_{ref\_kW}=\max[P_{VPL\_ref}(t_{1})\bullet\bullet\bullet P_{VPL\_ref}(t_{2})] $
(11)
$ VPL_{ref\_kWh}=\int_{t_{1}}^{t_{2}}[P_{VPL\_ref}(t)]dt $

여기서, $VPL_{ref\_kW}$ : VPL 장치의 기준 kW 도입용량[kW], $VPL_{ref\_kWh}$ : VPL 장치의 기준 kWh 도입용량[kWh], $t_{1}$ ~ $t_{2}$: 규정전압 범위를 벗어난 시간대

4. PSCAD/EMTDC를 이용한 30kW급 저압선로용 VPL 장치의 모델링

4.1 VPL 장치의 모델링

4.1.1 VPL용 ESS

VPL 장치는 VPL용 ESS와 플랫폼으로 구성되는데, ESS는 그림 6과 같이 PCS와 배터리로 나타낼 수 있다. 여기서, PCS는 그림 6 (a)와 같이 L-C 필터, IGBT 모듈, DC 링크 커패시터 등으로 구성된다. L-C 필터는 전력변환 시 발생하는 고조파와 노이즈를 저감시키고, IGBT는 스위칭을 통해 DC 전력을 120° 위상차를 갖는 3상 AC 전력으로 변환시키며, DC 링크 커패시터는 DC 전압을 안정적으로 유지시키는 역할을 수행한다. 또한, 배터리는 그림 6 (b)와 같이 단자전압, 내부저항 등으로 구성되며, 다수의 배터리 모듈을 하나의 배터리 랙으로 등가화하여 나타낸다.

그림 6. VPL용 ESS의 모델링

Fig. 6. Modeling of ESS for VPL device

../../Resources/kiee/KIEE.2026.75.1.19/fig6.png

한편, PCS의 유효전력과 무효전력의 제어를 수행하기 위한 d축과 q축의 기준전류($I_{d,\: ess}^{*}$, $I_{q,\: ess}^{*}$)는 PI 제어 알고리즘을 바탕으로 각각 식 (12), 식 (13)과 같이 산정되며, 양의 값이면 ESS를 방전하고, 음의 값이면 충전한다.

(12)
$ I_{d,\: ess}^{*}=(K_{p}+\frac{K_{i}}{s})\cdot(P_{d}^{*}-P_{d}(t)) $
(13)
$ I_{q,\: ess}^{*}=(K_{p}+\frac{K_{i}}{s})\cdot(Q_{q}^{*}-Q_{q}(t)) $

여기서, $I_{d,\: ess}^{*}$ : VPL 장치의 출력을 위한 d축 기준전류, $I_{q,\: ess}^{*}$ : VPL 장치의 출력을 위한 q축 기준전류, $P_{d}^{*}$: d축 유효전력 기준 값, $P_{d}(t)$: d축 유효전력 출력 값, $Q_{q}^{*}$: q축 무효전력 기준 값, $Q_{q}(t)$: q축 무효전력 출력 값, $K_{p}$: 비례상수, $K_{i}$: 적분상수

4.1.2 VPL용 플랫폼

모니터링 및 충전제어 장치로 구성된 VPL용 플랫폼은 그림 7과 같이 나타낼 수 있다. 여기서, 모니터링 장치는 계측기를 통해 저압선로에 연계된 수용가의 전압과 전류, 신재생에너지 전원의 출력, VPL용 ESS의 SOC와 출력, 등의 운용 데이터를 실시간으로 수집한다. 또한, 충전 제어장치는 수용가의 과전압이 발생하는 경우, 모니터링 장치의 운용 데이터를 바탕으로 규정전압을 벗어난 수용가의 전압만큼 VPL용 ESS를 충전시켜 수용가의 전압을 적정하게 유지시키는 역할을 수행한다.

그림 7. VPL용 운용 플랫폼의 모델링

Fig. 7. Modeling of operation platform in VPL device

../../Resources/kiee/KIEE.2026.75.1.19/fig7.png

4.2 VPL 평가시험장치의 모델링

VPL 평가시험장치는 모의 배전계통부와 태양광전원부로 구성되는데, 배전계통부는 그림 8과 같이 AC 전원, 모의 저압선로, 모의 수용가 부하, 등으로 모델링 할 수 있다. 여기서, AC 전원은 AC 380[V]의 3상 4선식이고, 배전용 변압기는 30[kVA]의 정격용량을 가지며, Y-Yg 결선방식으로 380[V]/380[V]의 변압비를 적용한다. 또한, 모의 저압선로는 최대 전압강하 20[%]를 고려하여 저항과 리액턴스 성분으로 모델링을 수행하며, 선로 임피던스에 따른 수용가 과전압 특성을 모의하기 위하여 2개의 구간으로 구성한다. 한편, 모의 태양광전원부는 그림 9와 같이 DC 전원공급장치와 계통연계형 인버터 등으로 구성된다. 여기서, DC 전원공급장치는 IGBT의 스위칭을 통해 AC 전력을 DC로 변환하여 계통연계형 인버터에 공급하는 역할을 수행한다.

그림 8. 모의 배전계통부 모델링

Fig. 8. Modeling of simulated distribution system

../../Resources/kiee/KIEE.2026.75.1.19/fig8.png

그림 9. 모의 태양광전원부의 모델링

Fig. 9. Modeling of simulated PV system

../../Resources/kiee/KIEE.2026.75.1.19/fig9.png

4.3 전체 시스템

상기의 내용을 바탕으로, 신재생에너지의 수용성 향상을 위한 저압선로용 VPL 장치의 전체 시스템은 그림 10과 같이 나타낼 수 있다. 여기서, A 부분은 VPL용 ESS와 플랫폼으로 구성된 VPL 장치, B 부분은 모의 배전계통부, 태양광전원부, 등으로 구성된 VPL 평가시험장치를 나타낸다.

그림 10. VPL 시험장치의 전체 시스템 모델링

Fig. 10. Modeling of entire system in VPL device

../../Resources/kiee/KIEE.2026.75.1.19/fig10.png

5. 30kW급 저압선로용 VPL 장치의 구현

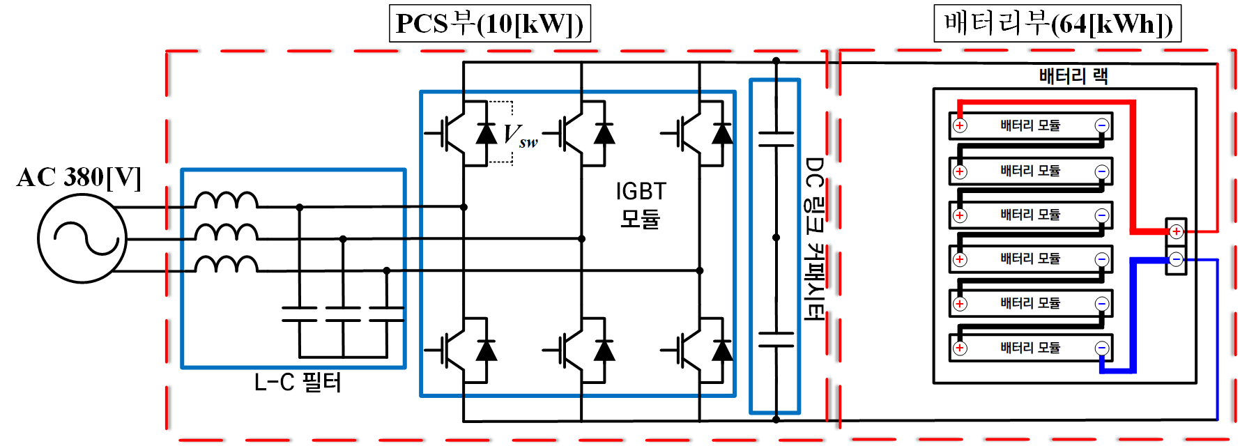
5.1 10kW/64kWh급 VPL 장치

5.1.1 VPL용 ESS

VPL용 ESS는 그림 11과 같이, 10kW급 PCS부와 64kWh급 배터리부로 구성한다. 여기서, PCS부는 IGBT 모듈, L-C 필터, DC link 커패시터 등으로 구성되는데, IGBT 모듈은 스위칭을 통해 DC 전력을 120° 위상차를 갖는 3상 AC로 변환시켜, 배터리의 충·방전 동작을 수행한다. 또한, L-C 필터는 전력변환 시 발생하는 고조파와 노이즈를 저감시키고, DC link 커패시터는 DC 전압을 안정적으로 유지시키는 역할을 수행한다. 한편, 배터리부는 정격전압 44[V], 용량 246[Ah]의 리튬이온배터리 모듈을 6직렬 1병렬(6S1P)로 조합하여, 64[kWh]의 배터리 랙으로 구현한다.

그림 11. VPL 장치용 ESS의 구성도

Fig. 11. Configuration of ESS in VPL device

../../Resources/kiee/KIEE.2026.75.1.19/fig11.png

5.1.2 VPL용 플랫폼

VPL용 플랫폼은 그림 12와 같이, 센서부, DB부, 운용 및 감시제어부 등으로 구성된다. 여기서, 센서부는 모의 배전계통부, 태양광전원부, VPL용 ESS의 운용 데이터를 계측하고, DB부는 수집된 운용 데이터를 통신 변환기를 통해 서버에 저장한다. 또한, 운용 및 감시제어부는 운용 S/W와 PLC 등으로 구성되는데, 운용 S/W는 운용 데이터의 모니터링을 수행하고, 수용가의 전압이 규정범위를 벗어나면 PLC를 통하여, VPL용 ESS부를 제어한다.

그림 12. VPL 장치용 플랫폼의 구성

Fig. 12. Concept of operation platform in VPL device

../../Resources/kiee/KIEE.2026.75.1.19/fig12.png

5.2 30kW급 VPL 평가시험장치

VPL 평가시험장치는 그림 13과 같이, 모의 배전계통부와 태양광전원부로 구성된다. 여기서, 배전계통부는 AC 전원, 배전용 변압기, 모의 저압선로, 모의 수용가 부하 등으로 구성되는데, AC 전원은 AC 380[V]의 3상 4선식이고, 배전용 변압기는 30[kVA]의 정격용량을 가지며, Y-Yg 결선방식으로 380[V]/380[V]의 변압비를 적용한다. 또한, 모의 저압선로는 실 계통의 배전선로를 저항 성분과 리액턴스 성분의 lab-scale로 축약하여 구성하고, 선로 임피던스에 따른 수용가 과전압 특성을 모의하기 위하여 2개의 구간으로 구현한다.

한편, 태양광전원부는 20kW급의 DC 전원공급장치와 30kW급 계통연계형 인버터 등으로 구성되는데, DC 전원공급장치는 IGBT의 스위칭을 통해 AC 전력을 DC로 변환하여 계통연계형 인버터에 공급하는 역할을 수행한다. 또한, 입력 필터, DC link 커패시터, IGBT, 출력 필터 등으로 구성된 계통연계형 인버터는 IGBT의 스위칭을 통해 DC 전력을 3상 AC로 변환하고, PLL 제어를 바탕으로 계통의 위상을 추종하여 전력을 공급한다.

그림 13. VPL 평가시험장치의 구현

Fig. 13. Implementation of evaluation testbed for VPL device

../../Resources/kiee/KIEE.2026.75.1.19/fig13.png

5.3 전체 구성

상기의 내용을 바탕으로, 신재생에너지의 수용성 향상을 위한 10kW/64kWh급 VPL 장치와 30kW급 평가시험장치의 전체 구성도는 그림 14와 같이 나타낼 수 있다. 여기서, A 부분은 ESS와 플랫폼 등으로 구성된 VPL 장치, B 부분은 모의 배전계통부, 태양광전원부 등으로 구성된 VPL 평가시험장치를 나타낸다.

그림 14. VPL 시험장치의 구현

Fig. 14. Configuration of total system

../../Resources/kiee/KIEE.2026.75.1.19/fig14.png

6. 시뮬레이션 및 시험 결과 분석

6.1 시뮬레이션 및 시험 조건

신재생에너지의 수용성 향상을 위한 저압선로용 VPL 시험장치의 시뮬레이션 및 시험조건은 표 1과 같이 나타낼 수 있다. 여기서, AC 전원은 380[V]의 3상 4선식이며, 모의 저압선로의 1번 구간(긍장) 선로 임피던스는 선로의 중간지점을 모의하기 위하여 0.4+j0.8[Ω]으로 설정하고, 2번 구간은 선로 말단지점을 모의하기 위하여 1+j2[Ω]으로 상정한다. 또한, 태양광전원의 역조류에 의하여 수용가의 과전압을 모의하기 위하여, 1번과 2번 구간 부하의 용량은 각각 4.5[kW], 1.5[kW]로 설정하며, 태양광전원의 용량은 11[kW]로 상정한다. 한편, 본 논문에서는 30kW급 VPL 장치와 저압 배전계통에 관한 시뮬레이션 모델링과 이를 바탕으로 구현한 저압선로용 VPL 장치를 이용하여, 동일한 조건에서 VPL 장치의 운용특성에 대하여 시뮬레이션 및 시험 결과를 제시한다.

표 1. 시뮬레이션 및 시험 조건

Table 1. Simulation and test conditions

항 목 내 역
AC 전원 3상 4선식 380[V]
저압선로 임피던스 [Ω] 1번 구간 0.4+j0.8
2번 구간 1+j2
3상 수용가 부하 [kW] 1번 구간 4.5
2번 구간 1.5
태양광전원 [kW] 11
VPL 장치 [kW/kWh] 10/64

6.2 PSCAD/EMTDC의 모델링에 의한 운용특성

6.2.1 VPL 장치의 최소 도입용량 산정

상기의 6.1절에서 제시한 시뮬레이션 조건을 바탕으로, 태양광전원 연계에 따른 수용가의 과전압 현상을 나타내면 그림 15와 같다. 여기서, ①번 그래프는 1번 구간의 수용가 전압이고, 2번 그래프는 ②번 구간의 수용가 전압을 나타낸다. 즉, 2번 구간의 수용가의 전압은 태양광전원의 역조류에 의하여 10시 30분 ~ 13시 30분까지 규정전압(220V±6[%]) 범위를 벗어나고, 최대 238[V]의 과전압이 발생함을 알 수 있다. 이를 해소하기 위한 VPL 장치의 최소 용량은 상기에서 제시한 식 (8)과 식 (9)에 따라 그림 16과 같이 산정된다. 즉, VPL 장치의 최소 kW 도입용량은 수용가 전압이 규정전압 범위를 벗어난 시간대에서 VPL 장치의 최대 전력 조정치인 2.6[kW]으로 결정되고, 최소 kWh 도입용량은 VPL 장치의 전력 조정치를 적산한 5.8[kWh]로 산정된다. 또한, VPL 장치의 최소 도입용량에 의한 수용가 전압의 특성을 나타내면 그림 17과 같고, 규정전압을 벗어난 10시 30분 ~ 13시 30분 시간대에 대하여, 2번 구간 수용가의 전압이 232[V] 이내로 유지되어 과전압 현상이 해소됨을 알 수 있다.

그림 15. 태양광전원의 역조류에 의한 수용가의 과전압 현상

Fig. 15. Over-voltage phenomenon with reverse power flow in PV system

../../Resources/kiee/KIEE.2026.75.1.19/fig15.png

그림 16. VPL 장치의 kW/kWh 최소 도입용량

Fig. 16. Minimum kW and kWh capacities of VPL device

../../Resources/kiee/KIEE.2026.75.1.19/fig16.png

그림 17. 최소 도입용량 VPL 장치에 의한 수용가의 전압

Fig. 17. Customer voltage profiles with minimum capacities of VPL device

../../Resources/kiee/KIEE.2026.75.1.19/fig17.png

6.2.2 VPL 장치의 기준 도입용량 산정

6.2.1절에서 제시한 VPL 장치의 최소 도입용량 산정과 동일한 방법으로, 수용가 과전압을 기준전압으로 유지하기 위한 VPL 장치의 기준 도입용량은 식 (10)과 식 (11)에 따라 그림 18과 같이 산정된다. 즉, VPL 장치의 기준 kW 도입용량은 수용가 전압이 규정전압 범위를 벗어난 시간대에서 VPL 장치의 최대 전력 조정치인 8.5[kW]으로 결정되고, 기준 kWh 도입용량은 VPL 장치의 전력 조정치를 적산한 22[kWh]로 산정된다. 또한, 기준 도입용량에 의한 수용가의 전압의 특성을 나타내면 그림 19와 같고, 규정전압을 벗어난 10시 30분 ~ 13시 30분 시간대에 대하여, 2번 구간 수용가의 전압이 기준전압인 220[V] 이내로 유지되어 과전압 현상을 해소시킬 수 있음을 알 수 있다.

그림 18. VPL 장치의 kW/kWh 기준 도입용량

Fig. 18. Reference kW and kWh capacities of VPL device

../../Resources/kiee/KIEE.2026.75.1.19/fig18.png

그림 19. 기준 도입용량 VPL 장치에 의한 수용가의 전압

Fig. 19. Customer voltage profiles with reference capacities of VPL device

../../Resources/kiee/KIEE.2026.75.1.19/fig19.png

6.3 VPL 장치에 의한 기준용량 산정

6.3.1 VPL 장치의 최소 도입용량 산정

상기의 6.1절에서 제시한 시험조건을 바탕으로, 태양광전원 연계에 따른 수용가의 과전압 현상을 나타내면 그림 20과 같다. 여기서, 점선의 그래프는 1번 구간의 수용가 전압이고, 실선은 2번 구간의 수용가 전압을 나타낸다. 즉, 2번 구간의 수용가의 전압은 태양광전원의 역조류에 의하여 10시 30분 ~ 13시 30분까지 규정전압(220V±6[%]) 범위를 벗어나며, 최대 238[V]의 과전압이 발생함을 알 수 있다.

이를 해소하기 위한 VPL 장치의 최소 용량은 상기에서 제시한 식 (8)과 식 (9)에 따라 그림 21과 같이 산정된다. 즉, VPL 장치의 최소 kW 도입용량은 수용가 전압이 규정전압 범위를 벗어난 시간대에서 VPL 장치의 최대 전력 조정치인 2.6[kW]으로 결정되고, 최소 kWh 도입용량은 VPL 장치의 전력 조정치를 적산한 5.8[kWh]로 산정된다. 또한, VPL 장치의 최소 도입용량에 의한 수용가 전압의 특성을 나타내면 그림 22와 같고, 규정전압을 벗어난 10시 30분 ~ 13시 30분 시간대에 대하여, 2번 구간 수용가의 전압이 232[V] 이내로 유지되어 과전압 현상이 해소됨을 알 수 있다.

그림 20. 태양광전원의 역조류에 의한 수용가의 과전압 현상

Fig. 20. Over-voltage phenomenon with reverse power flow in PV system

../../Resources/kiee/KIEE.2026.75.1.19/fig20.png

그림 21. VPL 장치의 kW/kWh 최소 도입용량

Fig. 21. Minimum kW and kWh capacities of VPL device

../../Resources/kiee/KIEE.2026.75.1.19/fig21.png

그림 22. 최소 도입용량에 의한 수용가의 전압

Fig. 22. Customer voltage profiles with minimum capacities of VPL device

../../Resources/kiee/KIEE.2026.75.1.19/fig22.png

6.3.2 VPL 장치의 기준 도입용량 산정

6.2.1절에서 제시한 VPL 장치의 최소 도입용량 산정과 동일한 방법으로, 수용가 과전압을 기준전압으로 유지하기 위한 VPL 장치의 기준 도입용량은 식 (10)과 식 (11)에 따라 그림 23과 같이 나타낼 수 있다. 즉, VPL 장치의 기준 kW 도입용량은 수용가 전압이 규정전압 범위를 벗어난 시간대에서 VPL 장치의 최대 전력 조정치인 8.5[kW]으로 산정되고, 기준 kWh 도입용량은 VPL 장치의 전력 조정치를 적산한 22[kWh]로 결정된다. 또한, 기준 도입용량에 의한 수용가의 전압의 특성을 나타내면 그림 24와 같고, 규정전압을 벗어난 10시 30분 ~ 13시 30분 시간대에 대하여, 2번 구간 수용가의 전압이 기준전압인 220[V] 이내로 유지되어 과전압 현상을 해소시킬 수 있음을 알 수 있다.

그림 23. VPL 장치의 kW/kWh 기준 도입용량

Fig. 23. Reference kW and kWh capacities of VPL device

../../Resources/kiee/KIEE.2026.75.1.19/fig23.png

그림 24. 기준 도입용량에 의한 수용가의 전압

Fig. 24. Customer voltage profiles with reference capacities of VPL device

../../Resources/kiee/KIEE.2026.75.1.19/fig24.png

6.4 종합분석

상기에서 제시한 저압선로용 VPL 장치의 PSCAD/EMTDC 모델링과 시험장치에 의한 운용특성을 종합적으로 나타내면 표 2와 같다. 여기서, 11[kW] 태양광전원의 저압선로 말단에 연계되는 경우, 태양광전원의 역조류에 의하여 2번 수용가의 전압은 모델링과 시험장치에서 모두 238[V]로 산정되어, 2번 구간 수용가의 과전압 현상이 발생함을 알 수 있다. 이러한 수용가의 과전압을 규정범위 이내로 유지하기 위한 VPL 장치의 최소 도입용량은 2.6[kW]/5.8[kWh]로 산정되고, 이를 통해 2번 수용가의 전압은 모델링과 시험장치에서 모두 232[V]로 감소됨을 알 수 있다. 또한, 수용가의 전압을 기준전압으로 유지하기 위한 VPL 장치의 기준 도입용량은 8.5[kW]/22[kWh]로 산정되고, 이를 통해 2번 구간 수용가의 전압은 모델링과 시험장치에서 모두 220[V]으로 유지됨을 알 수 있다. 따라서, 본 논문에서 제안한 PSCAD/EMTDC 모델링과 시험장치에 의한 운용특성이 거의 일치하고 태양광전원의 수용성을 개선시킬 수 있으므로, VPL 장치와 최소 및 기준 용량 산정방안의 유효성을 확인할 수 있다. 단, 저압선로용 VPL 장치의 모델링과 시험장치는 간략화된 저압 배전계통을 대상으로 수행하여, 향후 실계통 적용시에 다양한 파라미터를 고려해야 한다.

표 2. 모델링과 시험장치에 의한 VPL 장치의 운용특성 종합분석

Table 2. Comprehensive operation characteristics of VPL device by modeling and test device

선로 임피던스[Ω]

구간별 수용가의 전압 [V]

PSCAD/EMTDC 모델링

시험장치

1번 구간

(0.4+j0.8)

태양광전원

연계 시

222

태양광전원

연계 시

222

최소 용량 VPL 장치 도입 시

220

최소 용량 VPL 장치 도입 시

220

기준 용량

VPL 장치 도입 시

215

기준 용량

VPL 장치 도입 시

215

2번 구간

(1+j2)

태양광전원

연계 시

238

태양광전원

연계 시

238

최소 용량 VPL 장치 도입 시

232

최소 용량 VPL 장치 도입 시

232

기준 용량

VPL 장치 도입 시

220

기준 용량

VPL 장치 도입 시

220

7. 결 론

본 논문에서는 신재생에너지의 수용성을 향상시킬 수 있는 저압선로용 VPL 장치의 최소 및 기준 용량 산정방안을 제안하고, 이를 바탕으로 수행한 PSCAD/EMTDC 모델링과 시험장치를 통하여 VPL 장치의 운용특성을 평가한다. 이에 대한 주요 연구결과를 요약하면 다음과 같다.

(1) 본 논문에서 제시한 PSCAD/EMTDC 모델링과 시험장치를 바탕으로 VPL 장치의 운용특성을 평가한 결과, 11[kW]의 태양광전원이 저압 배전선로에 연계되는 경우, 역조류에 의하여 수용가의 전압이 모델링과 시험장치에서 모두 238[V]로 산정되어, 과전압이 발생함을 알 수 있다. 이러한 수용가의 과전압을 규정범위 이내로 유지하기 위한 VPL 장치의 최소 도입용량은 2.6[kW]/5.8[kWh]로 산정되고, 이를 통해 수용가의 전압은 모델링과 시험장치에서 모두 규정전압 상한치 이내인 232[V]로 감소됨을 알 수 있다.

(2) 본 논문에서 제시한 PSCAD/EMTDC 모델링과 시험장치를 바탕으로 VPL 장치의 운용특성을 평가한 결과, 11[kW]의 태양광전원이 저압 배전선로에 연계되는 경우, 수용가의 전압을 기준전압으로 유지하기 위한 VPL 장치의 기준 도입용량은 8.5[kW]/22[kWh]로 산정되고, 이를 통해 수용가의 전압은 모델링과 시험장치에서 모두 기준전압인 220[V]으로 유지됨을 알 수 있다.

(3) 본 논문에서 제안한 PSCAD/EMTDC 모델링과 시험장치를 바탕으로 VPL 장치의 운용특성을 종합적으로 평가한 결과, 시뮬레이션 및 시험장치에 의한 결과가 일치하고, 태양광전원의 수용성을 개선시킬 수 있으므로 VPL 장치의 운용방안의 유효성을 알 수 있다.

Acknowledgements

This research was supported by Korea Institute of Energy Technology Evaluation and Planning(KETEP) grant funded by the Korea Government(MOTIE)(20224000000160, DC Grid Energy Innovation Research Center) and this research was supported the Korea Institute of Energy Technology Evaluation and This work was supported by the Korea Institute of Energy Technology Evaluation and Planning(KETEP) and the Ministry of Climate, Energy & Environment(MCEE) of the Republic of Korea (No. RS-2024-00421994).

References

1 
, 2030 Renewable Energy Demand Outlook Report in Korea, pp. 1-10URL
2 
, The 11th Basic Plan of Long-Term Electricity Supply and Demand, pp. 9-13URL
3 
, Major Trends in Renewable Energy, pp. 14-17URL
4 
, Changes in International Renewable Energy Policies and Market Analysis, pp. 3-8URL
5 
S. M. Choi, J. M Kim, Y. H Kim, H. S. You, K. S. Ryu, D. S. Rho, 2023, Estimation method of Optimal Capacity for VPL to improve Power curtailment of Renewable energy sources, Journal of the Korea Academia-Industrial cooperation Society, Vol. 24, No. 11, pp. 441-445DOI
6 
J. O. Petinrin, M. Shaaban, 2016, Impact of renewable generation on voltage control in distribution systems, Journal of the renewable and sustainable energy reviews, Vol. 65, pp. 770-774DOI
7 
N. Khatri, V. Kumar, R. C. Bansal, R. R. Joshi, 2018, Stochastic evaluation of voltage sag in power system network considering effect of photovoltaic generation, Journal of the International transactions on electrical energy systems, Vol. 29, No. 4, pp. 1-5DOI
8 
S. W. Jung, Y. Y. An, K. I. Kim, 2024, A Study on the Efficient ESS Charging/Discharging Operation Algorithm in LVDC Microgrid Environment, The Transactions of the Korean Institute of Electrical Engineers, Vol. 73, No. 6, pp. 1063-1073DOI
9 
C. H. Shin, H. S. Cha, 2023, Optimal ESS Operation Scheduling and Realtime Compensation Method for Keeping Operation Limit of the Overloaded Distribution Line, The Transactions of the Korean Institute of Electrical Engineers, Vol. 72P, No. 3, pp. 139-145DOI
10 
S. E. Rho, M. H. Lee, J. M. Kim, K. H. Kim, E. S. Kim, D. S. Rho, 2025, Economic Evaluation of VPL to Improve Power Curtailment of Renewable Energy Sources, Journal of the Korea Academia-Industrial cooperation Society, Vol. 24, No. 10, pp. 791-800DOI

저자소개

최성문(Sung-Moon Choi)
../../Resources/kiee/KIEE.2026.75.1.19/au1.png

He received his M.S. degree in Electrical Engineering from the Korea University of Technology and Education in 2022. He is currently pursuing a Ph.D. degree in Electrical Engineering at the same university and has been working as a researcher at the Green Energy Research Institute since July 2025. His research interests include distribution systems, power quality, flexible energy resources, renewable energy systems, and micro-grids.

유현상(Hyun-Sang You)
../../Resources/kiee/KIEE.2026.75.1.19/au2.png

He received M.S. degree in Electrical Engineering from Korea University of Technology and Education in 2024. He is currently in Ph.D. program at Korea University of Technology and Education. He is interested in energy storage system, renewable energy sources and coordination of protection devices.

노성은(Seong-Eun Rho)
../../Resources/kiee/KIEE.2026.75.1.19/au3.png

She received her B.S degree in Information Communication Engineering from Hankuk University of Foreign Studies in 2022. She received her M.S degree in Electrical Engineering from Korea University of Technology and Education in 2025. She is interested in energy storage system, power and distribution system, and micro-grid.

이중선(Joong-Seon Lee)
../../Resources/kiee/KIEE.2026.75.1.19/au4.png

He received B.S. degree in Electrical Engineering from Korea University of Technology and Education in 2024. He is currently in M.S. program at Korea University of Technology and Education. He is interested in distribution system, renewable energy sources and energy storage system.

이승호(Seung-Ho Lee)
../../Resources/kiee/KIEE.2026.75.1.19/au5.png

He received B.S degree in electrical engineering from Korea University of Technology and Education in 2024. He is currently pursuing the M.S degree in electrical engineering from Korea University of Technology and Education. His research interests includes power distribution system, UPS, ESS.

노대석(Dae-Seok Rho)
../../Resources/kiee/KIEE.2026.75.1.19/au6.png

He received the B.S. degree and M.S. degree in Electrical Engineering from Korea University in 1985 and 1987, respectively. He earned a Ph.D. degree in Electrical Engineering from Hokkaido University, Sapporo, Japan in 1997. He has been working as a professor at Korea University of Technology and Education since 1999. His research interests include operation of power distribution systems, dispersed storage and generation systems and power quality.