김현석
(Hyun-Seok Kim)
*iD
이상민
(Sang-Min Lee)
*iD
김현수
(Hyeon-Soo Kim)
*iD
황윤성
(Yun-Seong Hwang)
*iD
이병국
(Byoung-Kuk Lee)
†iD
-
(Dept. of Electrical and Computer Engineering, Sungkyunkwan University, Republic of
Korea.)
Copyright © The Korean Institute of Electrical Engineers
Key Words
Fuel cell electric vehicle, High voltage gain converter, Cascaded boost converter
1. 서 론
전 세계적으로 온실가스 저감과 탄소 중립 실현을 위한 정책이 강화되면서 친환경 차량의 중요성이 빠르게 대두되고 있다. 이 가운데 수소연료전지 차량
(Fuel Cell Electric Vehicle, FCEV)은 배터리 전기차 (Battery Electric Vehicle, BEV) 대비 짧은
연료 보충 시간과 긴 주행 거리 확보의 이점을 지니고 있어 차세대 친환경 차량으로 주목받고 있다[1–2].
FCEV의 구동 시스템은 그림 1과 같이 연료전지 (Fuel Cell, FC) stack, 배터리, DC–DC 컨버터 및 모터 구동을 위한 인버터로 구성된다[3–4]. 그 중 FC와 연결되어있는 DC–DC 컨버터 (Fuel Cell DC–DC Converter, FDC)는 낮은 FC–stack 전압을 수백 V
수준의 DC–link 전압 (VDC)으로 승압할 뿐만 아니라, 그림 2와 같이 부하 변동에 따른 FC의 전압 및 전류 변화에 대응하여 안정적인 VDC를 제공할 수 있다[5–7].
기존의 FDC는 소자 수가 적고 회로 구성이 용이한 conventional boost converter (BC) 토폴로지가 주로 적용되며, 표 1의 주요 차량별 시스템 사양과 같이 FC stack 전압 대비 2배 이상의 승압 동작을 수행한다[8–12]. 하지만 약 0.7–1.2V 수준의 FC 단위 셀 당 전압을 통해 고전압 stack을 구성하기 위해서는 수백 개 수준의 셀이 요구되므로 FCEV
시스템 부피 증가 및 비용 상승을 야기한다[13–14]. 또한 BC는 회로 내 기생 성분 및 동작 안정성을 고려하여 설정된 최대 듀티비에 의해 구현 가능한 승압비에 한계가 존재하여 FC stack 전압을
일정 수준 이상으로 감소하는 경우 목표 VDC를 위해 요구되는 승압비 만족이 어렵다. 따라서 FC 직렬 셀 수 저감을 통해 동력원 부피의 추가적인 감소를 달성하기 위해서는 BC 대비 낮은 듀티비에서도
높은 승압비 구현이 가능한 고승압 DC–DC 컨버터 토폴로지 적용이 요구된다[15].
그림 1. FCEV 구동 시스템 구성도
Fig. 1. Configuration of FCEV System
표 1. 주요 FCEV 차량별 시스템 사양
Table 1. Design specifications of commercial FCEVs
|
|
Toyota
Mirai
|
Honda
Clarity
|
Hyundai
XCIENT FCEV
|
|
FC stack [V]
|
200-315
|
250-360
|
250-450
|
|
No. of FC Cells
|
370
|
358
|
400
|
|
VDC [V]
|
650
|
500
|
450-828
|
고승압 DC–DC 컨버터는 소자를 추가하거나 multi–stage 구조를 사용하는 등 다양한 방식으로 구현이 가능하다[16–23]. 그 중 절연형 컨버터는 변압기의 권선비를 조절하여 고승압을 달성할 수 있으나, 변압기로 인한 부피 증가와 누설 인덕턴스로 인한 효율 저하의 문제점이
존재한다[23]. 또한 switched–capacitor와 switched–inductor를 이용한 컨버터는 스위칭 동작을 통해 복수의 커패시터 또는 인덕터를 병렬로
충전하고 직렬로 방전하는 multi–stage 구조로 각 stage별 승압 동작을 통해 높은 출력 전압 달성이 가능하다[18–20]. 그러나 높은 승압비 만족을 위해 stage 수를 증가시킬수록 전력반도체 소자와 수동 소자 수 증가로 인해 컨버터의 부피가 커지고 회로 구조가 복잡해지는
문제가 발생한다. 이외에도 FIBC (Floating Interleaved Boost Converter)와 PISO (Parallel–Input Series–Output)
컨버터는 복수의 BC를 입력단에서 병렬로 연결하고 출력단을 직렬로 연결함으로써 고승압 구현이 가능하다[21–22]. 하지만 해당 컨버터의 경우 입력과 출력 간 공통 그라운드 부재로 인해 EMI에 기인한 제어 오동작 및 시스템 신뢰성 저하가 발생함에 따라 이를
해결하기 위한 필터의 부피가 증가할 수 있다. 따라서 FDC로 적용할 고승압 컨버터를 선정 시 소자 수에 따른 시스템의 부피, 토폴로지 구조에 따른
설계의 용이성과 차량 시스템 구동 안정성을 위한 공통 그라운드 여부 등을 종합적으로 고려해야 한다.
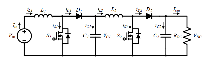
다양한 고승압 DC–DC 컨버터 중 그림 3의 Cascaded Boost Converter (CBC)의 경우 두 개의 BC를 직렬 연결한 구조로써 타 토폴로지 대비 상대적으로 적은 소자 수로도
높은 승압비 달성이 가능하며 구성 용이성 측면에서 유리하다[24]. 일반적으로 CBC는 그림 4와 같이 1차측 스위치(S1)과 2차측 스위치(S2)에 동일한 듀티비를 인가하고 동시에 on/off하는 동기화 제어 방안 (Ssync)을 적용함으로써 고승압 동작이 가능하다[25–26]. 그러나 FC의 경우 그림 2와 같이 부하 조건에 따라 전압과 전류가 비선형적으로 변화하는 특성으로 인해 부하 및 승압비 조건에 따라 FDC의 효율 편차가 크게 발생할 수 있다.
그림 2. FC 전압–전류 특성
Fig. 2. FC voltage–current characteristic
그림 3. Cascaded Boost Converter 회로도
Fig. 3. Circuit diagram of Cascaded Boost Converter
그림 4. S1, S2 동기화 방안 (Ssync) 전류 도통 경로
Fig. 4. Current conduction path of S1, S2 synchronization control (Ssync)
그림 5. S1 단일 제어 방안 (S1,single) 전류 도통 경로
Fig. 5. Current conduction path of S1 single control (S1,single)
그림 6. S2 단일 제어 방안 (S2,single) 전류 도통 경로
Fig. 6. Current conduction path of S2 single control (S2,single)
따라서 FCEV 시스템에 CBC를 적용 시 고효율 운전을 위해 부하에 따른 효율 변화를 최소화하는 방안이 요구된다. 이를 위해 최근 연구들은 효율
개선이 가능한 다양한 회로 구조 및 제어 기법을 제안하고 있다. 회로 측면에서는 소프트 스위칭 셀을 추가를 통해 스위칭 손실을 저감하는 방안이 존재한다.
그러나 소프트 스위칭 구현을 위해 필요한 소자 수 및 동작 모드 추가가 요구되므로 설계의 복잡성이 증가하는 한계가 존재한다[27–28]. 제어 측면에서는 스위치의 듀티비와 위상차 가변 조합을 통해 최적의 1차측 커패시터 전압 (VC1)을 도출하여 효율을 개선하는 방안이 존재한다[29]. 그러나 해당 방안은 최적의 VC1과 스위치 위상차 도출을 위한 알고리즘이 필요하며, 고정된 입·출력 조건에서만 유효하기 때문에 주행 프로파일에 따라 입력 및 출력 전압 범위가 가변되는
FCEV 시스템에 적용하기 부적합하다.
앞서 기술한 바와 같이 CBC는 Ssync를 기반으로 고승압 동작이 가능하지만, FC의 전압–전류 특성을 고려할 경우 모든 부하 구간에서 고승압 동작이 요구되지는 않는다. 낮은 부하 영역에서는
FC 전압이 상승하여 높은 부하 영역 대비 낮은 승압비로도 VDC를 만족할 수 있다[30]. 따라서 요구 승압비가 낮은 영역에서 동작 시 단일 스위칭 동작으로도 요구 승압비 만족이 가능하기 때문에 그림 5, 6과 같이 BC와 유사한 동작 특성을 갖는 단일 스위치 제어 방안을 추가적으로 고려할 수 있다. 단일 스위치 제어 방안을 적용할 경우, 동작에 관여하는
전력반도체 소자 수가 감소하여 보조 회로의 추가나 제어 기법의 복잡성 없이도 효율 향상 효과를 기대할 수 있다. 하지만 동일 입·출력 전압 조건에서
제어 방안에 따라 스위치 듀티비, 구성 소자의 인가 전압 및 도통 전류가 달라지기 때문에 제어 방안별 정량적인 손실 및 효율 비교·분석이 요구된다.
따라서 본 논문에서는 낮은 승압비 및 부하 영역에서 FCEV의 고효율 운전을 위해 제어 방안별 손실 및 효율을 비교·분석하여 최적의 제어 방안을 선정한다.
이를 위해 표 2의 설계 사양을 기반으로 상 수 변화에 따른 부피, 효율 및 접합 온도를 종합적으로 고려하여 최적의 상 수를 결정하고, 55kW급 다상 인터리브드
CBC를 설계한다. 또한 CBC 내 주요 소자의 손실 요소를 반영하여 제어 방안별 손실 및 효율을 정량적으로 비교·분석함으로써 고효율 동작이 가능한
최적의 제어 방안을 제시한다. 이후 다상 인터리브드 구조의 한 상에 해당하는 축소모델을 제작하고, 부하 조건에 따른 실험을 통해 각 제어 방안에 대한
이론적 손실 및 효율 분석의 타당성을 검증한다.
표 2. 55kW급 CBC 설계 사양
Table 2. Design specifications of 55kW CBC
|
Parameters
|
Value [Unit]
|
|
최대 입력 전력 (Pin,max)
|
55 [kW]
|
|
입력 전압 범위 (Vin)
|
95-150 [V]
|
|
입력 전류 범위 (Iin)
|
10-580 [A]
|
|
출력 전압 범위 (VDC)
|
350-650 [V]
|
|
스위칭 주파수 (fsw)
|
200 [kHz]
|
|
입력 전류 리플 (Δiin)
|
≤ 5 [App]
|
|
출력 전압 리플 (ΔvDC)
|
≤ 20 [Vpp]
|
2. CBC 제어 방안에 따른 동작 특성 분석
서론에서 언급한 바와 같이, CBC의 경우 제어 방안에 따라 소자별 전압 및 전류 크기가 상이하므로 본 절에서는 CBC의 제어 방안별 동작 모드 비교를
통해 주요 소자의 인가 전압 및 전류 도통 특성을 분석한다.
2.1 Ssync 제어 방안
Ssync는 S1과 S2에 각각 듀티비 DS1과 DS2를 인가하고, 두 스위치를 동일한 위상 및 듀티비로 구동시키는 제어 방안으로 S1과 S2의 스위칭 동작을 통해 각각 입력 전압 (Vin)을 VC1으로, VC1은 출력 전압 (VDC)으로 승압한다. 이때 그림 4–(a)와 같이 S1, S2 turn–on 시, 1차측 인덕터 (L1) 전류 (iL1)와 2차측 인덕터 (L2) 전류 (iL2)는 각각 S1과 S2를 통해 도통한다. 1차측 커패시터 (C1)는 입력측으로부터 에너지 공급이 발생하지 않으므로 방전 과정에 의해 VC1이 감소한다. 또한 2차측 커패시터 (C2)는 부하 저항 (RDC)에 의해 RC 방전 회로가 형성되어 부하측으로 출력 전류 (Iout)가 도통되고 VDC는 감소한다. S1, S2 turn–off 시 그림 4–(b)와 같이 1차측 다이오드 (D1)와 2차측 다이오드 (D2)가 turn–on 되어 전류 도통이 발생한다. 이때 L1을 통해 저장된 에너지는 C1 및 L2로 전달되고, L2의 저장 에너지는 출력측으로 전달되며 VDC가 상승한다. 따라서 Ssync 적용 시 Vin, VC1 및 입·출력 간 전압 전달비는 각각 식 (1), (2)로 나타낼 수 있다.
표 3. 제어 방안별 ΔvC 및 ΔiL 비교
Table 3. Comparison capacitor voltage and inductor current ripple according to control
strategies
|
|
Ssync |
S1,single |
S2,single |
|
ΔvC1 |
$\frac{I_o D_{S1}}{(1-D_{S1})C_1 f_{sw}}$
|
$\frac{I_o D_{S1}}{C_1 f_{sw}}$
|
0
|
|
ΔvDC |
$\frac{I_o D_{S2}}{C_2 f_{sw}}$
|
0
|
$\frac{I_o D_{S2}}{C_2 f_{sw}}$
|
|
ΔiL1 |
$\frac{V_{in} D_{S1}}{L_1 f_{sw}}$
|
$\frac{V_{in} D_{S1}}{L_1 f_{sw}}$
|
0
|
|
ΔiL2 |
$\frac{V_{in} D_{S2}}{(1-D_{S2})L_2 f_{sw}}$
|
0
|
$\frac{V_{in} D_{S2}}{L_2 f_{sw}}$
|
2.2 S1,single 제어 방안
S1,single은 S1에 듀티비 DS1을 인가하여 단독 스위칭 동작을 통해 구동하는 제어 방안이다. 그림 5–(a)와 같이 S1 turn–on 시 iL1은 S1을 통해 도통하고 L1에 에너지가 저장된다. 이때 C1은 입력측으로부터 에너지 공급이 발생하지 않으므로 방전되며 L2 및 D2를 통한 전류 path가 형성된다. S1 turn–off 시 그림 5–(b)와 같이 D1이 turn–on 됨에 따라 L1에 저장된 에너지를 출력측으로 전달한다. 이때 S2는 항상 off 상태를 유지하므로 S1의 스위칭 상태와 관계없이 VDC는 VC1과 동일하며 L2 양단 전위차가 존재하지 않으므로, L2 전류 리플 (ΔiL2) 및 출력 전압 리플 (ΔvDC)이 발생하지 않는다는 것을 알 수 있다.
2.3 S2,single 제어 방안
S2,single은 S2에 듀티비 DS2를 인가하여 단독 스위칭 동작을 통해 구동하는 제어 방안이다. S2 turn–on 시 그림 6–(a)와 같이 L1, L2, S2로의 전류 도통이 발생하며, 입력으로부터 L1, L2의 에너지 저장이 발생한다. 그림 6–(b)와 같이 S2 turn–off 시 L1, L2의 저장 에너지를 출력측으로 전달한다. 또한 S1과 D1은 각각 항상 off, on 상태이므로 S2 스위칭 상태에 관계없이 VC1은 Vin과 동일하다. 따라서 L1 양단 전위차는 존재하지 않으므로 L1 전류 리플 (ΔiL1) 및 VC1 리플 (ΔvC1)이 발생하지 않는다는 것을 알 수 있다.
2.4 제어 방안에 따른 동작 특성
제어 방안별 동작 분석을 토대로 커패시터 전압 (ΔvC) 및 인덕터 전류 리플 (ΔiL) 크기를 나타낸 결과는 표 3과 같다. Ssync는 두 스위치가 모두 스위칭 동작에 관여하므로 입력단과 출력단의 전압 및 전류 리플이 모두 존재한다. 반면 S1,single 적용 시에는 출력단 리플을, S2,single 적용 시에는 입력단 리플을 저감할 수 있다. 단일 스위치 제어 방안을 통해 특정 구간의 리플을 저감하는 경우, 소자의 도통 전류 실효값이 감소하여
도통 손실 및 발열 저감이 가능하다. 하지만 제어 방안에 따른 동작 특성 차이에 의해 리플 특성 뿐만 아니라 각 소자에 인가되는 전압·전류의 크기와
에너지 전달 경로 또한 상이하게 나타난다. 따라서 CBC의 고효율 동작에 적합한 제어 방안을 선정하기 위해서는 차량 사양을 고려한 설계를 통해 제어
방안별 손실 및 효율에 대한 정량적인 비교·분석이 필요하다.
3. 55kW급 다상 인터리브드 CBC 설계 및 최적 상 수 선정
CBC 토폴로지를 적용한 수십 kW 이상의 정격을 가지는 시스템을 설계하는 경우, 입력 전류 (Iin)가 수백 A 수준으로 도통하여 단상 기반의 FDC
설계 시 전력반도체 소자에 큰 전류 스트레스가 인가되어 효율이 저하된다. 따라서 고전력 및 고전류 기반의 시스템 설계 시 전류를 상 수에 비례하여
분배하는 다상 인터리브드 구조 적용이 효율 측면에서 유리하다. 또한 각 상의 전류가 감소함에 따라 인덕터 코어 저장 에너지 역시 감소하므로, 더 작은
코어 사용이 가능하여 수동 소자 부피 측면에서 유리할 수 있다. 하지만 다상 인터리브드 구조는 소자의 개수가 상 수에 비례하여 증가하므로 상 수가
과도하게 증가하는 경우 소자 수 증가로 인한 손실 및 시스템 부피 증가 가능성이 존재한다. 따라서 본 절에서는 표 2의 설계 사양을 만족하는 55kW급 다상 인터리브드 CBC 설계를 위해 상 수 변화에 따른 수동 소자 부피, 손실 및 소자 접합 온도 등을 종합적으로
고려하여 설계에 적합한 최적 상 수를 도출한다.
3.1 전력반도체 소자 선정
표 2와 같이 CBC는 200kHz의 높은 스위칭 주파수 (fsw) 영역에서 동작하므로, 스위칭 상태 전환 시 스위치 도통 전류 (isw) 및 소자 양단
전압 크기에 비례하여 발생하는 스위칭 손실 (PS,sw)을 최소화하기 위한 소자 적용이 요구된다. 이에 따라 CBC 설계 시 고속 스위칭 특성이 우수한
GaN 기반 전력반도체인 Infineon社 IGLT65R025D2를 스위치로 선정하였으며, 다이오드는 스위치와 동일한 상단 방열 구조를 적용하기 위해
소자 높이와 방열 방식이 유사한 Infineon社 IDDD20G65C6XTMA1를 선정하였다. 또한 isw 감소에 따른 도통 손실 (PS,cond)
저감을 위해 스위치를 병렬 구성한다. 스위치 구동 회로의 전력 및 소자 특성 편차를 고려하여 스위치의 경우 2병렬 구성으로 제한하며, 다이오드에도
동일한 병렬 구성을 적용한다. 이때 다상 인터리브드 CBC 구조에서 전력반도체 소자의 전류 정격을 고려하였을 때 요구되는 최소 상 수는 8상이므로,
본 논문에서는 표 4와 같이 8상 이상 조건에서 상 수 변화에 따른 분석을 진행한다.
표 4. 상 수에 따른 수동 소자 파라미터
Table 4. Passive component parameters according to the number of phases
|
Phase
|
8
|
9
|
10
|
11
|
12
|
|
L1 [μH]
|
37
|
42
|
46
|
51
|
55
|
|
L2 [μH]
|
111
|
125
|
139
|
153
|
167
|
|
C1 [μF]
|
240
|
240
|
240
|
240
|
240
|
|
C2 [μF]
|
210
|
210
|
210
|
210
|
210
|
3.2 수동 소자 설계 및 상 수에 따른 부피 비교
CBC 동작 시 표 3과 같이 제어 방안에 따라 ΔvC 및 ΔiL이 변화하므로, 제어 방안에 관계 없이 설계 조건을 만족하는 수동 소자 설계가 요구된다. 따라서 인덕터의
경우 FC의 주 동작 영역 내에서 각 상 인덕터 전류 (iL)가 연속 도통 모드 (Continuous conduction mode, CCM) 영역에서
동작할 수 있도록 설계한다. 인덕터 코어 설계 시 누설 자속이 적고 소형화가 용이한 창성社 High flux 재질의 Toroidal 코어를 적용하며,
목표 인덕턴스 만족을 위한 권선 수의 경우 코어의 투자율이 최초 투자율 대비 30% 이하의 감소율을 갖도록 설계한다. 커패시터의 경우 표 3의 ΔvDC 및 ΔvC1을 기반으로 커패시턴스 도출이 가능하다. ESR 크기 및 주파수 특성을 고려하여 Pilkor社 P246Q11156JA를 선정하며, 전압 및 전류 정격을
고려하여 직·병렬 조합을 구성한다. 표 4는 설계 조건에 따라 도출된 상 수별 인덕턴스와 커패시턴스를 나타낸다. 다상 인터리브드 CBC의 상 수가 N일 때 동일한 입력 전류 리플 (Δiin)
조건 만족을 위해 요구되는 인덕턴스를 단상 조건 대비 N배 감소하여 설계할 수 있다[31]. 그러나 Vin 증가 시 인덕터 평균 전류 (IL,avg)가 감소함에 따라 불연속 도통 모드 (Discontinuous conduction mode, DCM)로
동작하는 구간이 존재하므로, 인덕턴스를 N배 감소하여 설계하는 방안을 적용하는 것이 어렵다. 이에 따라 주동작 부하 영역에서 CCM 동작 만족을 위해
인덕턴스 설계 시 L1, L2 모두 상 수에 따라 증가하는 경향을 보인다. 커패시터의 경우 상 수에 관계 없이 도통 전류의 실효값 (IC,rms)이 동일하므로, 선정 소자의 직·병렬
연결 개수가 일정하게 유지되어 모든 상의 커패시턴스는 동일하다.
그림 7은 상 수 변화에 따른 수동 소자 부피를 나타낸다. 인덕터는 상 수 증가에 따라 각 상 도통 전류의 크기가 감소하므로, 동일한 ΔiL 조건을 만족하면서
더 작은 에너지 용량을 가지는 코어 적용이 가능하므로, 인덕터 전체 부피는 10상 조건에서 약 1.45L 수준으로 감소한다. 그러나 11상 이상으로
증가 시 인덕턴스 증가에 따른 각 상 코어의 부피 저감에 한계가 발생하기 때문에 전체 인덕터 부피가 상 수에 비례하여 증가하는 경향을 보인다. 커패시터
부피의 경우, 전술한 바와 같이 목표 커패시턴스를 만족하기 위한 선정 소자의 직·병렬 연결 개수가 일정하므로 상 수에 관계 없이 동일한 부피를 가진다.
그림 7. 상 수에 따른 수동 소자 부피 비교
Fig. 7. Comparison of passive components volume according to the number of phases
3.3 상 수에 따른 손실 및 접합 온도 비교
본 절에서는 3.1절에서 선정한 전력반도체 소자와 3.2절에서 설계한 수동 소자를 기반으로 다상 인터리브드 CBC의 손실 분석을 진행한다. 스위치
손실 (PS,loss)은 식 (3), (4)와 같이 PS,cond와 PS,sw를 고려하였으며, PS,sw는 선정 소자의 데이터시트 내 Eon, Eoff 데이터를 활용하여 도출하였다. 다이오드
손실 (PD,loss)은 도통 손실 (PD,cond)과 역회복 손실이 주요 손실 요소로 존재한다. 그러나 역회복 특성이 우수한 쇼트키 다이오드를 선정하였으므로
역회복 손실은 제외하였으며, PD,cond는 식 (5)와 같이 순방향 전압 강하 (VF)와 다이오드 전류 평균값 (ID,avg)의 곱으로 계산된다. 인덕터 손실은 식 (6)의 인덕터 도선에서 발생하는 동손 (PL,copper)과 코어 내에서 발생하는 철손 (PL,core)을 고려하였으며, PL,core,Highflux의
경우 코어 제조사에서 제공하는 식을 기반으로 식 (7)과 같이 계산하였다. 커패시터 손실은 식 (8)과 같이 커패시터 등가 직렬 저항 (Equivalent series resistor, ESR)과 커패시터 전류 실효치 (IC,rms)로 도통 손실
(PC,ESR)을 도출할 수 있으나, 전체 손실에서 차지하는 비중이 매우 작아 손실 분석 시 제외하였다.
이를 기반으로 최대 입력 전력 (Pin) 및 최대 승압비를 만족하는 Vin = 95V, VDC = 650V, Pin = 55kW 조건에서 손실 분석을 진행하였으며, 승압비를 고려하여 Ssync를 적용했을 때 손실을 도출한 결과는 그림 8과 같다. 상 수 증가 시 각 상에 분배되는 전류 크기가 작아져 PS,cond, PD,cond, PL,copper가 감소하기 때문에 각 상에서 발생하는
손실은 감소하는 경향을 보인다. 그러나 8상 및 12상 간 전체 손실 차이 비교 시 약 55W 수준으로 매우 작아 상 수 증가에 따른 손실 변화는
미미하다.
그림 8. 상 수에 따른 상별 손실 및 전체 손실 비교
Fig. 8. Comparison of per–phase and total losses according to the number of phases
스위치와 다이오드의 접합 온도 (TJC)는 소자별 손실을 기반으로 각각 식 (9), (10)을 통해 도출 가능하다. 그림 9는 손실 분석을 기반으로 도출한 각 상 수별 전력반도체 소자의 최대 TJC이다. 8상에서 12상으로 상 수 증가 시 스위치 및 다이오드의 TJC는
각각 약 120℃에서 83℃, 약 72℃에서 56℃ 수준으로 감소한다. 실제 FDC 구동 시 전력반도체 TJC의 과도한 상승은 소자 발열로 인한 전류
정격 감소를 야기하며, 동일한 냉각 효과를 위한 방열 시스템의 부피 상승이 요구되므로 스위치 최대 TJC가 120℃를 초과하는 8상 조건은 소자의
열적 안정성 측면에서 적용이 제한된다.
그림 9. 상 수별 전력반도체 소자 최대 TJC 분석 결과
Fig. 9. Results of maximum TJC for power semiconductor according to the number of
phases
따라서 상 수 변화에 따른 수동 소자 부피, 손실 및 전력반도체 소자 TJC를 종합적으로 고려할 경우 55kW 다상 인터리브드 CBC의 상 수를 10상으로
선정 시 최적 설계가 가능함을 확인할 수 있다.
4. 제어 방안별 10상 인터리브드 CBC 손실 및 효율 분석
4.1 제어 방안별 손실 분석 시 고려사항
CBC의 단일 스위치 제어 방안은 BC와 같은 동작 특성을 가지므로, 동일 승압비 만족을 위해서는 Ssync 대비 높은 듀티비가 요구된다. 그러나 현재 FCEV 시스템에 적용되고 있는 BC 기반의 FDC는 실제 동작 시 회로 내 기생 성분에 의한 전압 강하로
인해 최대 4–5배 수준의 승압비 구현이 가능하다[32]. 이때 최대 승압비 달성을 위한 듀티비는 0.8이므로 본 논문에서는 최대 듀티비 0.8 조건을 만족하는 최대 승압비 5배 이하 구간에서 제어 방안에
따른 손실 분석을 진행한다.
4.2 제어 방안별 손실 및 효율 분석 결과
그림 10은 제어 방안에 따른 손실 양상을 비교하기 위해 VDC = 550V 일 때 Vin을 각각 110V와 145V로 가변하여 도출한 소자별 손실 결과이다. L1과 D2의 경우, 세 제어 방안에서 각각 동일한 Iin과 Iout이 도통하므로 PL1,copper와 PD2,cond이 유사하게 나타난다. Vin = 110V 조건은 Vin = 145V 조건 대비 Pin이 4배 수준 높아 큰 Iin이 도통한다. 따라서 전체 손실 중 높은 소자 도통 전류로 인한 PS,cond, PD,cond와
큰 turn–on / turn–off 전류로 인한 PS,sw의 비중이 우세한 것을 확인할 수 있다. 이때 S2,single의 경우, D1이 항상 on 상태를 유지하여 PD1,cond이 크므로 세 제어 방안 중 손실이 가장 높다. Vin = 145V로 증가하는 경우에는 Pin 감소에 따라 낮은 Iin 도통으로 인해 전체 손실 중 PS,cond와 PD,cond의 비중이 감소한다. 그러나
PS,sw와 PL,core는 Vin 변화에 비해 상대적으로 변동 폭이 작아 전체 손실에서 차지하는 비중이 증가하므로 제어 방안별 효율 차이를 결정한다. 이때 Ssync의 경우, S1과 S2 모두 스위칭 동작을 수행하여 타 제어 방안 대비 PS,sw가 약 2배 높기 때문에 Ssync의 손실이 세 제어 방안 중 가장 크게 발생한다.
그림 10. VDC = 550V 조건에서의 Vin에 따른 제어 방안별 소자 손실 비교
Fig. 10. Comparison of component losses according to different control strategies
with varying Vin at VDC = 550V
그림 11은 VDC가 350V, 550V, 650V일 때 Vin 변화에 따른 제어 방안별 효율을 비교한 결과이며, 앞서 분석한 Vin에 따른 손실 특성과 유사한 양상을 확인할 수 있다. 이에 따라 승압비가 5배 이하인 경우, Vin이 140V 이하인 구간에서는 S1,single을, Vin = 145V에서는 S2,single을 각각 적용 시 10상 인터리브드 CBC의 고효율 동작이 가능하다. 하지만 Vin 구간별로 제어 방안을 다양하게 설정함에 따라 정밀한 제어 방안 전환 과정이 추가로 요구되어 제어기 동작이 복잡해질 수 있으며, Vin = 145V 조건에서 S1,single과 S2,single 간 효율 차이가 약 0.18%p로 작다. 따라서 승압비 5배 미만인 입·출력 전압 조건에서 동작 시 S1,single을 단독으로 적용하는 것이 유리하다.
그림 11. 55kW급 10상 인터리브드 CBC의 VDC에 따른 제어 방안별 효율 비교
Fig. 11. Efficiency comparison of control strategies for 55kW 10–phase interleaved
CBC according to VDC
5. 실험을 통한 효율 분석 결과 검증
인터리브드 구조가 적용된 컨버터는 손실이 상 수에 비례하므로 본 절에서는 10상 인터리브드 CBC의 한 상에 대하여 축소모델 제작 및 실험을 통해
4절에서 분석한 결과의 타당성을 검증한다. 축소모델 설계 시 3.1절에서 선정한 전력반도체 소자 및 구성을 동일하게 적용하며, 수동 소자 또한 3.2절에서
서술한 과정을 기반으로 설계를 진행한다. 이를 통해 설계된 5.5kW 단상 CBC 축소모델의 사양 및 제작 결과는 각각 표 5, 그림 12와 같다. 실험 조건의 경우 4.2절에서 분석한 모든 VDC 조건에서 제어 방안별 효율 비교가 가능한 130–145V의 Vin 구간을 5V 단위로 가변하였으며, 선정 소자의 전압 정격을 고려한 VDC = 550V 조건을 최대 전압으로 설정하였다. 또한 실험을 위해 DC source와 load는 각각 Chroma社 62150H–600S와 Chroma社
63205A–600–350를 사용하였으며, DC source와 load의 전력을 기반으로 효율 측정을 진행하였다.
표 5. 5.5kW급 CBC 축소모델 설계 사양
Table 5. Design specifications for 5.5kW CBC prototype
|
Parameters
|
Specification
|
|
Switch (S1, S2)
|
IGLT65R025D2
|
|
Diode (D1, D2)
|
IDDD20G65C6XTMA1
|
|
Inductor
|
L1 [μH]
|
60 (58A)
|
|
L2 [μH]
|
155 (30A)
|
|
Capacitor
|
C1 [μF]
|
24.2
|
|
C5750X6S2W225M250KA (2S22P)
|
|
C2 [μF]
|
22
|
|
C5750X6S2W225M250KA (2S20P)
|
그림 12. 5.5kW급 CBC 축소모델 제작 결과
Fig. 12. Prototype of the 5.5kW CBC
그림 13과 14는 각각 Vin = 130V, 145V 조건에서의 제어 방안별 실험 파형을 나타낸다. Vin = 130V 조건에서 ΔiL1은 Ssync, S1,single, S2,single 순으로 각각 5.62A, 8.03A, 0.34A로 측정되며, S2,single 제어 시 S1의 전압이 Vin과 동일하여 L1 양단 전위차가 거의 존재하지 않으므로 다른 제어 방안 대비 ΔiL1이 작게 나타난다. ΔiL2의 경우 Ssync, S1,single, S2,single 순으로 각각 4.40A, 0.18A, 3.31A로 측정되며, S1,single 제어 시 S2의 전압이 VDC와 동일하여 L2 양단 전위차가 거의 존재하지 않으므로 다른 제어 방안 대비 ΔiL2가 작게 나타난다. ΔiL의 경향은 Vin = 145V 조건에서도 동일하게 나타나며, 앞선 2절에서의 제어 방안별 동작 특성 분석 결과와도 일치하는 것을 확인할 수 있다. 또한 모든 제어
방안에서 설계 사양의 ΔvDC 및 Δiin 조건을 만족하며, Iin이 가장 작아 DCM 영역 동작 가능성이 가장 높은 Vin = 145V 조건에서의 iL1과 iL2의 최솟값을 통해 CCM 영역에서 동작하는 것을 확인하였다.
그림 13. Vin = 130V, VDC = 550V 조건 실험 동작 파형
Fig. 13. Experiment waveforms at Vin = 130V, VDC = 550V conditions
그림 14. Vin = 145V, VDC = 550V 조건 실험 동작 파형
Fig. 14. Experimental waveforms at Vin = 145V, VDC = 550V conditions
그림 15는 설계한 축소모델 기반 130–145V의 Vin 구간에서 이론적 손실 분석을 통해 도출한 효율과 실험을 통해 측정한 효율을 비교하여 나타낸 결과이다. S1,single이 모든 Vin 조건에서 가장 높은 효율을 보였으며, S2,single 대비 최대 1.62%p, 최소 0.58%p, Ssync 대비 최대 2.20%p, 최소 1.36%p의 효율 상승이 발생하였다. FC의 특성을 고려할 경우 Vin이 130V에서 145V로 증가 시 Iin은 각각 21.73A와 6.18A로 약 3.51배 감소하기 때문에 이론적 효율과 측정 효율 간 차이가 발생할
수 있다. 이때 인덕터는 전류 크기에 따라 실질적인 인덕턴스가 감소하는 roll–off 특성으로 인해 ΔiL 변화로 인한 효율의 오차 발생이 가능하다.
그러나 측정한 제어 방안별 효율 경향이 이론적으로 도출한 효율 경향과 일치하므로, 이론적 분석 결과가 유효함을 알 수 있다. 따라서 동작 검증 및
효율 측정 결과, 요구 승압비가 5배 이하인 입·출력 전압 조건에서 S1,single을 적용하는 것이 CBC의 고효율 동작에 유리함을 확인할 수 있었다.
그림 15. VDC = 550V 조건 5.5kW CBC 축소모델의 이론적 효율 및 실측 효율 간 비교
Fig. 15. Comparison between theoretical and measured efficiencies of 5.5kW CBC scaled–down
model at VDC = 550V
6. 결 론
본 논문에서는 FCEV용 CBC의 낮은 승압비 및 부하 영역에서 고효율 동작을 위한 최적의 제어 방안을 제시하였다. 설계 사양을 기반으로 55kW급
다상 인터리브드 CBC를 설계하였으며, 상 수 증가에 따른 수동 소자 부피, 손실 및 전력반도체 소자 접합 온도를 종합적으로 고려하여 10상을 최적
상 수로 선정하였다. 이를 기반으로 인터리브드 CBC의 입·출력 전압 조건에 따른 제어 방안별 손실 및 효율을 비교하였으며, 요구 승압비가 5배 이하인
구간에서 S1,single을 적용할 경우 고효율 동작 측면에서 유리함을 분석하였다. 이론적 분석의 타당성을 검증하기 위해 5.5kW급 CBC 축소모델을 제작하여 실험을 수행한
결과, S1,single을 적용 시 Ssync 대비 최대 2.20%p, 최소 1.36%p의 효율 향상이 가능함을 확인하였으며, 이를 통해 CBC의 고효율 동작을 위한 제어 방안 선정의 타당성을
검증하였다.
Acknowledgements
이 논문은 현대자동차그룹의 지원을 받아 수행된 연구임 (전력밀도 향상을 위한 GaN Transistor 적용 수소 연료전지용 DC-DC 컨버터 개발)
이 논문은 2026년도 정부(산업통상자원부)의 재원으로 한국산업기술진흥원의 지원을 받아 수행된 연구임 (RS-2025-02214408, 2026년
산업혁신인재성장지원사업)
References
D. De Wolf, Y. Smeers, 2023, Comparison of Battery Electric Vehicles and Fuel Cell
Vehicles, World Electric Vehicle Journal, Vol. 14, No. 9, pp. 262

H. Togun, 2025, Development and Comparative Analysis Between Battery Electric Vehicles
(BEV) and Fuel Cell Electric Vehicles (FCEV), Applied Energy, Vol. 388

S. Cosso, 2025, Energy Storage Configuration in Fuel Cell Electric Vehicle: An Analysis
on a Real Urban Mission Profile, Energies, Vol. 18, No. 23, pp. 6136

P. Yu, 2022, Fuel Cell Hybrid Electric Vehicles: A Review of Topologies and Energy
Management Strategies, World Electric Vehicle Journal, Vol. 13, No. 9, pp. 172

H. Xu, L. Kong, X. Wen, 2004, Fuel Cell Power System and High Power DC-DC Converter,
IEEE Transactions on Power Electronics, Vol. 19, No. 5, pp. 1250-1255

M. Kabalo, B. Blunier, D. Bouquain, A. Miraoui, 2010, State-of-the-Art of DC-DC Converters
for Fuel Cell Vehicles, pp. 1-6

O. Alavi, 2022, Non-Isolated DC-DC Converters in Fuel Cell Applications: Thermal Analysis
and Reliability Comparison, Applied Sciences, Vol. 12, No. 10, pp. 5026

X. Wu, 2020, A Novel High-Gain DC-DC Converter Applied in Fuel Cell Vehicles, IEEE
Transactions on Vehicular Technology, Vol. 69, No. 11, pp. 12763-12774

H. Wen, B. Su, 2016, Hybrid-Mode Interleaved Boost Converter Design for Fuel Cell
Electric Vehicles, Energy Conversion and Management, Vol. 122, pp. 477-487

H. N. Tran, T.-T. Le, H. Jeong, S. Kim, H.-P. Kieu, S. Choi, 2021, High Power Density
DC-DC Converter for 800 V Fuel Cell Electric Vehicles, pp. 2224-2228

H. Wang, 2019, A Review of DC/DC Converter-Based Electrochemical Impedance Spectroscopy
for Fuel Cell Electric Vehicles, Renewable Energy, Vol. 141, pp. 124-138

2024, HTWO Fuel Cell Solution: Technical Brochure

C. A. Beltrán, L. H. Diaz-Saldierna, D. Langarica-Cordoba, P. R. Martinez-Rodriguez,
2023, Passivity-Based Control for Output Voltage Regulation in a Fuel Cell/Boost Converter
System, Micromachines, Vol. 14, No. 1, pp. 187

Y. Zhang, L. Zhou, M. Sumner, P. Wang, 2019, A Review of the Applications of Fuel
Cells in Microgrids: Opportunities and Challenges, BMC Energy, Vol. 1, No. 1, pp.
8

Y. Zhang, L. Zhou, M. Sumner, P. Wang, 2018, Single-Switch, Wide Voltage-Gain Range,
Boost DC–DC Converter for Fuel Cell Vehicles, IEEE Transactions on Vehicular Technology,
Vol. 67, No. 1, pp. 134-145

R. P. Priya, G. Shivakumar, V. Siddhartha, A. Edpuganti, 2023, Review of Fuel Cell
Power Converter Topologies for Electric Vehicles, pp. 1-6

Q. Zhao, F. C. Lee, 2003, High-Efficiency, High Step-Up DC-DC Converters, IEEE Transactions
on Power Electronics, Vol. 18, No. 1, pp. 65-73

M. A. Khan, M. Forouzesh, Y. P. Siwakoti, F. Blaabjerg, 2021, Switched-Capacitor-Based
High Step-Up DC–DC Converter Topologies: A Comprehensive Review, IEEE Transactions
on Power Electronics, Vol. 36, No. 9, pp. 10421-10442

X. Wu, J. Wang, Y. Zhang, Z. Liu, 2022, Switched-Capacitor-Based High-Gain DC–DC Converter
for Fuel Cell Vehicle Powertrain, Journal of Power Electronics, Vol. 22, No. 4, pp.
557-568

K. Jayanthi, J. Gnanavadivel, 2024, An Analytical Design and Analysis of a High Gain
Switched Inductor Voltage Multiplier Cell Power Converter, Automatika, Vol. 65, No.
3, pp. 1100-1112

M. M. Ajmal, B. Cherian, B. Thomas, 2017, A Parallel Input Series Output DC/DC Converter
with High Voltage Gain, International Research Journal of Engineering and Technology
(IRJET), Vol. 4, No. 4, pp. 54-59

Y. Huangfu, S. Zhuo, F. Chen, S. Pang, D. Zhao, F. Gao, 2018, Robust Voltage Control
of Floating Interleaved Boost Converter for Fuel Cell Systems, IEEE Transactions on
Industry Applications, Vol. 54, No. 1, pp. 665-674

R. N. Hasanah, T. Taufik, O. Setyawati, 2020, Impact of Transformer’s Leakage Inductance
on Duty Cycle in Isolated DC-DC Converters, International Journal of Smart Grid and
Clean Energy, Vol. 9, No. 1, pp. 61-68

D. Mathew, A. Roy, 2018, Advanced Cascaded Boost Converter for Fuel Cell Applications,
pp. 356-361

R. V. Damodaran, H. Shareef, K. S. P. Kiranmai, R. Errouissi, 2023, Two-Switch Boost
Converter with Improved Voltage Gain and Degree of Freedom of Control, IEEE Access,
Vol. 11, pp. 23827-23838

A. Moutabir, 2014, Analysis and Control Design of Two Cascaded Boost Converter, MATEC
Web of Conferences, Vol. 16

N. Genc, Y. Koc, 2017, Experimental Verification of an Improved Soft-Switching Cascade
Boost Converter, Electric Power Systems Research, Vol. 149, pp. 1-9

F. Elghabsi, A. Farag, M. A. Abdel-Rahman, M. Orabi, 2025, High gain and high efficiency
soft switching quadratic boost converter for renewable energy applications, Scientific
Reports, Vol. 15, No. 1, pp. 36238

H. Zhang, S.-J. Park, 2022, Efficiency Optimization Method for Cascaded Two-Stage
Boost Converter, IEEE Access, Vol. 10, pp. 53443-53453

P. J. H. Wingelaar, J. L. Duarte, M. A. M. Hendrix, 2005, Dynamic Characteristics
of PEM Fuel Cells, pp. 1635-1641

J. S. A. Rahavi, T. Kanagapriya, R. Seyezhai, 2012, Design and Analysis of Interleaved
Boost Converter for Renewable Energy Source, pp. 447-451

P. A. A. Honadia, F. I. Barro, M. Sané, 2018, Performance Analysis of a Boost Converter
with Components Losses, Energy and Power Engineering, Vol. 10, No. 9, pp. 399-413

저자소개
He received B.S. degree in Electronics and Electrical Engineering from Sungkyunkwan
University in 2025. He is currently pursuing M.S degree in Electrical and Computer
Engineering at Sungkyunkwan University.
He received B.S. degree in Electronics and Electrical Engineering in 2024 and M.S.
degree in Electrical and Computer Engineering in 2026, both from Sungkyunkwan University.
He is currently pursuing Ph.D. degree in Electrical and Computer Engineering at Sungkyunkwan
University.
He received B.S. degree in Electrical Engineering from Hongik University in 2023.
He is currently pursuing the integrated M.S./Ph.D. degree in Electrical and Computer
Engineering at Sungkyunkwan University.
He received B.S. degree in Energy Systems Engineering from Chung-Ang University in
2021. He is currently pursuing the integrated M.S./Ph.D. degree in Electrical and
Computer Engineering at Sungkyunkwan University.
Byoung Kuk Lee (S’97-M’02-SM’04-F’24) received his B.S. and M.S. degrees in electrical
engineering from Hanyang University, Seoul, South Korea, in 1994 and 1996, respectively.
He earned his Ph.D. degree in electrical engineering from Texas A&M University, College
Station, TX, USA, in 2001. Since 2006, he has been a faculty member at the School
of Electronics and Electrical Engineering, Sungkyunkwan University, South Korea. Dr.
Lee's research interests include ICCU, wireless power transfer chargers for electric
vehicles, BMS algorithms, induction heating for domestic and industrial applications,
and energy storage systems. Dr. Lee currently serves as an Associate Editor for IEEE
Transactions on Power Electronics. From 2016 to 2021, he has been a member of the
IEC Conformity Assessment Board. Dr. Lee is a Fellow of IEEE.