어진명
(Jin-Myeong Uh)
*iD
장진혁
(Jin-Hyuk Jang)
**iD
손진근
(Jin-Geun Shon)
†iD
-
(Korea Land and Housing Corporation. E-mail: ejm9406@naver.com)
-
(Dept. of Electrical Engineering, Gachon University, Korea. E-mail: asdas22@gachon.ac.kr)
Copyright © The Korean Institute of Electrical Engineers
Key Words
Active Power Filter(APF), Appropriate LPF(butterworth filter), Fast Fourier Transformation(FFT), Harmonics, Park Transform
1. 서 론
근래에 AI데이터 센터와 같은 급작스런 부하설비 및 로봇산업, 전기차 충전설비 및 UPS 등 반도체 전력 변환 기술을 활용한 새로운 산업 수요의 증가에
따라 고조파 발생이 급증하고 있다. 이러한 고조파의 발생은 전력계통의 전력 품질악화 및 전력계통의 손실은 물론이고 전력기기의 오작동 및 고장, 소손
및 절연열화 등 고조파로 인한 피해가 날로 증가하고 있으며 이의 대책마련이 시급하다고 할 수 있다[1-
2].
고조파 파형의 발생은 AC 및 DC전력의 상호 변환 과정에서 주로 발생한다. 전력계통에 공급되는 기본파에 3차 고조파 파형과 5차 고조파 파형, 7차
고조파 파형이 합성되어 비정현파 파형으로 변형된다. 이러한 파형과 같이 각각의 고조파 파형이 많이 발생할수록 총고조파왜곡(THD : total harmonic
distortion)의 평가지수값이 커지면서 전력계통 선로의 부하측 뿐만 아니라 전력 계통의 안정성에 영향을 미치게 된다. 이를 방치할 경우에는 광범위한
기기의 오작동 피해와 추가적 전력 손실의 급증을 초래할 수 있다고 보고되고 있다[3-
4].
이에 따라 유럽이나 미국 등 선진국에서는 고조파 문제에 대한 관심을 갖고 이를 해결하기 위한 규제 연구 및 IEC 등의 규격 마련을 진행하고 있다[5-
6]. 이러한 상황에 맞춰 우리나라에서도 전력산업을 중심으로 고조파 능동전력필터(APF)의 도입 등 다양한 대책을 마련하는 추세이지만 대용량화의 어려움
등으로 인하여 제품의 국산화가 어려운 실정이다.
지금까지 고조파에 대한 저감 및 고조파 정밀 측정을 위한 다양한 연구가 시도되고 왔다. 초기 단계에는 단순 퓨리에 변환(FT: Fourier Transform)이
사용되었으나 계산이 복잡하고 시간이 많이 소요되는 단점이 있었다. 이후 이산 퓨리에 변환(DFT: discrete Fourier Transform)
활용 방안이 제시되어 주파수 성분의 변환에 시간적 단축이 있었지만 많은 데이터 입력이 필요할 경우 계산 속도가 저하되는 단점이 있었다[7].
따라서 본 논문에서는 한 주기의 데이터를 지속적으로 필요로 하지 않고도 고조파를 정밀 측정할 수 있는 정규화된 Butterworth 필터(적정 LPF)를
새롭게 도입하고 이를 이용한 개별 Park 변환 기법에 기반한 정밀 고조파 측정 기법을 제안한다. 이러한 제안 기법은 주파수별로 개별적 Park 변환기법을
도입하여 한 주기의 데이터를 지속적으로 필요로 하지 않으면서 일반적인 고조파 측정 방안보다 정확성과 응답속도를 개선할 수 있음을 입증하고자 한다.
2. 고조파 보상을 위한 개별적 Park 변환기법 및 적정 LPF(Butterworth)설계 방안
2.1 고조파의 발생과 APF의 도입
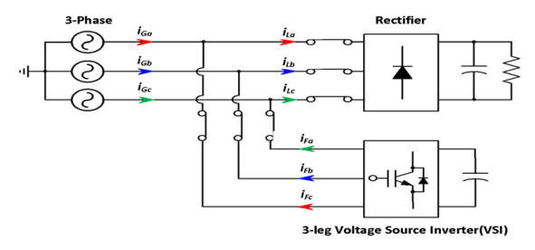
그림 1은 전력 계통에 비선형부하 정류기(Rectifier)가 연계되면서 유입되는 고조파를 저감시키기 위해 APF(Active Power Filter)가
전력 계통과 병렬로 연결된 모습을 보여준다.
그림 1. 고조파 발생의 비선형부하와 연결된 3상 APF
Fig. 1. Three-Phase APF Connected to a Non-linear Load.
APF는 계통과 병렬로 연계되어 전력 계통에 포함되어 있는 고조파를 저감시키는 장치로, 계통 연계형 인버터를 통해 보상전류를 계통으로 주입한다. 이때
APF는 정류기에 유입되는 전류를 측정하고, 측정한 전류에 포함된 고조파 전류 성분을 계산하여 실제적인 보상 전류를 전력 계통에 흘려보낸다.
그림 1의 전력계통 전류흐름을 살펴보면 고조파 저감을 위해 APF가 계통과 연계되었을 때의 전류 흐름의 바꾸어 줌을 알 수 있다. 즉 APF에서 계통으로
보내는 전류 $i_{Fa}, i_{Fb}, i_{Fc}$는 비선형 정류기 부하에 흐르는 전류 $i_{La}, i_{Lb}, i_{Lc}$에 포함되어
있는 고조파 성분의 전류 $i_{La\_H}, i_{Lb\_H}, i_{Lc\_H}$의 역방향으로 공급해 줌을 알 수 있고 이를 식 (1)로 표현할 수 있다. 따라서 APF을 이용하여 $-i_{Labc\_H}(t)$만큼의 전류를 생성하여 이를 전력 계통에 흘려 고조파를 저감시킬 수 있고,
기본파 정수배로 나타나는 대부분의 고조파를 동시에 보상할 수 있다.
2.2 주파수 개별적 Park 변환에 의한 고조파의 추출방안
그림 2는 고조파 성분만을 추출하기 위한 기존의 제어 블록도를 보여준다. Park 변환을 이용한 고조파 전압 또는 전류측정을 위해서는 기본적으로 그림3과 같이 PLL(Phase Locked Loop)을 통한 계통 전압과의 동기화가 선행되어야 한다. 여기서 $v_{Ga}, v_{Gb}, v_{Gc}$는
계통에서 측정한 전압을 의미하며 $i_{La}, i_{Lb}, i_{Lc}$는 비선형 부하로 흐르는 전류를 의미한다. 기본적으로 계통전압을 이용하여
동기화할 값을 계산한 후 Park 변환기법을 이용해 3상 전류를 2상의 전류 $i_d, i_q$를 계산한 후 회전 직각 좌표계의 q축을 0[A]로
정확하게 맞추기 위하여 PI 제어기를 활용하여 기본 주파수의 각인 $\theta_1$을 구한 후 3상 전압 Park 변환에 다시 이용된다.
그림 2. 고조파만을 추출하는 기존의 전류제어 블록도
Fig. 2. Conventional current control diagram for harmonic extraction.
따라서 전압 또는 전류 위상이 계통의 $\theta$와 안정적으로 동기화되면 이를 기준으로 각 고조파 측정을 위한 각속도를 생성하며, 기본파 각속도
$w_1$에 정수배를 적용하여 각 고조파 차수에 해당하는 $w_n$을 생성하고 이를 적분하여 고조파 위상각 $\theta_n$을 얻는다. 그림 3에 나타낸 제안하는 개별적 Park 변환 기법은 전 대역의 주파수 정수배를 모두 고려하는 방식이 아니라, 측정하고자 하는 각 고조파 차수에 대응하는
위상각과 3상 전류를 이용하여 Park 변환을 수행한다. 이 때 해당하는 $\theta_n$의 주파수 대역은 직류 성분을 가지며 이외의 주파수 대역들은
교류의 성분을 가져 각각 $I_{dn}$과 $I_{qn}$으로 표현된다.
그림 3. 제안된 개별 Park 변환에 의한 고조파 정밀 측정기법의 블록도
Fig. 3. Block diagram of the proposed harmonic precision measurement technique using
individual Park transform.
여기서 오직 $\theta_n$의 주파수 대역의 직류 성분만을 추출하기 위해서 일반적으로 LPF를 사용하나 고조파 측정 성능 개선을 위하여 기존의
방식인 LPF 대신 제안하는 적정 LPF를 적용하여 그 결과를 $I_{dFn}, I_{qFn}$로 표현할 수 있다. 여기서 식 (2)를 통하여 해당하는 정현파의 크기를 구할 수 있으며, 와 은 오직 의 주파수 대역의 직류 성분만을 보유하고 있다.
2.3 적정 LPF(Butterworth Filter)설계를 위한 감쇠 목표 주파수의 선정기법
개별 Park 변환을 이용하여 각각의 $\theta_n$에 대한 고조파의 크기를 계산하기 위해서는 항상 직류 성분만을 추출해야 오차를 줄이고 정확성과
신뢰성을 높힐 수 있다. 이때 LPF의 적정한 선정은 고조파 측정의 정확성과 속도에 많은 영향을 미치므로 중요하다. 적정 LPF를 설계할 때 차단
주파수가 높은 경우 교류주파수 성분을 충분하게 저감 시키지 못할 경우 고조파 계산에 오차가 증가 할 수 있으며 차단 주파수가 너무 낮을 경우 고조파
계산 속도가 저하된다. 이에 따라 본 논문에서는 개별 Park 변환으로 고조파를 측정함에 있어 적합한 차단 주파수를 분석하고 이에 적정한 LPF를
설계 적용하는 방안을 제시한다.
그림 4는 Park 변환 적용시 각 $\theta_n$에 따른 d축 전류 FFT 결과를 보여준다. 그림 4(a), (b), (c), (d), (e), (f), (g)를 살펴보면 계통 3상 전류 $i_{Ga}, i_{Gb}, i_{Gc}$에 포함된 고조파 파형은 5차 고조파(300[Hz]), 7차 고조파(420[Hz]),
11차 고조파(660[Hz]), 13차 고조파(780[Hz])와 이상의 차수들이 측정되는 것을 알 수 있다. 여기서 각각의 고조파 차수에 맞게 Park
변환을 설정하고 그 파형을 FFT한 결과를 살펴보면 5차 고조파부터 17차 고조파 중에서 가장 낮은 차수는 6차 고조파(360[Hz])로 나타났다.
그림 4. Park 변환 적용시 $\theta_n$에 따른 d축 전류 FFT 결과
Fig. 4. d-axis current FFT results for each $\theta_n$ (Park).
이는 Park 변환식과 3상 평형 전류의 조건에서 발생하는 특징으로써, 전력 계통에 3상 평형 전류가 흐르고 이를 각 고조파 파형의 차수에 따라 Park
변환할 시 가장 작은 차수의 고조파 파형은 곧 6차 고조파(360[Hz])임을 알 수 있으며 적정 LPF의 설계는 6차 고조파를 감쇠비의 목표로 할
필요가 있다.
3. 제안된 적정 LPF에 따른 설계와 특성 분석
앞의 2절에서 설명한 정규화된 버터워스 필터를 기반으로 정한 적정 LPF를 도입할 때에는 사용하는 시스템의 종류와 각각의 차수에 따라 감쇠비의 특성이
달라지므로 적정한 LPF를 설계하여야 리플이 포함되지 않는 특성과 감쇠비의 기울기가 급격한 특성을 살릴 수 있다. 이에 따라 적정한 LPF를 설계할
시에는 표 1의 표준화된 버터워스 필터의 시스템 차수별 계수 정리표를 사용한다.
표 1. 표준화된 버터워스필터 시스템 차수별(n) 계수값($a_k$)
Table 1. Standardized Butterworth filter coefficients by system order
|
$a_k$ \ n
|
n = 1
|
n = 2
|
n = 3
|
n = 4
|
n = 5
|
|
k = 0
|
1
|
1
|
1
|
1
|
1
|
|
k = 1
|
1
|
1.41
|
2
|
2.61
|
3.24
|
|
k = 2
|
|
1
|
2
|
3.41
|
5.24
|
|
k = 3
|
|
|
1
|
2.61
|
5.24
|
|
k = 4
|
|
|
|
1
|
3.24
|
|
k = 5
|
|
|
|
|
1
|
또한 개별 Park 변환으로 고조파를 계산할 때 필요한 LPF는 6차 고조파의 감쇠비를 타겟으로하여 360[Hz]의 감쇠비를 -100[dB]로 설정하고
각 LPF의 시스템별 특성을 파악할 필요가 있다. 즉, 각 LPF의 시스템별 360[Hz]에서 -100[dB]의 감쇠비를 갖는 $\omega_c$를
계산해야 한다. 식 (3)은 설정된 각 주파수에서 목표하는 감쇠비 설계를 위해 필요한 시스템 차수의 $\omega_c$를 구할 수 있는 식을 의미한다. 본 논문에서 사용되는
적정 LPF는 360[Hz]에서 -100[dB]의 감쇠비를 얻을 수 있도록 설정하였음에 따라 식 (3)으로 각 시스템 차수별 적정 LPF를 사용하였을 때의 계산된 $\omega_c$의 크기는 표 2와 같다.
표 2. 시스템 차수별 적정 LPF의 계산된 결과값
Table 2. Calculated $\omega_c$ results for the appropriate LPF by system order
|
$n$(차수)
|
Unit
|
$\omega_c$ (목표 감쇠)
|
|
1
|
[rad/s]
|
0.0226
|
|
2
|
[rad/s]
|
7.1528
|
|
3
|
[rad/s]
|
48.7324
|
|
4
|
[rad/s]
|
127.1987
|
|
5
|
[rad/s]
|
226.1946
|
|
6
|
[rad/s]
|
332.0085
|
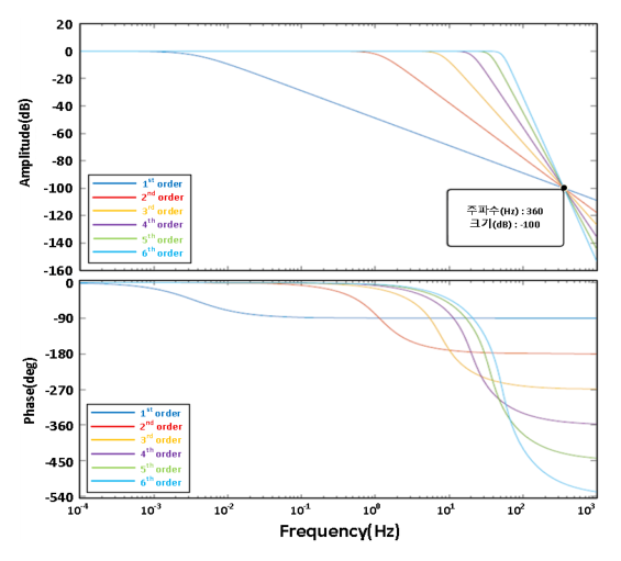
식 (3)으로 각 시스템 차수별 적정 LPF를 사용하였을 때의 보드선도를 도시하면 다음의 그림 5와 같다. 그림 5는 360[Hz]에서 -100[dB]의 감쇠비를 얻을 수 있도록 설계된 시스템 차수별 적정 LPF의 보드선도를 나타낸다. 그림 5를 살펴보면 총 6차 시스템의 적정 LPF가 설계된 것을 확인 할 수 있으며 모든 차수의 적정 LPF가 360[Hz]에서 -100[dB]의 감쇠비에서
수렴되는 것을 볼 수 있다.
그림 5. 시스템 차수별 적정 LPF의 보드선도
Fig. 5. Bode plots of appropriate LPF with the system order.
그림 6과 같이 스텝응답을 살펴보면 시스템 차수가 낮을수록 느린 응답속도가 나타나며 시스템 차수가 높아질수록 빠른 응답속도를 나타나는 것을 볼 수 있다.
이에 따라 적정 LPF 설계시 고조파 억제를 위한 적절한 감쇠비와 과도 응답 특성을 고려한 응답속도를 갖는 시스템 차수를 설정해야 한다.
그림 6. 시스템 차수별 적정 LPF의 스텝응답 결과
Fig. 6. Step response results of the appropriate LPF by system order
4. 개별 Park변환 및 적정 LPF의 설계 적용에 따른 제안기법의 결과 검증
4.1 제안 적정 LPF의 성능 검증과 동특성 모의실험의 결과
기존에 사용되는 임의 설계 LPF를 적용한 Park 변환 기반 고조파 측정 방식과 비교하여, 적정 LPF 설계를 이용한 개별 Park 변환 기반 기법은
정상상태 리플을 감소시키고 고조파 전류의 계산 세틀링 시간을 단축한다. 이러한 성능 향상을 검증하기 위하여 모의실험을 수행하였으며, 모의실험에 사용된
회로도와 파라미터의 요약은 그림 7 및 표 3에 나타내었다.
그림 7. 제안하는 적정 LPF설계의 효과 검증 모의 회로도
Fig. 7. Simulation circuit for validating the proposed LPF design.
그림 7은 전력변환 소자를 사용한 3상 정류기에서 발생하는 고조파를 측정하기 위해서 3상 평형의 고조파 전류를 발생토록 회로를 구성하였으며 공통저항(R)에서
전력이 소비되도록 하였다. 고조파의 영향을 분석하기 위하여 3상의 계통 전압을 측정하였으며 3상 전류는 부하측의 전류를 측정하였다. 표 3은 적정 LPF 설계를 이용한 개별 Park 변환 고조파 측정 방안의 효과를 검증하기 위하여 사용된 조건표이다.
표 3. 제안하는 방안의 효과 검증을 위한 조건표
Table 3. Table of conditions for verifying effectiveness of the proposed method
|
parameter
|
Unit
|
Value
|
|
$V_{rms}$
|
$[V]$
|
380
|
|
$R$
|
$[\Omega]$
|
15 -> 10
|
|
$L$
|
$[mH]$
|
4.3
|
|
$f_{fund.}$
|
$[Hz]$
|
60
|
그림 8은 그림 7의 모의 회로도에서 저항(R)이 15[$\Omega$]일때의 3상 전류중 a상 전류($I_{Gc}$)에 대한 FFT 분석 결과를 나타낸다. FFT
결과를 통해 기본파 전류의 크기는 33.68[A]로 나타났으며 주요 고조파 성분으로는 5차 고조파 전류가 6.21[A], 7차 고조파 전류가 1.98[A]로
측정되었다. 이는 비선형 부하에 의해 5차 및 7차 고조파가 지배적으로 발생함을 보여준다.
그림 8. 부하저항이 15[$\Omega$]일 때 3상 전류의 FFT 측정 결과
Fig. 8. Three-phase current FFT results (R = 15[$\Omega$]).
그림 9는 부하저항이 15[$\Omega$]에서 10[$\Omega$]으로 변화하는 조건에서 적정 LPF 설계에 따른 기본 주파수 전류 크기 측정 결과를
나타낸다. 모의실험은 6[s] 동안 수행하였으며, 3[s]에서 부하저항을 변화시켜 시스템의 정상 동작 여부를 확인하였다.
그림 9(a)는 임의적으로 설계한 LPF를 적용한 경우로, 부하저항 변화에 따라 전류 크기가 변하더라도 기본 주파수 전류를 정상적으로 계산함을 보여준다. 그림 9(b)는 제안하는 적정 LPF 2차 시스템을 적용한 결과로, 저항 변화 이후에도 전류 크기에 안정적으로 수렴하는 것을 확인할 수 있다. 다만, 응답속도는
임의 설계 LPF에 비해 다소 느리게 나타난다. 그림 9(c)의 3차 시스템 역시 정상적으로 전류 크기를 추종하지만, 응답속도는 여전히 기준 시스템보다 약간 느리다. 반면, 그림 9(d)의 4차 시스템은 정상 동작을 유지하면서 응답속도가 기준 시스템보다 향상된 것을 확인할 수 있다. 그림 9(e)의 5차 시스템은 4차 시스템보다 더욱 빠른 응답 특성을 보이며, 그림 9(f)의 6차 시스템은 가장 우수한 응답속도를 나타낸다.
그림 9. 적용 필터에 따른 기본 주파수 크기의 측정(가변 부하)
Fig. 9. Measured results of the fundamental frequency magnitude according to the applied
filter (variable load).
4.2 적정 LPF 설계 적용 모의실험의 결과분석 및 검증
그림 10은 부하저항 15[$\Omega$], 그림 11는 부하저항 10[$\Omega$]에서 적용된 LPF로 계산된 각 차수별 평균 고조파 전류 측정 결과 그래프를 보여준다. 그림 10과 그림 11을 동시에 살펴보면 측정 FFT의 결과이며 정상상태일 때 고조파 전류의 크기로 제안하는 적정 LPF의 사용 결과와 비교했을 때 측정의 정확성은 동일한
것으로 나타났으며 차수별 평균 고조파 전류의 크기는 모든 차수의 필터가 동일하게 나타남을 볼 수 있다. 그러나 고조파 측정의 실용성을 고려할 경우
실시간으로 고조파를 측정하는 관점에서 전류의 평균값뿐만 아니라 전류 리플의 역시 중점적으로 살펴볼 필요가 있다.
이에 따라 그림 12에 각 차수별 고조파 전류 리플 측정 결과를 제시하며, 본 논문에서 리플은 정상상태에서 계산된 고조파 전류의 반복적인 변동 크기를 의미하며, 과도
응답에서의 overshoot나 최대값과는 구분된다.
그림 10. 적용된 LPF로 계산된 차수별 평균 고조파 전류 측정 결과(15 [$\Omega$])
Fig. 10. Results of harmonic current by order with applied LPF (15 [$\Omega$]).
그림 11. 적용된 LPF로 계산된 차수별 평균 고조파 전류 측정 결과(10 [$\Omega$])
Fig. 11. Results of harmonic current by order with applied LPF (10 [$\Omega$]).
그림 12는 부하 15($\Omega$)에서 적용된 LPF로 계산된 각 차수별 고조파 전류의 리플 크기 측정 결과 그래프를 보여준다.
그림 12. 적용된 LPF로 계산된 각 차수별 고조파 리플전류 측정 결과(15 [$\Omega$])
Fig. 12. Harmonic current ripple results with the order (15 [$\Omega$])
그림 13. 적용된 LPF로 계산된 각 차수별 고조파 리플전류 측정 결과(10 [$\Omega$])
Fig. 13. Harmonic current ripple results with the order (10 [$\Omega$]).
그림 12를 살펴보면 임의적인 LPF의 경우 7차 고조파에서 리플이 가장 크고 최대 52[mA]의 리플이 발생함을 볼 수 있으며 제안하는 적정 LPF를 사용하였을
경우 리플 최대치는 6차 시스템에서 가장 작은 약 0.6[mA]의 리플을 보였다. 이는 임의적인 LPF를 사용하였을 경우보다 98.8[%]의 감소율이
나타남을 확인할 수 있었다.
그림 13은 부하 10[$\Omega$]에서 적용된 필터로 계산된 각 차수별 고조파 전류의 리플 크기 측정 결과 그래프를 보여준다. 임의적인 LPF를 사용하였을
경우 7차 고조파에서 리플이 가장 크고 최대 74[mA]의 리플이 발생함을 볼 수 있다.
이에 비하여 제안하는 적정 LPF를 사용하였을 때 리플 최대치는 6차 시스템에서 가장 작은 약 0.95[mA]의 리플을 보였다. 이는 임의적인 LPF를
사용하였을 경우보다 98.7[%]의 감소율이 나타남을 확인할 수 있다.
그림 14. 적용된 필터에 따른 고조파 전류의 계산 세틀링 시간
Fig. 14. Settling time of the harmonic current with the applied filter
그림 14는 적용된 LPF에 따른 고조파 전류의 계산 세틀링 시간을 나타낸 그래프를 보여준다. 그림 14를 살펴보면 제안하는 2차 시스템에서 세틀링 시간이 가장 많이 걸리는 것을 알 수 있으나 제안하는 방안으로 4차 시스템 이상의 적정 LPF를 사용하면
임의적인 LPF를 사용하였을때 보다 최소 18.22[%]의 응답속도를 개선할 수 있다.
표 4. LPF 차수에 따른 고조파 전류 리플 (R = 10, 15 $\Omega$)
Table 4. Harmonic current ripple according to LPF order (R = 10, 15 $\Omega$)
구분
차수 / 리플
|
5차
[mA]
|
7차
[mA]
|
11차
[mA]
|
13차
[mA]
|
17차
[mA]
|
기존
LPF
|
(R=15 [Ω])
|
50
|
52
|
19
|
14
|
7
|
|
(R=10 [Ω])
|
73
|
74
|
26
|
20
|
1
|
|
2차
|
(R=15 [Ω])
|
0.66
|
0.67
|
0.2
|
0.19
|
0.1
|
|
(R=10 [Ω])
|
0.95
|
0.95
|
0.34
|
0.27
|
0.14
|
|
3차
|
(R=15 [Ω])
|
0.66
|
0.67
|
0.18
|
0.11
|
0.046
|
|
(R=10 [Ω])
|
0.94
|
0.95
|
0.22
|
0.14
|
0.062
|
|
4차
|
(R=15 [Ω])
|
0.66
|
0.67
|
0.14
|
0.07
|
0.026
|
|
(R=10 [Ω])
|
0.94
|
0.95
|
0.18
|
0.1
|
0.033
|
|
5차
|
(R=15 [Ω])
|
0.66
|
0.67
|
0.13
|
0.05
|
0.024
|
|
(R=10 [Ω])
|
0.94
|
0.95
|
0.16
|
0.07
|
0.031
|
|
6차
|
(R=15 [Ω])
|
0.66
|
0.6
|
0.13
|
0.04
|
0.019
|
|
(R=10 [Ω])
|
0.94
|
0.95
|
0.15
|
0.05
|
0.024
|
표 4는 고조파 차수별로 적용된 LPF마다의 전류리플을 보여준다. 7차 고조파에서 리플이 가장 크고 그 다음이 5차 고조파에서의 리플이 큰 것을 확인할
수 있다. 또한 제안하는 적정 LPF의 시스템 차수를 높게 설계할수록 리플이 줄어들어 제안하는 방안으로 적정 LPF를 설계할 경우 고조파 전류의 평균값
계산의 정확성을 유지할 수 있으며 리플의 크기를 줄여 실시간으로 측정되는 값들의 신뢰성을 높여 고조파 측성 성능의 향상을 기할 수 있다.
결과적으로 제안하는 방안으로 적정 LPF를 설계할 경우 필터 설계 조건에 따라 임의의 LPF 대비 응답속도를 개선할 수 있으며 전류 리플을 더욱 저감
시킴을 확인하였다.
5. 결 론
본 논문에서는 고조파를 정밀하게 측정할 수 있는 정규화된 Butterworth 필터 기반의 적정 LPF와 이를 이용한 개별 Park 변환 기반 고조파
측정 기법을 제안하였다. 제안된 방법은 한 주기의 데이터를 지속적으로 요구하지 않으면서 기존 고조파 측정 기법 대비 정확성과 응답속도를 향상시킬 수
있다.
고조파 차수별 개별 Park 변환을 적용하여 직류 성분을 효과적으로 분리하였으며, 일반적인 LPF 대신 적정 LPF를 적용함으로써 측정 성능을 개선하였다.
모의실험 결과, 적정 LPF는 임의 LPF 대비 전류 리플을 저감시키고 4차 시스템 이상에서 최소 18.22[%]의 응답속도 개선 효과를 보였다.
또한 FFT 기반 고조파 분석 결과와의 비교를 통해 정상상태에서의 측정 정확성을 확인하였다.
다만 제안된 기법은 고조파 차수별 Park 변환과 저역통과필터에 기반하므로 계통 전압과의 동기화 정확도에 따라 측정 성능이 영향을 받을 수 있으며,
다수의 고조파 차수를 동시에 측정하는 경우 계산 부하 증가로 인해 과도 응답 특성이 저하될 수 있다. 따라서 향후 연구에서는 보다 강인한 동기화 기법을
적용하고, 고조파 측정 구조의 효율화를 통해 계산 복잡도를 저감하는 방안을 검토할 예정이다.
제안된 기법은 실계통 환경에서도 안정적인 고조파 측정이 가능할 것으로 기대되며, 고조파 보상 장치 및 고조파 측정용 전력 분석 기기 등에 적용되어
고조파 측정 정확도와 보상 성능 향상에 기여할 수 있을 것으로 기대된다.
Acknowledgements
This research was supported by the government (Ministry of Science and ICT) through
the Institute of Information & Communications Technology Planning & Evaluation (IITP)
under the University ICT Research Center (ITRC) support program (IITP-2025-RS-202
3-00259004), and by the Ministry of Trade, Industry and Energy (MOTIE) through the
Korea Institute of Energy Technology Evaluation and Planning (KETEP) (No. 20214000000060).
References
R. D. Henderson, P. J. Rose, 1994, Harmonics: the effects on power quality and transformers,
IEEE Transactions on Industry Applications, Vol. 30, No. 3, pp. 528-532

V. E. Wagner, 1993, Effects of harmonics on equipment, IEEE Transactions on Power
Delivery, Vol. 8, No. 2, pp. 672-680

M. A. Stošović, M. Dimitrijević, S. Bojanić, O. Nieto-Taladriz, V. Litovski, 2016,
Characterization of Nonlinear Loads in Power Distribution Grid, Facta Universitatis,
Series: Electronics and Energetics, Vol. 29, No. 2, pp. 159-175

V. T. Kullarkar, V. K. Chandrakar, 2017, Power Quality Analysis in Power System with
Non Linear Load, International Journal of Electrical Engineering, Vol. 10, No. 1,
pp. 33-45

T. L. Lee, S. H. Hu, 2016, An active filter with resonant current control to suppress
harmonic resonance in a distribution power system, IEEE Journal of Emerging and Selected
Topics in Power Electronics, Vol. 4, No. 1, pp. 198-209

XieBin, DaiKe, WeiXueLiang, KangYong, 2008, Flexible compensate arithmetic of
the three-phase four-wire Active Power Filter, pp. 1-4

Michael T. Heideman, Don H. Johnson, C. Sidney Burrus, 1985, Gauss and the history
of the fast fourier transfor, Archive for History of Exact Sciences, Vol. 34, No.
3, pp. 265-277

Stefan Worner, 2008, Fast fourier transform, pp. 10

Saeed Golestan, Josep M. Guerrero, 2015, Conventional Synchronous Reference Frame
Phase-Locked Loop is an Adaptive Complex Filter, IEEE Transactions on Indusctrial
Electronics, Vol. 62, No. 3, pp. 1672-1682

Bahram Shakerighadi, Esmaeil Ebrahimzadeh, Mads Graungaard Taul, Frede Blaabjerg,
Claus Leth Bak, 2020, Modeling and Adaptive Design of the SRF-PLL: Nonlinear Time-Varying
Framework, IEEE Access, Vol. 8, pp. 28635-28645

S. Butterworth, 1930, On the Theory of Filter Amplifiers, Experimental Wireless and
the Wireless Engineer, pp. 536-541

저자소개
He received his B.S. degree from KunKuk University and his M.S. degree from Gachon
University. He has been working at the Korea Land and Housing Corporation since 1990
and served as the Director of the Public Housing Electrical Department from 2021 to
2022. His research interests include Power conversion and control and Smart home E-mail
: ejm9406@naver.com
He received his B.S. degree and he is currently pursuing his M.S. degree from Gachon
University, Gyeonggi-Do, Korea. His research interests include Power conversion and
Power control. E-mail : asdas22@gachon.ac.kr
He received his B.S., M.S. and Ph. D. degrees in the Department of Electrical Engineering
from Soongsil University in 1990, 1992 and 1997. He was Chief Researcher in Electro-Mechanical
Research Institute, Hyundai Heavy Industries Co., Ltd., Gyeonggi-do, Korea, during
1992-1995. He was a Postdoctoral Researcher in the Department of Electrical and Electronic
Engineering, Kagoshima University, from 2002 to 2003. He was also a Visiting Scholar
in the Power Electronics Laboratory, Michigan State University, from 2009 to 2010.
He is currently a Professor at the school of Electrical Engineering, Gachon University,
Korea. His research interests are the power conversion, control and diagnosis of power
utility. E-mail : shon@gachon.ac.kr