임종호
(Jong-ho Lim)
1iD
이현재
(Hyun-jae Lee)
1iD
손진근
(Jin-geun Shon)
1iD
박주헌
(Joo-heon Park)
†iD
-
(Dept. of Electrical Engineering, Gachon University, Republic of Korea.)
Copyright © The Korean Institute of Electrical Engineers
Key Words
Static Var Compensator, Thyristor Firing Angle Control, Capacitive Load, Capacitive Power Factor, Power Factor Improvement
1. 서 론
최근 LED, 마이크로 프로세서 등 전력전자 기반 부하의 확대로 비선형 전류 및 고조파, 역률 저하 등으로 인한 전력 품질 문제가 심화되고 있다.
특히 디지털 부하 및 스위칭 부하의 증가로 인한 진상 역률 현상이 발생하여 계통의 안정성 저하 및 전력 효율이 저하 등이 발생하며 이는 운영비용 상승,
계통 불안정 등을 초래한다[1]. 이러한 배경에서 교류 송전 계통의 유연성과 효율성 향상을 목표로 FACTS(Flexibal AC Transmission System)에 관한 다양한
연구가 이루어지고 있다[2].
그 중 정지형 무효전력 보상장치(SVC : Static Var Compensator)는 사이리스터를 기반으로 계통에 무효전력을 공급하거나 흡수하여
역률 개선 및 전압 안정도 향상을 위한 설비이다. SVC는 스위칭 손실이 낮으며 경제적으로 전력 품질 향상이 가능하기에 고전력 분야에 적용되기에 적합하다[3-
4]. SVC는 역병렬 연결의 양방향 사이리스터 밸브와 리액터 또는 커패시터가 구조를 기반으로 하며 사이리스터 점호각 또는 투입 타이밍을 제어하여 무효전력을
조절한다. 구체적으로, TSC(Thyristor-Switched Capacitor) 는 커패시터를 사이리스터로 단계적으로 투입/차단(ON/OFF)
하여 진상 무효전력을 공급하는데, 과도전류 억제를 위해 연속 가변 보상보다는 계단식 보상에 적합하다. 반면 TCR (Thyristor-Controlled
Reactor)은 리액터 전류를 점호각으로 연속 제어하여 유도성 무효전력을 흡수하므로, 진상 역률의 과보상 방지 및 목표 역률 추종에 유리하다. 고정
커패시터(Fixed Capacitor)와 TCR을 병렬 결합한 FC–TCR 구조는 연속적이고 넓은 범위의 무효전력 조정이 가능하도록 한다[5-
6].
SVC는 사이리스터의 점호각을 기반으로 역률을 개선하기 때문에 사이리스터 점호각의 연산 및 입력 전압 위상 도출을 필요로 한다. 하지만 실시간 시스템에서
점호각 연산이 어려우며 이에 기존 연구에서는 오프라인 최적화, 근사치 계산을 적용하여 SVC를 제어한다[7-
8].
이에 본 논문에서는 SVC 중 특히 TCR의 제어 단순화를 위해 동기 제어를 제안한다. 이를 최근 부하단에서 관찰되는 진상 역률 문제에 대응하기 위해
TCR에 적용하여 역률 개선 성능을 검증하였다. 이를 위해 PSIM을 활용한 시뮬레이션과 하드웨어를 활용한 실증 실험을 수행하여 결과를 도출하였으며
그 결과를 통해 역률 개선 성능을 검증하였다.
2. TCR의 제어 이론 고찰 및 문제점 분석
2.1 부하에 따른 무효전력과 역률의 상관관계
전력시스템에서 역률(PF : Power Factor)은 유효전력 P와 피상전력 S의 비로 정의되며, 저항성·유도성·용량성 부하에 따라 그림 1과 같이 달라진다. 저항성 부하의 경우 전압과 전류의 위상이 일치하므로 역률은 1이 되고, 이때 피상전력과 유효전력이 동일함을 그림 1(a)에서 확인할 수 있다. 유도성 부하의 경우 인덕터 성분으로 인해 전류 위상이 전압에 대해 지연되며, 이로 인해 지상 무효전력이 발생하고 역률이 지상(lagging)으로
나타나는 것을 그림 1(b)에 도시하였다. 반대로 용량성 부하의 경우 커패시터 성분으로 인해 전류 위상이 전압보다 선행하게 되어 진상 무효전력이 발생하며, 역률이 진상(leading)으로
나타나는 것을 그림 1(c)에서 확인할 수 있다. 이와 같이 부하에 리액턴스 성분이 포함되면 전압과 전류 사이에 위상차가 발생하여 전력 이용 효율이 저하된다.
그림 1. 부하의 종류에 따른 무효전력과 역률의 상관관계
Fig. 1. Relationship Between Load Types, Reactive Power, and Power Factor
2.2 SVC의 구성요소와 동작 원리 분석
SVC는 사이리스터 뱅크에 인덕터 혹은 커패시터가 연결되어 있는 형태로 그림 2와 같이 지상 역률 문제 개선을 위한 TSC, FC-TCR과 진상 역률 문제 개선을 위한 TCR로 구성되어 있다.
그림 2. SVC의 종류 및 각 설비의 구조
Fig. 2. Types of SVCs and the Structural Configuration of Each System
SVC의 종류 및 이에 따른 구조를 그림 2에 나타내었다. TSC는 사이리스터 뱅크에 커패시터가 직렬로 연결되어 있는 형태로 사이리스터를 활용하여 커패시터의 투입 여부를 결정하고, 이를 활용하여
진상 무효전력을 공급하여 역률을 단계적으로 개선한다. 즉 TSC는 커패시터의 용량에 의해 무효전력 공급량이 결정된다. 이에 따라 커패시터를 단계적으로
투입하여 무효전력 공급량을 가변한다. 반면 TCR은 커패시터 대신 인덕터가 연결되어 있는 형태로 사이리스터의 점호각을 제어한다. 이에 따라 인덕터의
실효 인덕턴스가 가변되어 지상 무효전력량을 연속적으로 가변할 수 있다. 이를 통해 진상 역률에 연속적으로 대응이 가능하다. FC-TCR은 고정 커패시터에
TCR이 병렬로 연결되어 있는 구조로 TSC가 갖는 비연속적인 한계를 보완한다. 고정 커패시터가 고정된 진상 무효전력을 공급하고, TCR이 가변 유도성
무효전력을 흡수함으로써 무효전력 공급을 선형적으로 가변할 수 있다. 이에 본 논문에서는 최신 부하로 인한 진상 역률 문제에 대응을 위해 TCR을 적용에
관한 연구를 진행하였다.
2.3 TCR의 적용을 위한 동기 제어 기법 분석
TCR은 그림 3에 나타낸 것과 같이 입력 전압 위상에 따라 점호가 가능한 구간이 정해진다. 선형 파형을 각 사이리스터의 점호 구간에 대응하는 제어 구간을 갖도록
생성하면 각 사이리스터는 점호 가능한 구간에 맞게 제어가 될 수 있다. 이를 위해서는 먼저 입력 전압의 위상을 도출해야한다.
그림 3. 입력 전압 위상에 따른 사이리스터의 점호 가능 구간
Fig. 3. Thyristor Firing Range Determined by the Input Voltage Phase
입력 전압의 위상 도출을 위해서는 SRF-PLL(Synchronous Reference Frame Phase-Locked Loop)를 활용하였다.
이를 통해 입력 전압의 위상을 도출한 후 각 사이리스터의 점호 구간에 대응하는 선형 파형을 생성하였다. 생성된 선형 파형은 그림 4와 같으며, 이는 입력 전압의 위상과 동기된다.
그림 4. 각 사이리스터의 동기 선형 파형
Fig. 4. Synchronous Linear Waveforms of Each Thyristors
생성된 선형 파형은 각 사이리스터의 점호 가능 구간과 대응하는 제어 구간을 가진다. 제어 구간에서 선형 파형은 $[0,\frac{\pi}{2}]$의
범위로 정규화된 무효전력 제어량 $u(t)$와 비교하여 사이리스터의 점호 펄스를 생성한다. 이에 선형 파형은 비제어 구간에서 펄스가 생성되지 않도록
1.6의 고정된 값을 가지며 제어 구간에서는 $[\frac{\pi}{2},0]$의 범위에서 선형적으로 감소한다. 여기서 $u(t)$는 무효전력 제어량을
의미하며 설정된 목표 역률과 피상전력을 기반으로 계산한 목표 무효전력에 현재 무효전력량이 도달할 수 있도록 활용한 PI 제어기의 출력이며 설계된 선형
파형을 $u(t)$와 비교하여 펄스를 생성한다. 즉, 선형 파형을 제어구간에서 감소하도록 구성하여 보상해야할 무효전력의 크기가 증가하면 $u(t)$가
증가하고, 이에 따라 제어 구간에서 $u(t)$가 선형 파형을 빠르게 상향 통과하여 사이리스터의 도통 시간이 길어지는 것을 그림 5를 통해 확인할 수 있다.
그림 5. 무효전력 제어량과 동기 선형 파형의 비교를 통한 사이리스터의 펄스 폭 변조 과정
Fig. 5. Comparison Between the Reactive Power Control Signal and the Synchronous Linear
Waveform for Generating the Thyristor Pulse-Width Modulation
즉, 제안하는 기법은 보상해야하는 무효전력에 맞춰 $u(t)$가 변동되고, $u(t)$와 생성된 6개의 선형 파형을 비교하여 각 사이리스터의 점호
펄스를 생성하여 목표 역률에 도달하도록 제어한다.
3. TCR의 동기 제어 성능 검증을 위한 시뮬레이션
3.1 시뮬레이션 환경 구성
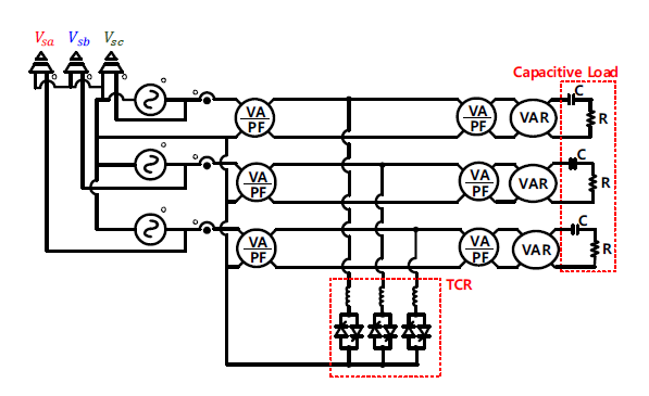
본 논문에서는 시뮬레이션을 위해 PSIM을 활용하여 Y결선 TCR이 적용된 3상 4선식 전력 시스템을 그림 6과 같이 구성하였다.
그림 6. 무효전력 제어량과 동기 선형 파형의 비교를 통한 사이리스터의 펄스 폭 변조 과정
Fig. 6. Pulse-Width Modulation Process of the Thyristor Based on the Comparison Between
the Reactive Power Control Signal and the Synchronous Linear Waveform
이를 제어하기 위해 논문에서 제안하는 동기 제어를 적용하였다. 동기 제어 기법의 성능 검증을 위해 다양한 환경에서 시뮬레이션을 진행하였으며 시뮬레이션의
각 환경에 적용된 파라미터는 표 1에 나타내었으며 역률은 기본파 역률(DPF : Displacement Power Factor)로 측정하였다.
표 1. 시뮬레이션에 적용된 파라미터
Table 1. Simulation Parameters Applied in Study
|
|
Simulation 1
|
Simulation 2
|
Simulation 3
|
|
$V_{rms}$
|
100[V]
|
100[V]
|
100[V]
|
|
$f$
|
60[Hz]
|
60[Hz]
|
60[Hz]
|
|
$PF$
|
1
|
1
|
1
|
|
$L_{tcr}$
|
150[$mH$]
|
150[$mH$]
|
28[$mH$]
|
|
$C$
|
10[$\mu$F]
|
20[$\mu$F]
|
10[$\mu$F]
|
|
$R$
|
200[$\Omega$]
|
200[$\Omega$]
|
200[$\Omega$]
|
3.2 TCR의 동기 제어 기법 적용 시뮬레이션 결과 분석
본 논문에서는 표 1과 같이 각각 저항, 커패시터 용량, 인덕터 용량이 다른 세 개의 환경을 구성하고, 3상 4선식 전력 시스템에 TCR을 적용하여 동기 제어 기법의
제어 성능을 검증하였다.
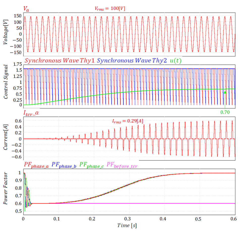
시뮬레이션 조건 1에서의 시뮬레이션 결과를 그림 7에 나타내었다. 전압의 RMS, 선형파형 및 무효전력 제어량, TCR 전류와 최종적으로 기본파 역률이 목표 역률에 도달하는 것을 그림 7을 통해 확인할 수 있다. 또한 a상 전압과 a상에 연결된 사이리스터 제어를 위한 선형 파형이 동기를 이루는 것을 확인할 수 있으며 이에 따라 점호각의
계산 없이 목표 역률에 도달함을 확인할 수 있다. 또한 TCR의 투입 전 역률은 0.60이며 TCR이 투입됨에 따라 $u(t)$가 0.70까지 증가하여
TCR 전류의 RMS 값은 0.29[A]가 되며 목표 역률 1에 도달하는 것을 확인할 수 있다.
그림 7. Simulation 1 조건에서의 시뮬레이션 결과 파형
Fig. 7. Simulated Waveforms Under the Experiments of Simulation 1
Simulation 조건 2에서의 시뮬레이션 결과를 그림 8에 나타내었다. 위 조건에서도 a상 전압과 a상에 연결된 사이리스터 제어를 위한 선형 파형이 동기를 이루는 것을 확인할 수 있으며 이에 따라 점호각의
계산 없이 목표 역률에 도달함을 확인할 수 있다. 부하에 연결된 커패시터의 용량이 변경됨에 따라 TCR의 투입 전 역률은 0.60에서 0.83으로
변경되었으며 이에 따라 $u(t)$가 0.69로 소폭 감소하며 TCR 전류의 RMS 값은 0.29[A]가 되며 목표 역률 1에 도달하는 것을 확인할
수 있다.
그림 8. Simulation 2 조건에서의 시뮬레이션 결과 파형
Fig. 8. Simulated Waveforms Under the Experiments of Simulation 2
Simulation 조건 3에서의 시뮬레이션 결과를 그림 9에 나타내었다. 위 조건에서도 a상 전압과 a상에 연결된 사이리스터 제어를 위한 선형 파형이 동기를 이루는 것을 확인할 수 있으며 이에 따라 점호각의
계산 없이 목표 역률에 도달함을 확인할 수 있다.
그림 9. Simulation 3 조건에서의 시뮬레이션 결과 파형
Fig. 9. Simulated Waveforms Under the Experiments of Simulation 3
Simulation 조건 3은 Simultaion 조건 1에서 인덕터의 용량이 감소한 조건으로 인덕터의 용량이 감소하면 더 큰 점호각에서도 동일한
지상 무효전력을 흡수할 수 있다. 즉, 인덕터의 용량이 큰 경우 동일한 도통 기간에서 더 큰 지상 무효전력을 흡수한다. 이에 따라 TCR의 투입 전
역률은 0.60으로 동일하지만 $u(t)$가 0.70에서 0.40으로 감소하였으며 이에 따라 목표 역률 1에 도달하는 것을 확인할 수 있다.
표 2. 시뮬레이션의 결과 요약 표
Table 2. Simulation Results
|
|
Simulation 1
|
Simulation 2
|
Simulation 3
|
|
$Target DPF$
|
1
|
1
|
1
|
|
$Measured DPF$
|
1
|
1
|
1
|
|
$u(t)$
|
0.70
|
0.69
|
0.40
|
|
$L_{tcr}$
|
150[$mH$]
|
150[$mH$]
|
28[$mH$]
|
|
$C$
|
10[$\mu$F]
|
20[$\mu$F]
|
10[$\mu$F]
|
Simulation 1~3의 조건에서 TCR에 동기 제어 기법 적용 시 시뮬레이션 결과를 표 2에 요약하여 나타내었다. 그 결과 목표 역률에 도달하기 위해 흡수해야할 지상 무효전력의 크기와 인덕터의 용량에 따라 $u(t)$가 결정되고, $u(t)$와
동기 선형 파형의 비교를 통해 사이리스터의 펄스 폭을 변조하여 최종적으로 목표 역률에 도달할 수 있음을 시뮬레이션을 통해 확인하였다.
4. TCR의 동기 제어 성능 검증을 위한 실험
4.1 하드웨어 설계 및 제작
본 논문에서는 하드웨어 실험을 통해 동기 제어 기법의 제어 성능을 검증하였으며 이를 위해 하드웨어의 제작 및 설계를 진행하였다. 제작된 하드웨어를
포함한 실험 전경 및 각 요소는 그림 10에 나타내었으며 하드웨어 실험에 적용된 파라미터는 표 3에 나타내었다.
그림 10. 하드웨어 실험 전경 및 각 요소
Fig. 10. Hardware Experimental Setup and Component Layout
표 3. 하드웨어 실험에 적용된 파라미터
Table 3. Hardware Experiment Parameters
|
|
Parameter
|
|
Power Quality Analyzer
|
Fluke 434
|
|
Oscilloscope
|
LeCroy HDO6034B
|
|
Voltage Source
|
Chroma PROGRAMMABLE AC SOURCE 61501
|
|
Current Sensor
|
LA-25P
|
|
Voltage Sensor
|
LV-25P
|
|
MCU
|
TI TMS320F28335
|
|
$R, C$
|
SAMWHA 200[$\Omega$], 10[$\mu$F]
|
4.2 TCR의 동기 제어 기법 적용 하드웨어 실험 결과 분석
하드웨어 실험 조건 Experiment 1~3는 기존 시뮬레이션의 조건인 Simulation 1~3을 그대로 적용하여 하드웨어 실험을 진행하였다.
또한 LeCroy 사의 오실로스코프를 활용하여 인덕터 전류와 입력 전압을 측정하고 Fluke 사의 전력 품질 분석기를 활용하여 역률을 측정하였다.
그림 11. Experiment 1에서의 하드웨어 실험 결과 파형 (a)3상 TCR 전류 (b)입력 전압
Fig. 11. Hardware Experimental Waveforms Under Experiment 1 : (a) Three-Phase TCR
Currents (b) Input Voltage
Experiment 1에서의 실험 결과 오실로스코프의 계측 결과를 그림 11에, TCR 투입 전과 후의 전력 품질 분석기의 계측 결과를 그림 12에 각각 나타내었다. TCR 투입 전 역률은 0.60으로 시뮬레이션의 0.60과 동일한 것을 그림 12(a)를 통해 확인할 수 있다. TCR이 투입됨에 따라 입력 전압이 그림 11(b)와 같을 때 3상 TCR의 전류가 그림 11(a)와 같이 흐른다. 이때 TCR 전류의 RMS 값은 0.27[A]이며 이에 따라 기본파 역률이 1에 도달하는 것을 결과를 통해 확인할 수 있다.
그림 12. TCR 투입에 따른 전력 품질 분석기 계측 결과 (a)투입 전 (b) 투입 후
Fig. 12. Power Quality Analyzer Measurements Before and After TCR Activation: (a)
Before Activation (b) After Activation
Experiment 2에서의 실험 결과 오실로스코프의 계측 결과를 그림 13에, TCR 투입 전과 후의 전력 품질 분석기의 계측 결과를 그림 14에 각각 나타내었다. TCR 투입 전 역률은 0.79로 시뮬레이션의 0.83 대비 소폭 감소한 것을 그림 14(a)를 통해 확인할 수 있다. TCR이 투입됨에 따라 입력 전압이 그림 13(b)와 같을 때 3상 TCR의 전류가 그림 13(a)와 같이 흐르고 이에 따라 기본파 역률이 1에 도달하는 것을 결과를 통해 확인할 수 있다.
그림 13. Experiment 2에서의 하드웨어 실험 결과 파형 (a)3상 TCR 전류 (b)입력 전압
Fig. 13. Hardware Experimental Waveforms Under Experiment 2 : (a) Three-Phase TCR
Currents (b) Input Voltage
그림 14. TCR 투입에 따른 전력 품질 분석기 계측 결과 (a)투입 전 (b) 투입 후
Fig. 14. Power Quality Analyzer Measurements Before and After TCR Activation: (a)
Before Activation (b) After Activation
그림 15. Experiment 3에서의 하드웨어 실험 결과 파형 (a)3상 TCR 전류 (b)입력 전압
Fig. 15. Hardware Experimental Waveforms Under Experiment 3 : (a) Three-Phase TCR
Currents (b) Input Voltage
Experiment 3에서의 실험 결과 오실로스코프의 계측 결과를 그림 15에, TCR 투입 전과 후의 전력 품질 분석기의 계측 결과를 그림 16에 각각 나타내었다. TCR 투입 전 역률은 0.61로 시뮬레이션의 0.60 대비 소폭 증가한 것을 그림 16(a)를 통해 확인할 수 있다. TCR이 투입됨에 따라 입력 전압이 그림 15(b)와 같을 때 인덕터 용량이 감소함에 따라 사이리스터의 점호각이 증가하여 도통 기간이 감소했으며 이에 따른 3상 TCR가 그림 15(a)와 같이 변동되는 것을 확인할 수 있다. TCR이 투입됨에 따라 기본파 역률이 1에 도달하는 것을 결과를 통해 확인할 수 있다.
그림 16. TCR 투입에 따른 전력 품질 분석기 계측 결과 (a)투입 전 (b) 투입 후
Fig. 16. Power Quality Analyzer Measurements Before and After TCR Activation: (a)
Before Activation (b) After Activation
본 논문에서는 하드웨어 실험을 통해 동기 제어 기법의 제어 성능을 검증하였으며 이를 위해 Experiment 1~3의 실험 환경을 구성하고 각 실험
환경에서 동기 제어 기법을 적용한 실험 결과를 표 4에 요약하여 나타내었다. 모든 환경에서 TCR의 기본파 역률이 목표 역률에 도달한 것을 표 4를 통해 확인할 수 있으며 이를 통해 본 논문에서 제안하는 동기 제어 기법의 제어 성능을 검증하였다.
표 4. 하드웨어 실험 결과 요약 표
Table 4. Hardware Experiments Results
|
|
Experiment 1
|
Experiment 2
|
Experiment 3
|
|
$Target DPF$
|
1
|
1
|
1
|
|
$Measured DPF$
|
1
|
1
|
1
|
|
$L_{tcr}$
|
150[$mH$]
|
150[$mH$]
|
28[$mH$]
|
|
$C$
|
10[$\mu$F]
|
20[$\mu$F]
|
10[$\mu$F]
|
5. 결 론
본 논문에서는 점호각의 계산 없이도 역률을 개선할 수 있는 동기 제어 기법을 제안하고 이를 시뮬레이션과 하드웨어 실험을 진행하였다. 각 실험 내에서는
여러 환경 조건을 구성하였다. 그 결과로 제안하는 동기 제어의 역률 제어 성능을 검증하였다. 구성된 모든 환경에서 TCR이 투입됨에 따라 무효전력
제어량과 동기 선형 파형의 비교를 통해 사이리스터의 펄스 폭이 변조되고 최종적으로 기본파 역률이 목표 역률인 1에 도달함을 확인하였다. 따라서 본
논문에서 제언하는 동기 제어 기법이 점호각의 연산 없이도 정상적인 역률 제어가 가능함을 검증하였다. 다만, Y결선 TCR을 3상 4선식 전력 시스템에
적용함에 따라 지배적인 3고조파를 포함한 고조파 성분으로 인해 총 역률은 목표 역률까지 개선되지 않는 것을 확인하였다. 이에 향후 제안하는 기법의
적용 및 고조파 필터를 활용한 역률 개선에 관한 추가적인 연구가 필요할 것으로 사료된다.
Acknowledgments
This work was partly supported by the Institute of Information & Communication Technology
Planning & Evaluation (IITP)–Information Technology Research Center (ITRC) grant funded
by the Korea government (Ministry of Science and ICT) (IITP-2025-RS-2023-00259004),
and partly supported by the Korea Institute of Energy Technology Evaluation and Planning
(KETEP) grant funded by the Korea government (MCEE) (No. 20214000000060, Department
of Next Generation Energy System Convergence based on Techno-Economics-STEP)
References
J. Lim, K. Kim, 2025, Enhancement of maximum power transfer capability and voltage
stability in urban metro station power system using reactive power compensation, The
Transactions of the Korean Institute of Electrical Engineers, Vol. 74, No. 11, pp.
1763-1774

S. Das, D. Chatterjee, S. K. Goswami, 2018, A reactive power compensation scheme for
unbalanced four-wire system using virtual Y-TCR model, IEEE Transactions on Industrial
Electronics, Vol. 65, No. 4, pp. 3210-3219

S. Mukhopadhyay, D. Maiti, A. Banerji, S. K. Biswas, N. K. Deb, 2017, A new harmonic
reduced three-phase thyristor-controlled reactor for static VAr compensators, IEEE
Transactions on Industrial Electronics, Vol. 64, No. 9, pp. 6898-6907

S. Mukhopadhyay, D. Maiti, A. Banerji, S. K. Biswas, N. K. Deb, 2017, Dual delta bank
TCR for harmonic reduction in three-phase static var controllers, IEEE Transactions
on Industry Applications, Vol. 53, No. 6, pp. 5164-5172

J. Lee, G. Lee, 2025, Research on reactive power requirement compensation for offshore
wind farm integration considering grid code, The Transactions of the Korean Institute
of Electrical Engineers, Vol. 74, No. 6, pp. 1058-1064

H. Kim, H. Lee, Y. Kim, S. Kang, D. You, E. J. Hong, S. Kang, C. Han, 2024, Stochastic
optimization-based coordinated operation strategy of MVDC and energy storage systems
in distribution networks, The Transactions of the Korean Institute of Electrical Engineers,
Vol. 73, No. 12, pp. 2165-2174

S. Mukhopadhyay, D. Maiti, S. K. Biswas, A. Banerji, N. K. Deb, 2018, A wide-range
TCR with low-current THD by optimized combination of coupled reactors and thyristor
switching and control, IEEE Transactions on Industrial Electronics, Vol. 65, No. 5,
pp. 3657-3665

S. Das, D. Chatterjee, S. K. Goswami, 2016, A GSA-based modified SVC switching scheme
for load balancing and source power factor improvement, IEEE Transactions on Power
Delivery, Vol. 31, No. 5, pp. 2072-2082

저자소개
He received his B.S. degree and M.S. degree in Gachon University, Gyeonggi-Do, Korea.
His research interests are Power conversion and Power control.
E-mail : whdgh9873@gachon.ac.kr
He received his M.S. and Ph. D. degree in Gachon University, Gyeonggi-Do, Korea. His
research interests are Power conversion and Power control.
E-mail : lhj501@gachon.ac.kr
He received his B.S., M.S. and Ph. D. degrees in the Department of Electrical Engineering
from Soongsil University in 1990, 1992 and 1997. He was Chief Researcher in Electro-Mechanical
Research Institute, Hyundai Heavy Industries Co., Ltd., Gyeonggi-do, Korea, during
1992- 1995. He was a Postdoctoral Researcher in the Department of Electrical and Electronic
Engineering, Kagoshima University, from 2002 to 2003. He was also a Visiting Scholar
in the Power Electronics Laboratory, Michigan State University, from 2009 to 2010.
He is currently a Professor at the school of Electrical Engineering, Gachon University,
Korea. His research interests are the power conversion, control and diagnosis of power
utility.
E-mail : shon@gachon.ac.kr
He received his B.S. degree in Soongsil University, Seoul, Korea and he received his
M.S. degree in Gachon University, Gyeonggi-Do, Korea where he is currently pursuing
his Ph. D. drgree. His research interests are Power conversion and Power control.
E-mail : tommy525@gachon.ac.kr